GM Service Manual Online
For 1990-2009 cars only
Makes
🢒
Chevrolet
🢒
2000
🢒
Astro - 4WD
🢒 Engine Electrical Charging
Engine Electrical Charging
Engine Electrical Charging
Engine Electrical Components
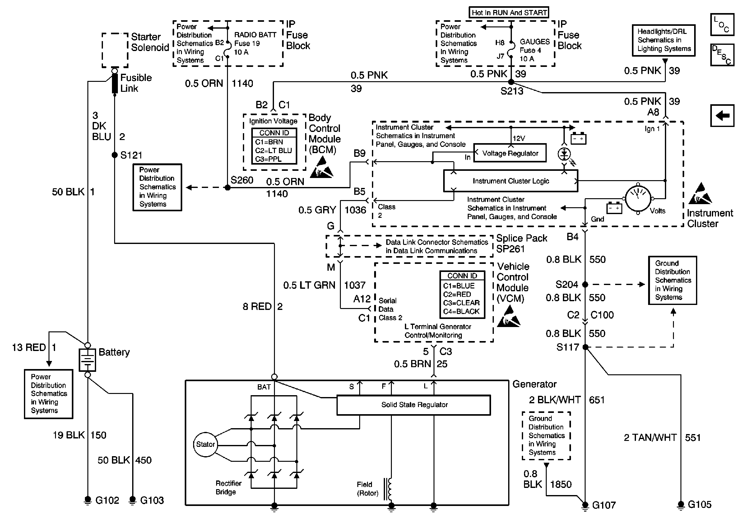
Charging System Circuit Description
Engine Electrical Starter
Handling ESD Sensitive Parts Notice
G105 and G107
DRL Relay, DRL Diode D300
GAUGES Fuse 4, AIR BAG Fuse 10 and TURN-B/U Fuse 16
ILLUM, TRANS, and GAUGES Fuse, and Grounds
ILLUM, TRANS, and GAUGES Fuse, and Grounds
Data Link Schematics (1 of 2)
Battery, Generator, Starter Solenoid, and Underhood Fuse BLock
Handling ESD Sensitive Parts Notice
Handling ESD Sensitive Parts Notice
CIG LTR Fuse 13, RADIO BATT Fuse 19 and CRANK Fuse 8
G105 and G107
CIG LTR Fuse 13, RADIO BATT Fuse 19 and CRANK Fuse 8