GM Service Manual Online
For 1990-2009 cars only
Makes
🢒
Chevrolet
🢒
2002
🢒
Astro - 4WD
🢒
Body and Accessories
🢒
Wiring Systems
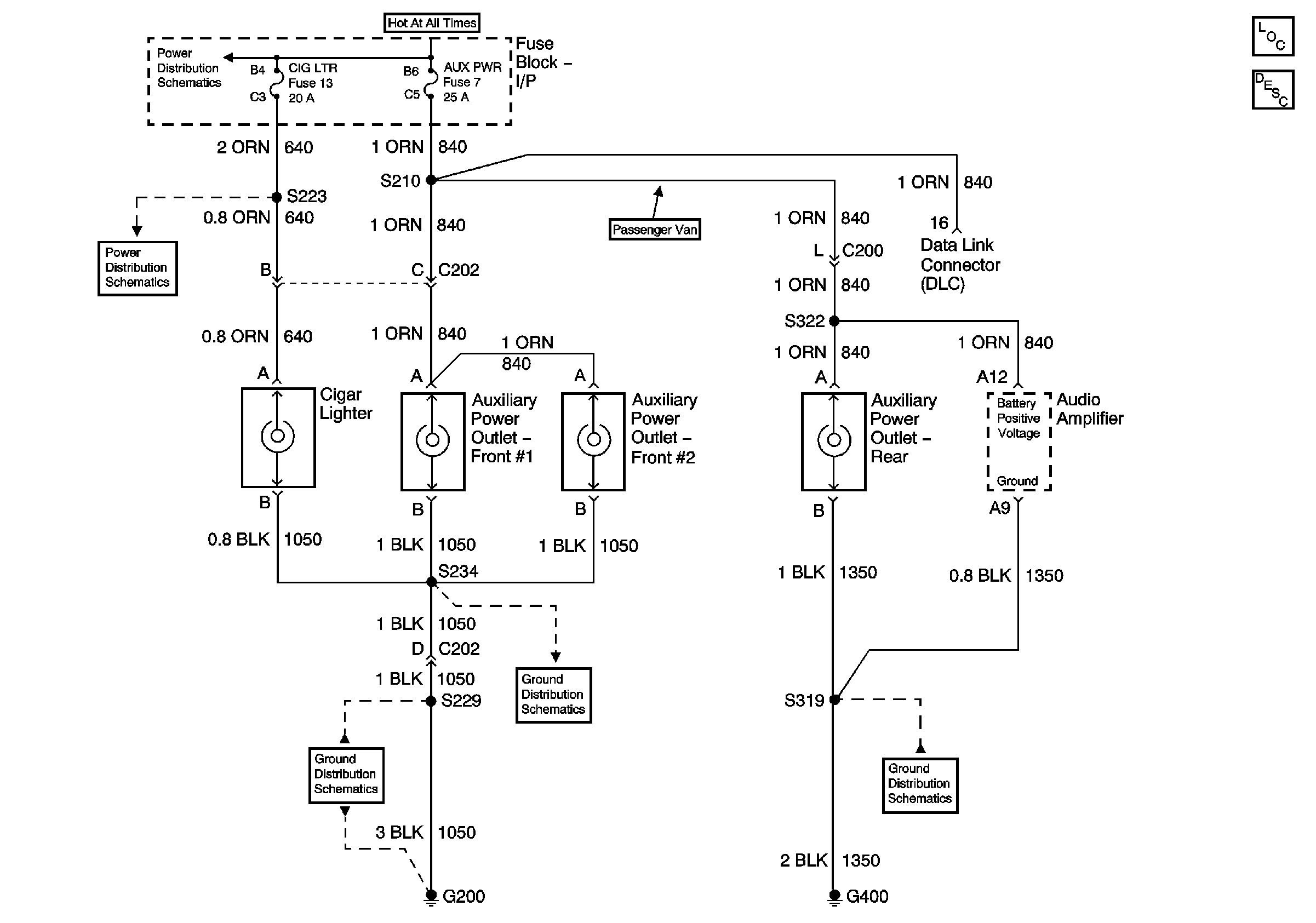
🢒 Cigar Lighter/Power Outlet Schematics
Master Electrical Component List
Battery and Lighting Fuse
Cig Lighter Fuse, Radio Battery Fuse and Crank Fuse
G200
G200
G301, G303, G400, and G404