GM Service Manual Online
For 1990-2009 cars only
Makes
🢒
Chevrolet
🢒
2002
🢒
Avalanche - 2WD
🢒
Brakes
🢒
Hydraulic Brakes
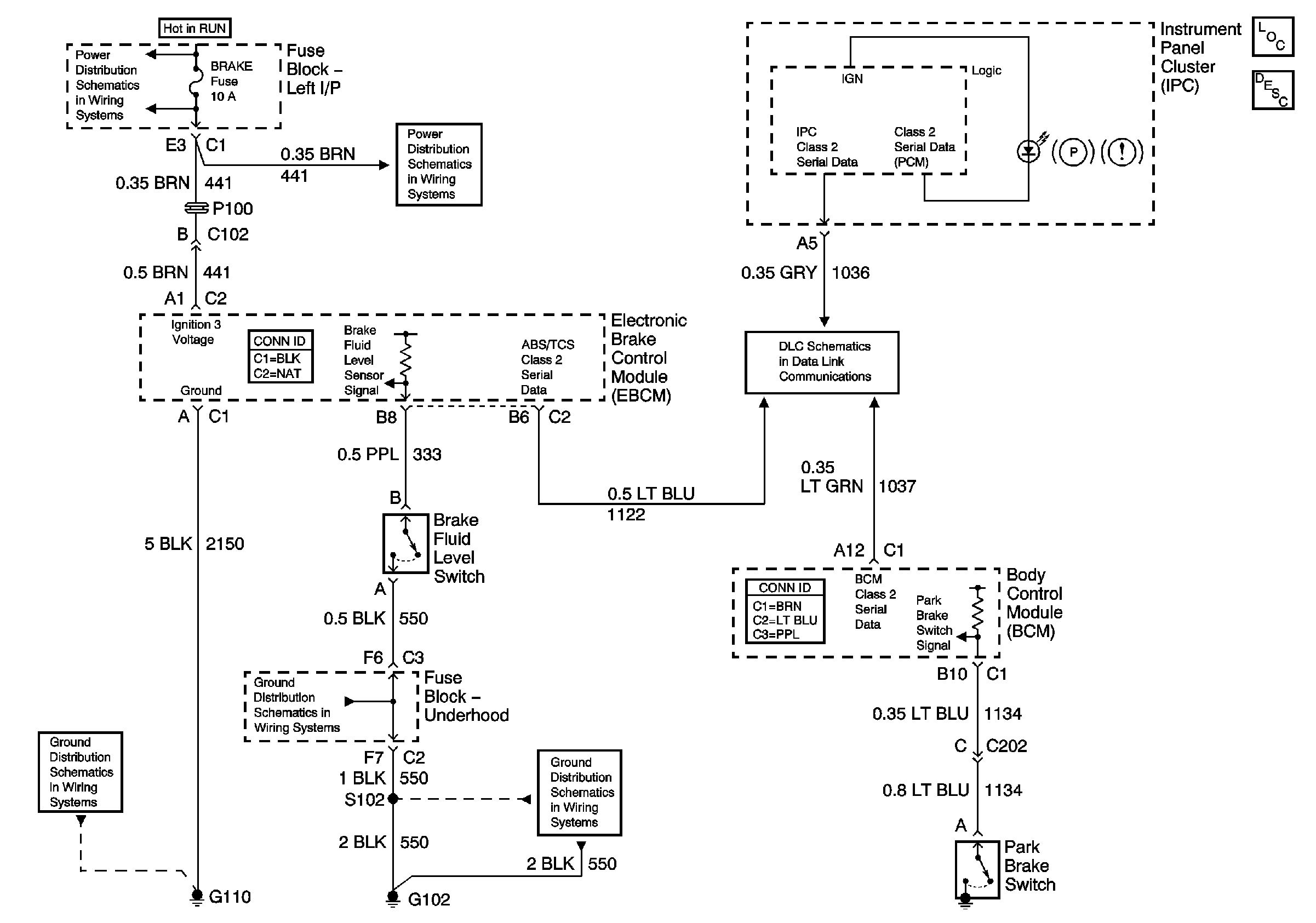
🢒 Brake Warning System Schematics
B+ Bus Bar
BRAKE, CRUISE, HTR A/C, RR WPR, WS WPR, and SEO ACCY Fuses
G100 and G110
G104
G103, G105, and G106
Splice Pack SP205
HTD MIR, RR DEFOG Fuses, and RR DEFOG Relay
Master Electrical Component List
Brake Warning System Description and Operation