GM Service Manual Online
For 1990-2009 cars only
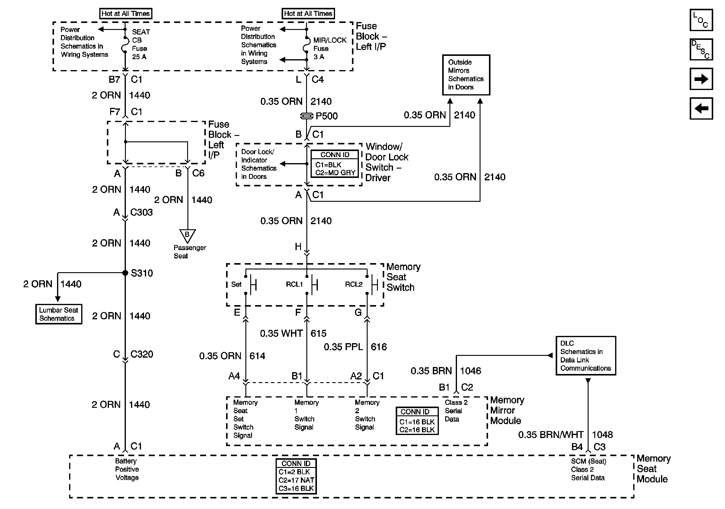
Figure 1:

Power, Memory Seat Switch, Memory Seat Module (Non Class 2)


Object Number: 830674  Size: FS
Master Electrical Component List
Memory Seats Description and Operation Escalade
Memory Seat Control - Class 2
SEATS Circuit Breaker and MIR/LOCK Fuse
IGN 3 Fuse
SEATS Circuit Breaker and MIR/LOCK Fuse
Outside Rearview Mirror Switch and Motors (Except Z75)
Front Passenger - Full Feature Seat
IGN 3 Fuse
Power, Ground, and Switches
2002 Shift Lock Control
2002 Lumbar Support
Figure 2:

Power, Memory Seat Switch, Memory Mirror Module, Memory Seat Module (Class 2)


Object Number: 764552  Size: FS
Master Electrical Component List
Memory Seats Description and Operation Escalade
Seat Switch Inputs
Memory Seat Control - Non Class 2
SEATS Circuit Breaker and MIR/LOCK Fuse
SEATS Circuit Breaker and MIR/LOCK Fuse
Air Delivery Schematics (Vacuum Controls)
Outside Rearview Mirror - Driver and Memory Mirror Module (Z75)
2002 Lumbar Support
Front Passenger - Full Feature Seat
Splice Pack SP205
Figure 3:

Seat Switch Inputs


Object Number: 785116  Size: FS
Master Electrical Component List
Memory Seats Description and Operation Escalade
Memory Seat Module, Recliner Motor, Seat Front Vertical Motor, Ground
Memory Seat Control - Class 2
Memory Seat Module, Recliner Motor, Seat Front Vertical Motor, Ground
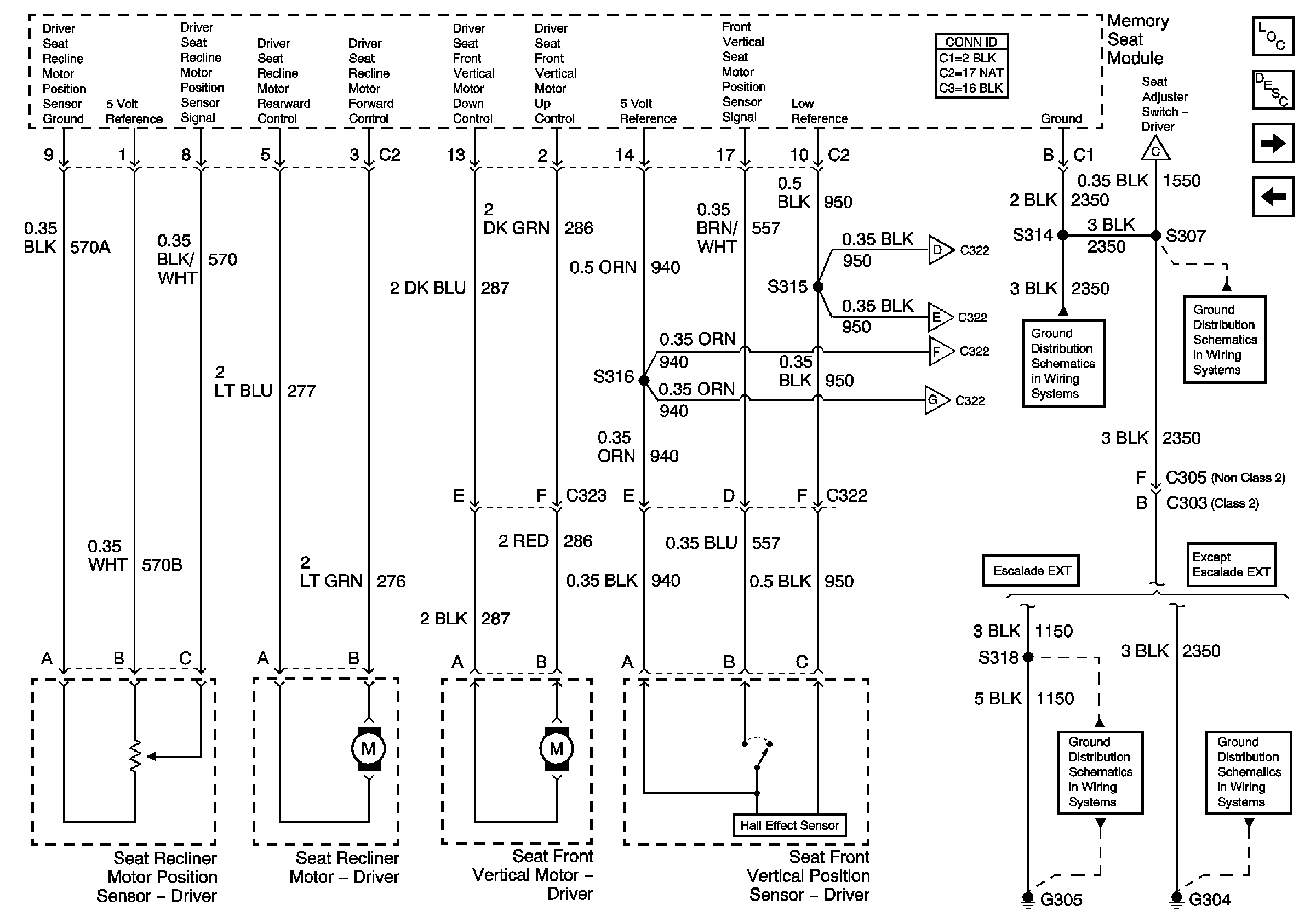
Figure 4:

Memory Seat Module, Recliner Motor, Seat Front Vertical Motor, Ground


Object Number: 763196  Size: FS
Master Electrical Component List
Memory Seats Description and Operation Escalade
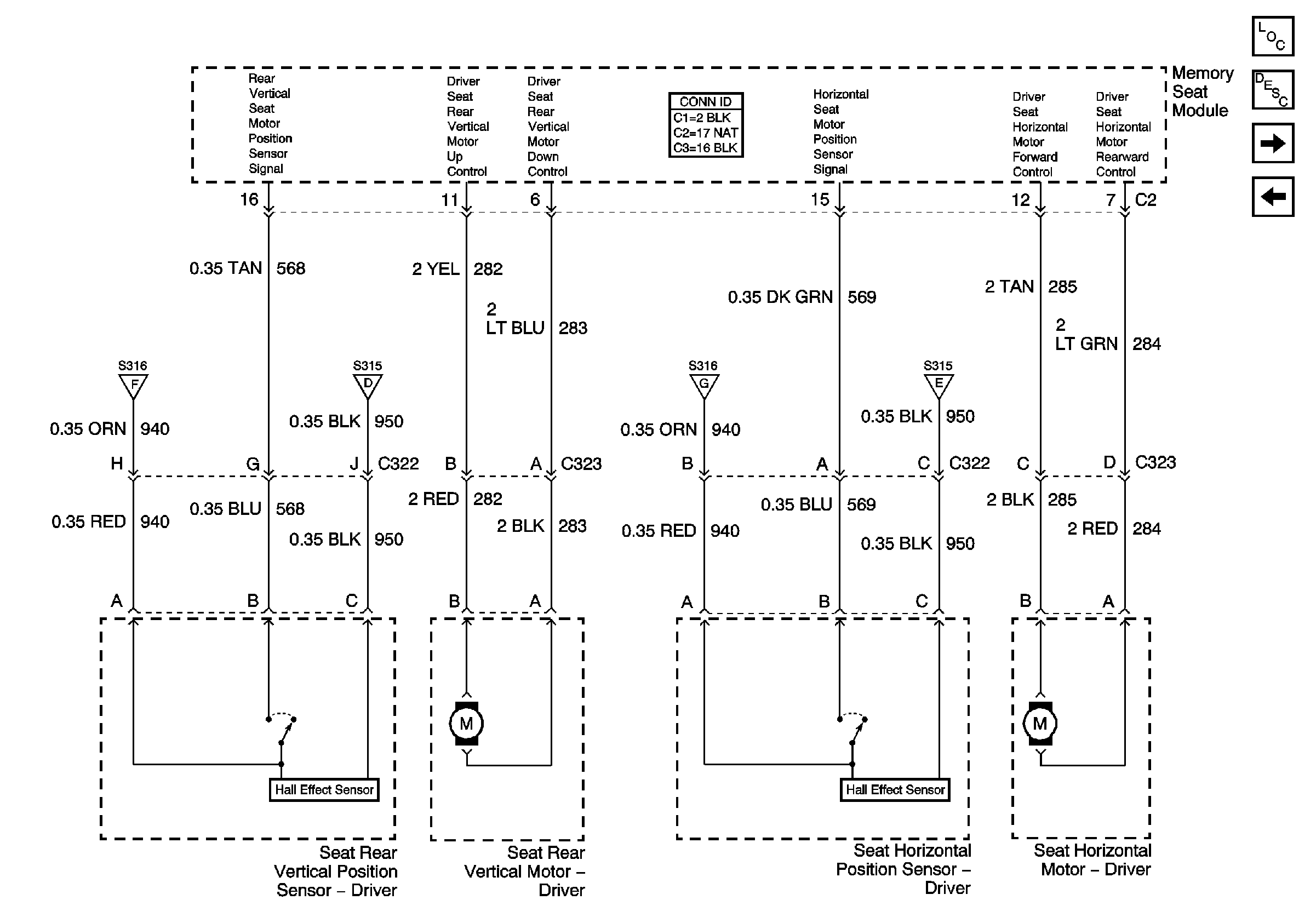
Memory Seat Module, Seat Rear Vertical Motor, Seat Horizontal Motor
Seat Switch Inputs
Seat Switch Inputs
Memory Seat Module, Seat Rear Vertical Motor, Seat Horizontal Motor
Memory Seat Module, Seat Rear Vertical Motor, Seat Horizontal Motor
Memory Seat Module, Seat Rear Vertical Motor, Seat Horizontal Motor
Memory Seat Module, Seat Rear Vertical Motor, Seat Horizontal Motor
G304
G304
G305
G304
Figure 5:

Memory Seat Module, Seat Rear Vertical Motor, Seat Horizontal Motor


Object Number: 749126  Size: FS
Master Electrical Component List
Memory Seats Description and Operation Escalade
Front Passenger - Full Feature Seat
Memory Seat Module, Recliner Motor, Seat Front Vertical Motor, Ground
Memory Seat Module, Recliner Motor, Seat Front Vertical Motor, Ground
Memory Seat Module, Recliner Motor, Seat Front Vertical Motor, Ground
Memory Seat Module, Recliner Motor, Seat Front Vertical Motor, Ground
Memory Seat Module, Recliner Motor, Seat Front Vertical Motor, Ground
Figure 6:

Front Passenger - Full Feature Seat


Object Number: 792360  Size: FS
Master Electrical Component List
Memory Seats Description and Operation Escalade
Memory Seat Module, Seat Rear Vertical Motor, Seat Horizontal Motor
SEATS Circuit Breaker and MIR/LOCK Fuse
Memory Seat Control - Non Class 2
Memory Seat Control - Class 2
2002 Lumbar Support
G304
G305
G304