GM Service Manual Online
For 1990-2009 cars only
Figure 1:

Power, Ground, and Subsystem References - Base


Object Number: 745139  Size: FS
Master Electrical Component List
Radio/Audio System Description and Operation
Speakers - Base
PWR WDO Circuit Breakers, RDO I and RAP #2 Fuses
AIR, RADIO, ECM B, FRT HVAC, and CIGAR Fuses
AIR, RADIO, ECM B, FRT HVAC, and CIGAR Fuses
AIR, RADIO, ECM B, FRT HVAC, and CIGAR Fuses
Interior Parklamp Supply - 2 of 3
Radio, CD Player, and HVAC Control Module
PWR WDO Circuit Breakers, RDO I and RAP #2 Fuses
G200 - 1 of 2
G200 - 1 of 2
Gages, VSS, and Engine Oil Signals
Gages, VSS, and Engine Oil Signals
Splice Pack SP205
Figure 2:

Speakers - Base


Object Number: 745142  Size: FS
Master Electrical Component List
Radio/Audio System Description and Operation
Power and Ground - YE9 w/o Rear Seat Audio
Power, Ground and Subsystem References - Base
Figure 3:

Power and Ground - YE9 w/o Rear Seat Audio


Object Number: 745140  Size: FS
Master Electrical Component List
Radio/Audio System Description and Operation
Amplifier Inputs and Controls and Subsystem References - YE9 w/o Rear Seat Audio
Speakers - Base
PWR WDO Circuit Breakers, RDO I and RAP #2 Fuses
AIR, RADIO, ECM B, FRT HVAC, and CIGAR Fuses
AIR, RADIO, ECM B, FRT HVAC, and CIGAR Fuses
AIR, RADIO, ECM B, FRT HVAC, and CIGAR Fuses
Gages, VSS, and Engine Oil Signals
Gages, VSS, and Engine Oil Signals
G200 - 1 of 2
G200 - 1 of 2
Figure 4:

Amplifier Inputs and Controls and Subsystem References - YE9 w/o Rear Seat Audio


Object Number: 745141  Size: FS
Master Electrical Component List
Radio/Audio System Description and Operation
Power, Ground and Subsystem References - YE9 w/Rear Seat Audio
Power and Ground - YE9 w/o Rear Seat Audio
Splice Pack SP205
Interior Parklamp Supply - 2 of 3
Radio, CD Player, and HVAC Control Module
Remote Playback Device - CD Player - YE9
Figure 5:

Power, Ground and Subsystem References - YE9 w/Rear Seat Audio


Object Number: 745143  Size: FS
Master Electrical Component List
Radio/Audio System Description and Operation
Amplifier and Rear Seat Audio Inputs and Controls - YE9 w/Rear Seat Audio
Amplifier Inputs and Controls and Subsystem References - YE9 w/o Rear Seat Audio
AIR, RADIO, ECM B, FRT HVAC, and CIGAR Fuses
AIR, RADIO, ECM B, FRT HVAC, and CIGAR Fuses
AIR, RADIO, ECM B, FRT HVAC, and CIGAR Fuses
Radio, CD Player, and HVAC Control Module
Interior Parklamp Supply - 2 of 3
PWR WDO Circuit Breakers, RDO I and RAP #2 Fuses
G200 - 1 of 2
G200 - 1 of 2
Interior Parklamp Supply - 2 of 3
Figure 6:

Amplifier and Rear Seat Audio Inputs and Controls - YE9 w/Rear Seat Audio


Object Number: 745144  Size: FS
Master Electrical Component List
Radio/Audio System Description and Operation
Remote Playback Device - CD Player - YE9
Power, Ground and Subsystem References - YE9 w/Rear Seat Audio
Gages, VSS, and Engine Oil Signals
Gages, VSS, and Engine Oil Signals
Gages, VSS, and Engine Oil Signals
Remote Playback Device - CD Player - YE9
Figure 7:

Remote Playback Device - CD Player - YE9


Object Number: 754708  Size: FS
Master Electrical Component List
Radio/Audio System Description and Operation
Speakers - YE9
Amplifier and Rear Seat Audio Inputs and Controls - YE9 w/Rear Seat Audio
Amplifier Inputs and Controls and Subsystem References - YE9 w/o Rear Seat Audio
Amplifier and Rear Seat Audio Inputs and Controls - YE9 w/Rear Seat Audio
Figure 8:

Speakers - YE9


Object Number: 745145  Size: FS
Master Electrical Component List
Radio/Audio System Description and Operation
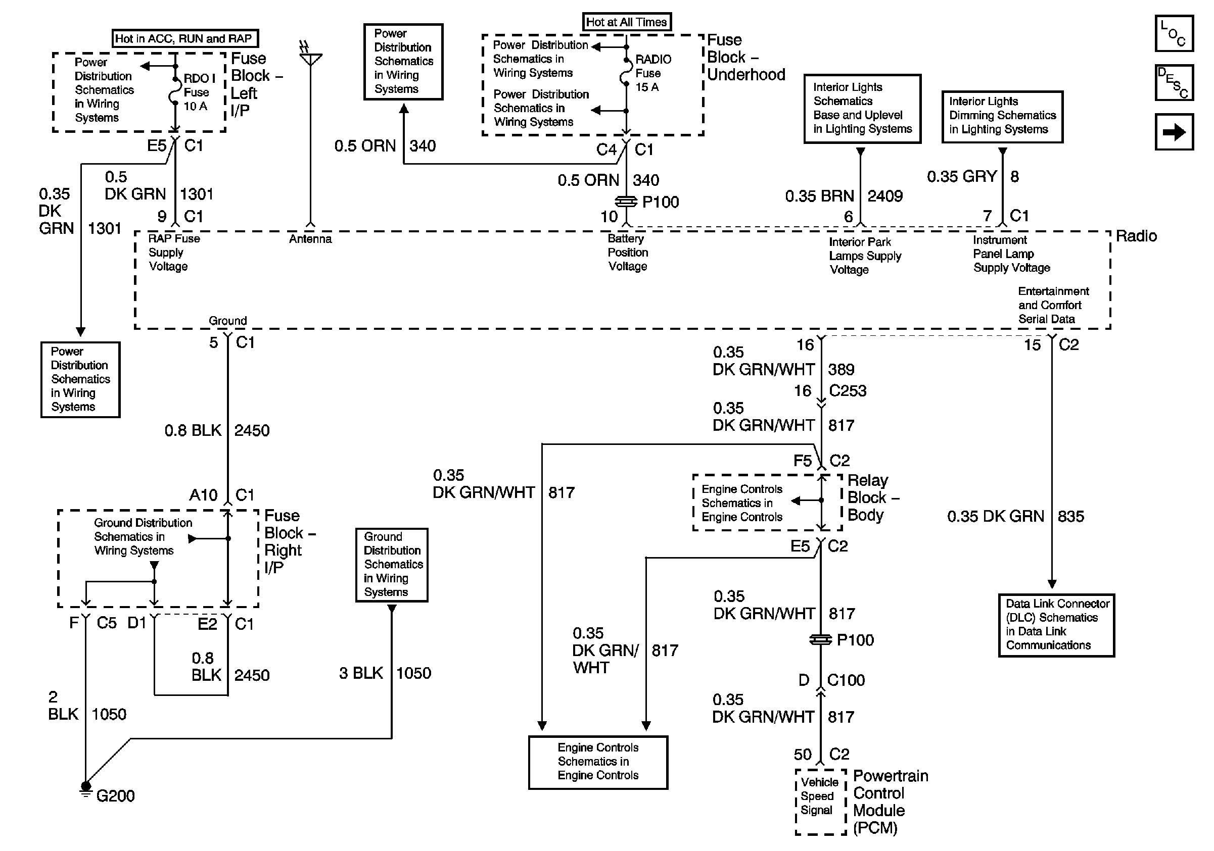
Power and Control Signals - Y91
Remote Playback Device - CD Player - YE9
Figure 9:

Power and Control Signals - Y91


Object Number: 754393  Size: FS
Master Electrical Component List
Radio/Audio System Description and Operation
Ground and Subsystem References - Y91
Speakers - YE9
AIR, RADIO, ECM B, FRT HVAC, and CIGAR Fuses
AIR, RADIO, ECM B, FRT HVAC, and CIGAR Fuses
AIR, RADIO, ECM B, FRT HVAC, and CIGAR Fuses
PWR WDO Circuit Breakers, RDO I and RAP #2 Fuses
Antenna Modules - All w/Y91 Except Escalade EXT
PWR WDO Circuit Breakers, RDO I and RAP #2 Fuses
Figure 10:

Ground and Subsystem References - Y91


Object Number: 754402  Size: FS
Master Electrical Component List
Radio/Audio System Description and Operation
Amplifier and Rear Seat Audio Inputs - Y91
Power and Control Signals - Y91
Steering Wheel Controls
Gages, VSS, and Engine Oil Signals
Park Lamp Control, INTPRK and PARK LPS Fuse
Radio, CD Player, and HVAC Control Module
Park Lamp Control, INTPRK and PARK LPS Fuse
G305
G305
G200 - 1 of 2
G200 - 1 of 2
G203 - 1 of 4
G203 - 1 of 4
G203 - 1 of 4
G203 - 1 of 4
Figure 11:

Amplifier and Rear Seat Audio Inputs - Y91


Object Number: 754398  Size: FS
Master Electrical Component List
Radio/Audio System Description and Operation
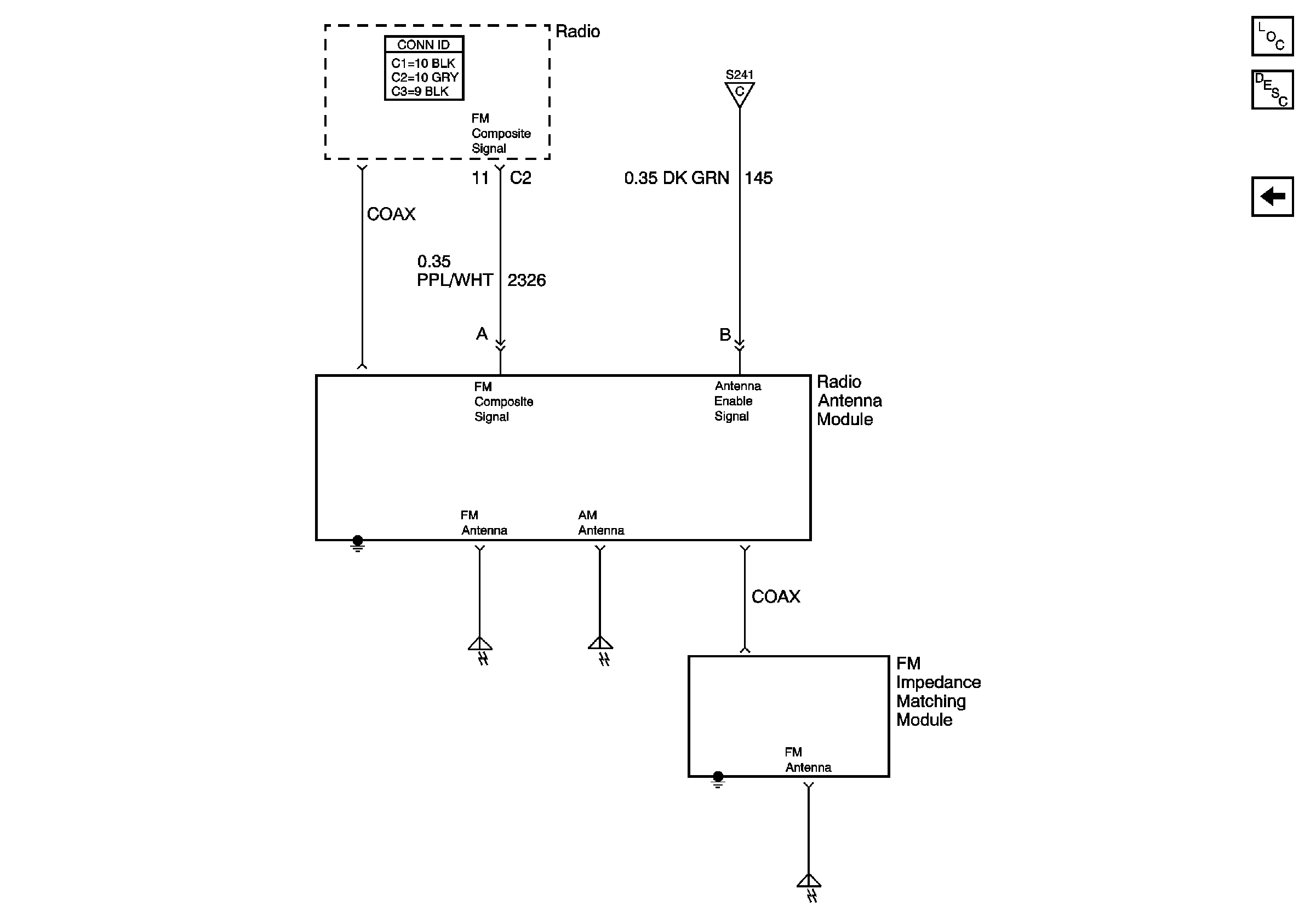
Remote Playback Device - CD Player - Y91
Ground and Subsystem References - Y91
Figure 12:

Remote Playback Device - CD Player - Y91


Object Number: 831049  Size: FS
Master Electrical Component List
Radio/Audio System Description and Operation
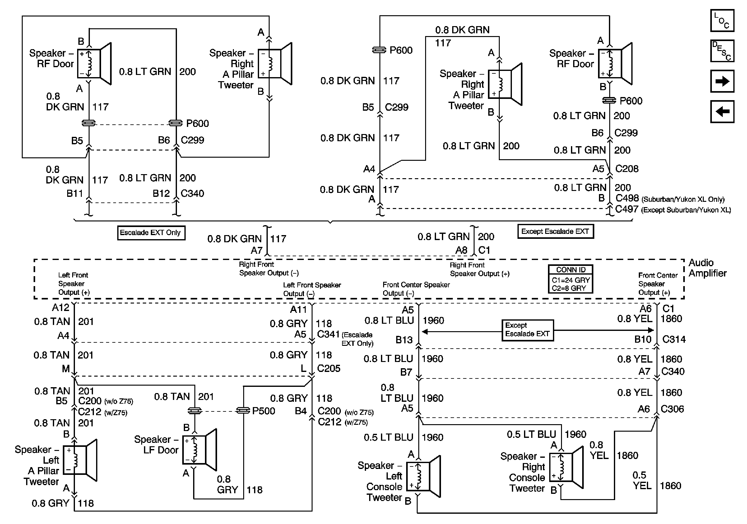
Front Speakers - Y91
Amplifier and Rear Seat Audio Inputs - Y91
Radio Interrupt and Broadcast Signals - Y91
Figure 13:

Front Speakers - Y91


Object Number: 754413  Size: FS
Master Electrical Component List
Radio/Audio System Description and Operation
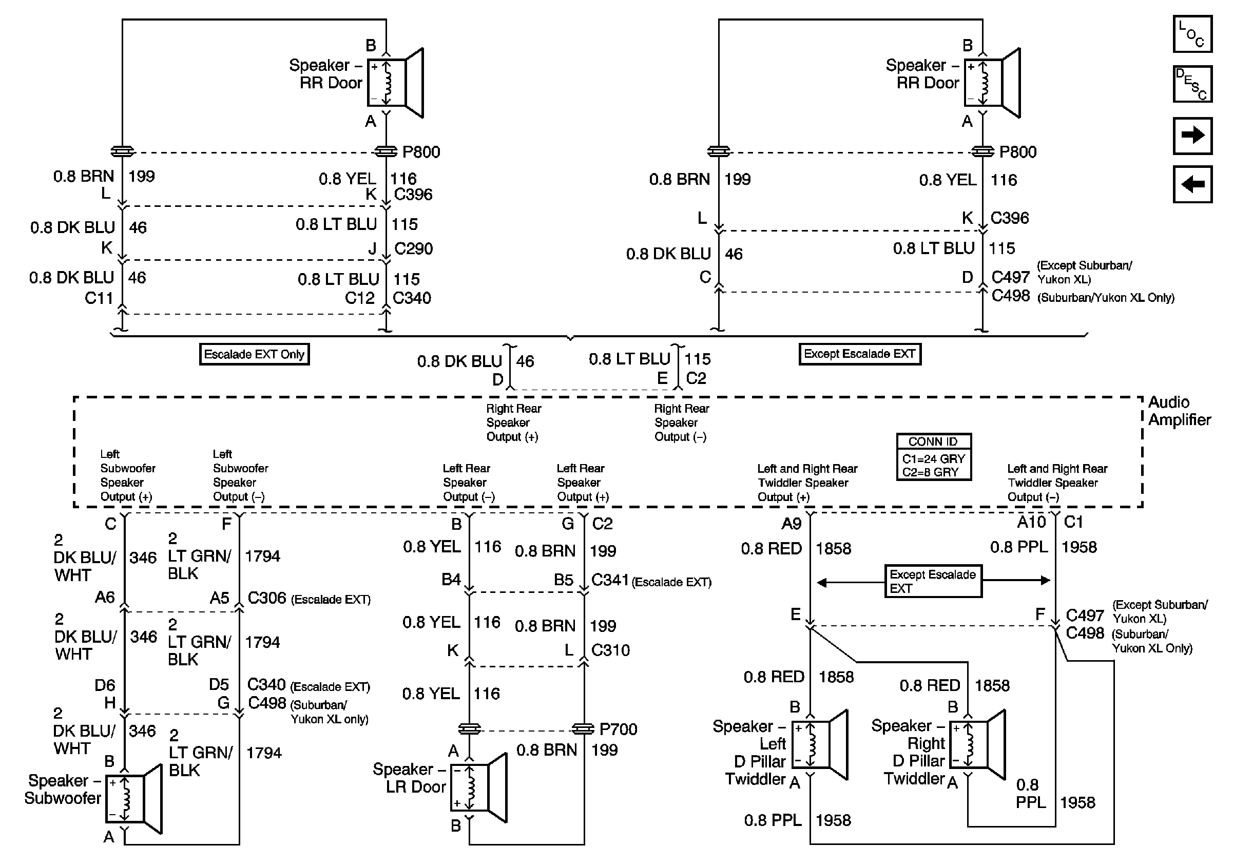
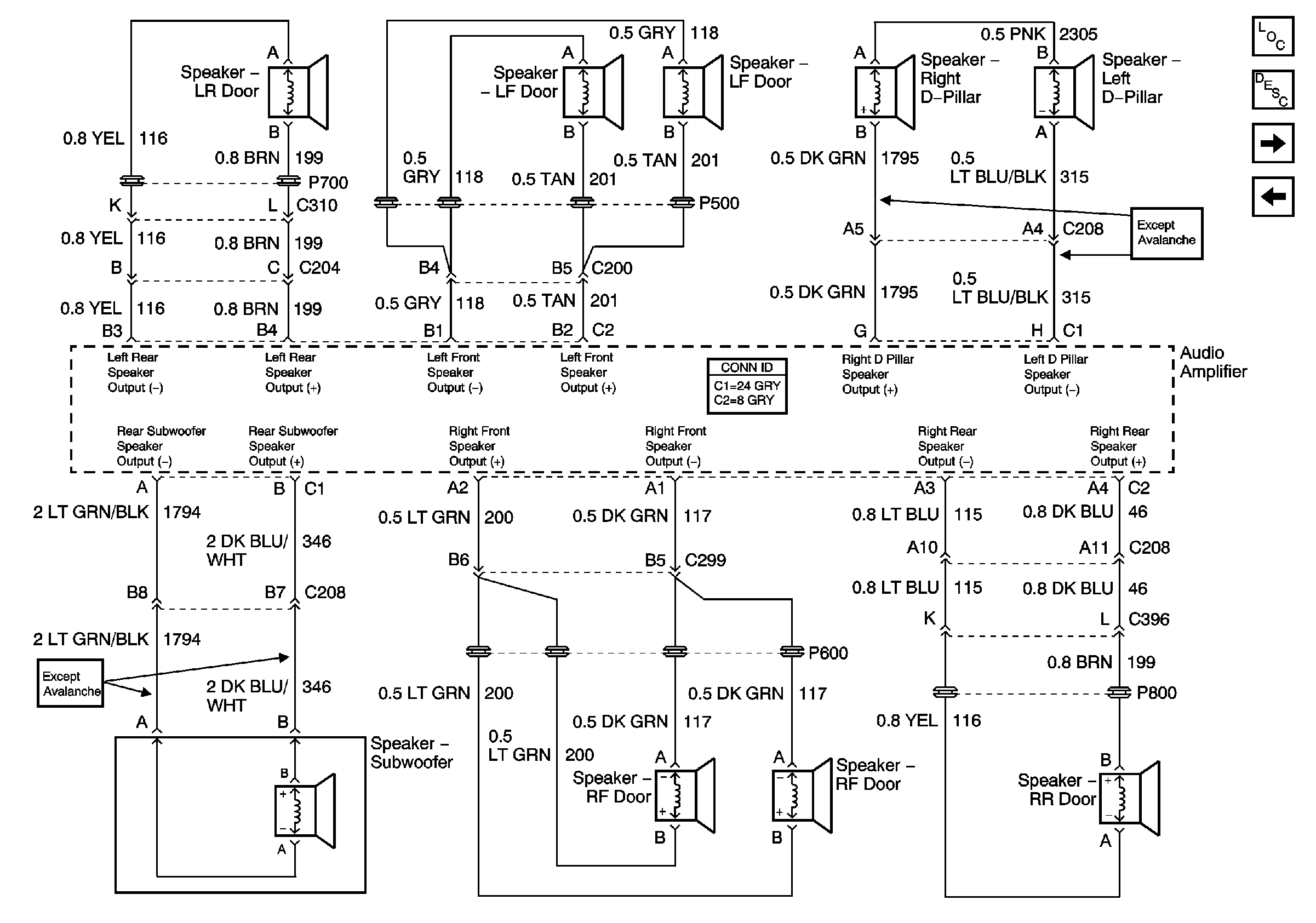
Rear Speakers - Y91
Remote Playback Device - CD Player - Y91
Figure 14:

Rear Speakers - Y91


Object Number: 754415  Size: FS
Master Electrical Component List
Radio/Audio System Description and Operation
Antenna Modules - All w/Y91 Except Escalade EXT
Front Speakers - Y91
Figure 15:

Antenna Modules - w/Y91 Except Escalade EXT


Object Number: 831060  Size: FS
Master Electrical Component List
Radio/Audio System Description and Operation
Rear Speakers - Y91
Power and Control Signals - Y91