GM Service Manual Online
For 1990-2009 cars only
Makes
🢒
Chevrolet
🢒
2002
🢒
Avalanche - 2WD
🢒
Body and Accessories
🢒
Lighting Systems
🢒 Headlights Schematics
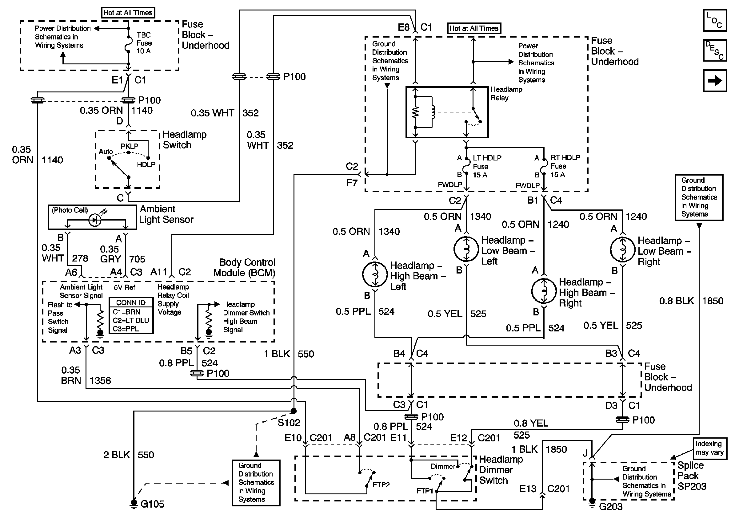
Figure
1:
All Except Escalade
Master Electrical Component List
Exterior Lighting Systems Description and Operation
Escalade Only
TBC, FOG LP, LT HDLP, and RT HDLP Fuses
G104
TBC, FOG LP, LT HDLP, and RT HDLP Fuses
G203 - 1 of 4
G103, G105, and G106
G203 - 1 of 4
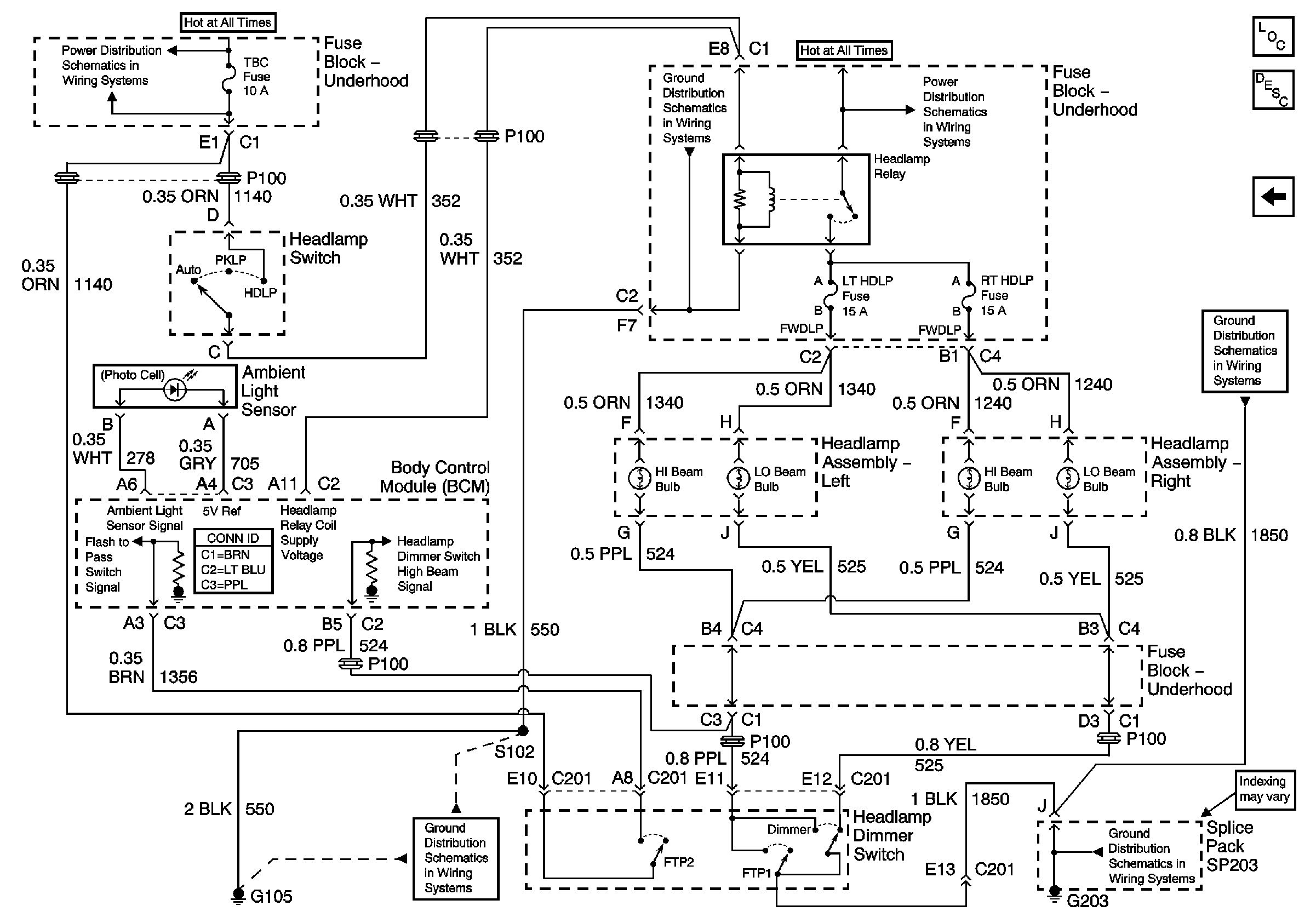
Figure
2:
Escalade Only
Master Electrical Component List
Exterior Lighting Systems Description and Operation
All Except Escalade
TBC, FOG LP, LT HDLP, and RT HDLP Fuses
G104
TBC, FOG LP, LT HDLP, and RT HDLP Fuses
G203 - 1 of 4
G104
G203 - 1 of 4