GM Service Manual Online
For 1990-2009 cars only
Makes
🢒
Chevrolet
🢒
2007
🢒
Avalanche - 2WD
🢒
Diagnostic Navigation
🢒
Vehicle Diagnostic Information
🢒 Data Communication Schematics
Figure
1:
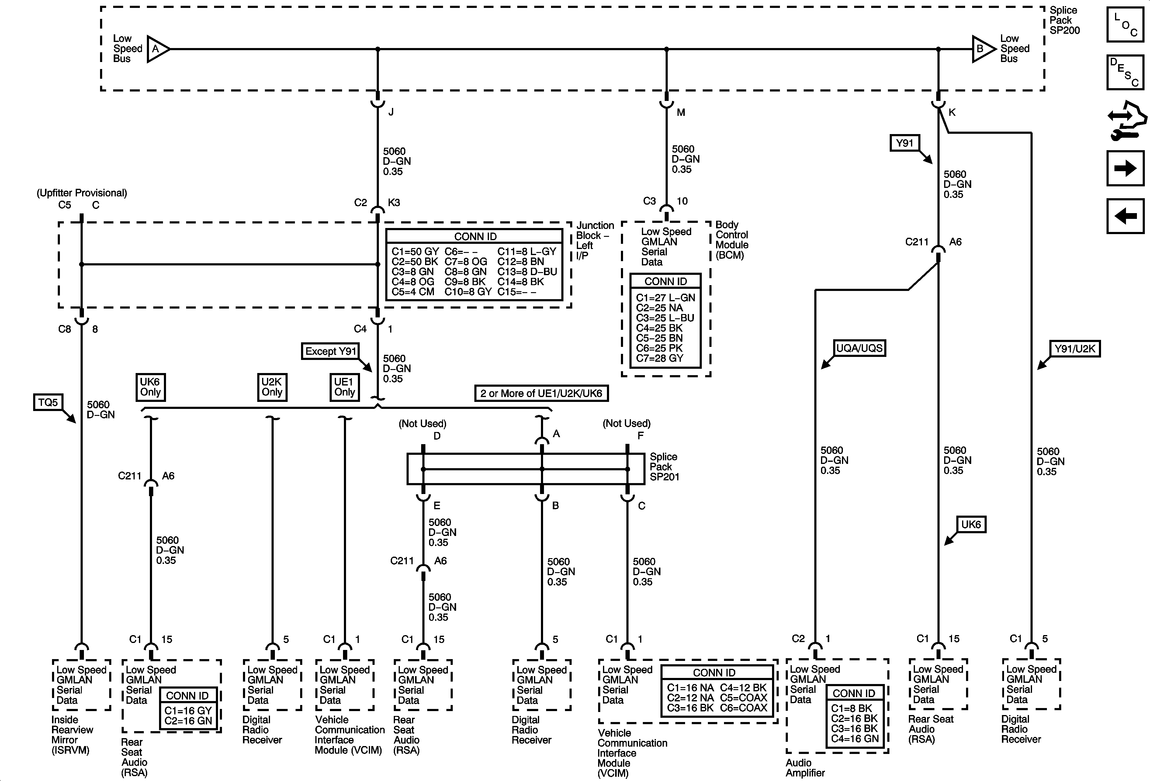
Low Speed Bus - SP200 - 1 of 3
Master Electrical Component List
Data Link Communications Description and Operation
Control Module References
Low Speed Bus - SP 200 - 2 of 3
Figure
2:
Low Speed Bus - SP200 - 2 of 3
Master Electrical Component List
Data Link Communications Description and Operation
Control Module References
Low Speed Bus - SP200 - 3 of 3 and SP300
Low Speed Bus - SP200 - 1 of 3
Figure
3:
Low Speed Bus - SP200 - 3 of 3 and SP300
Master Electrical Component List
Data Link Communications Description and Operation
Control Module References
High Speed Bus - 1 of 2
Low Speed Bus - SP 200 - 2 of 3
Figure
4:
High Speed Bus - 1 of 2
Master Electrical Component List
Data Link Communications Description and Operation
Control Module References
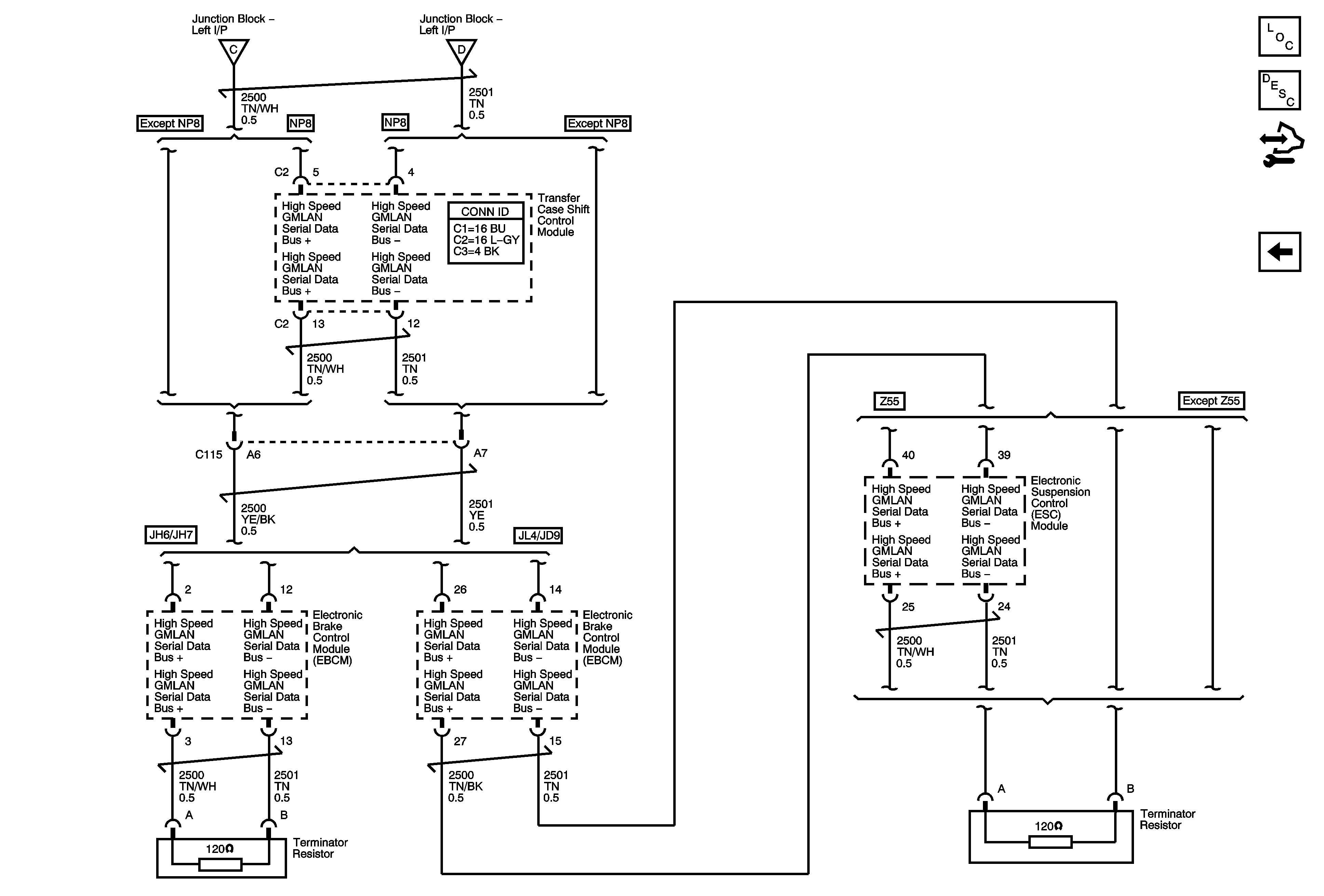
High Speed Bus - 2 of 2
Low Speed Bus - SP200 - 3 of 3 and SP300
Figure
5:
High Speed Bus - 2 of 2
Master Electrical Component List
Data Link Communications Description and Operation
Control Module References
High Speed Bus - 1 of 2