GM Service Manual Online
For 1990-2009 cars only
Makes
🢒
Chevrolet
🢒
2007
🢒
Avalanche - 2WD
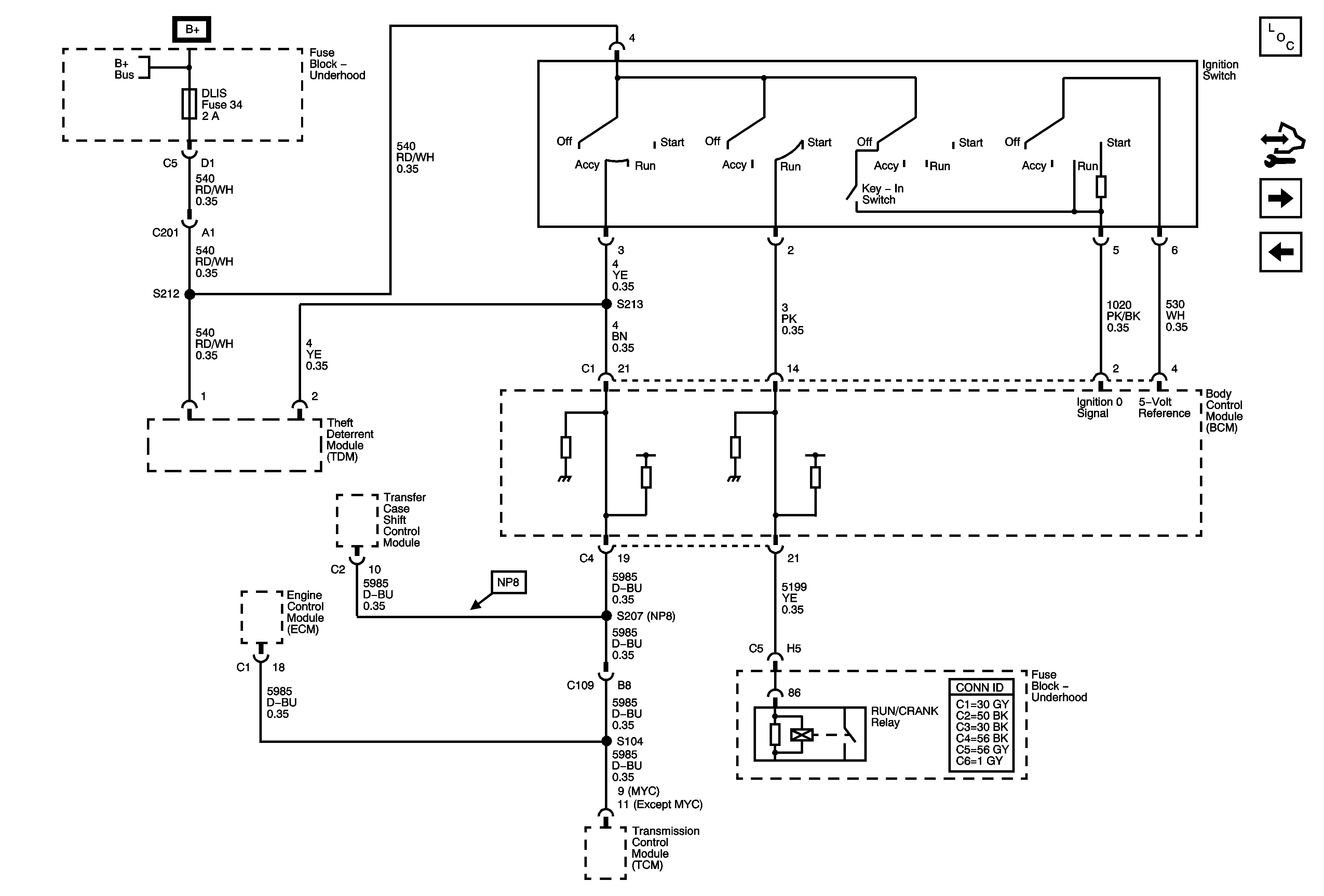
🢒 DLIS Fuse and Ignition Switch
DLIS Fuse and Ignition Switch
DLIS Fuse and Ignition Switch
Master Electrical Component List
Control Module References
PWR/TRN Bus - ECM/THROT CONT, ENG, O2-A SNSR, and O2-B SNSR Fuses
TRLR BCK/UP, TRLR STOP LT, TRLR STOP RT, and VEH BCK/UP Fuses
B+ Bus - 1 of 3