GM Service Manual Online
For 1990-2009 cars only
Makes
🢒
Chevrolet
🢒
2007
🢒
Avalanche - 2WD
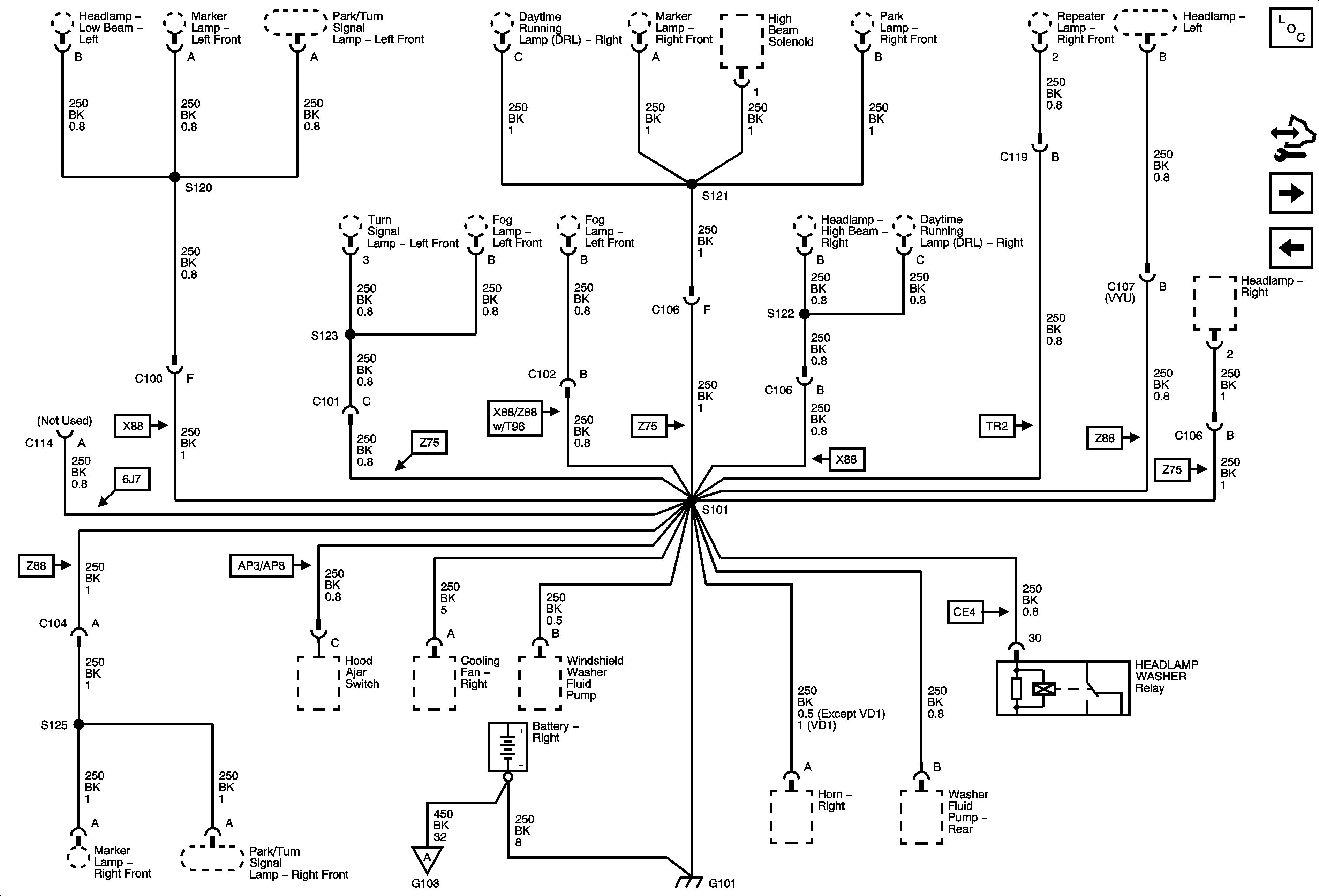
🢒 G101
G101
G101
Master Electrical Component List
Control Module References
G102 and G108
G100
G103, G110, and G111