GM Service Manual Online
For 1990-2009 cars only
Makes
🢒
Chevrolet
🢒
2007
🢒
Avalanche - 2WD
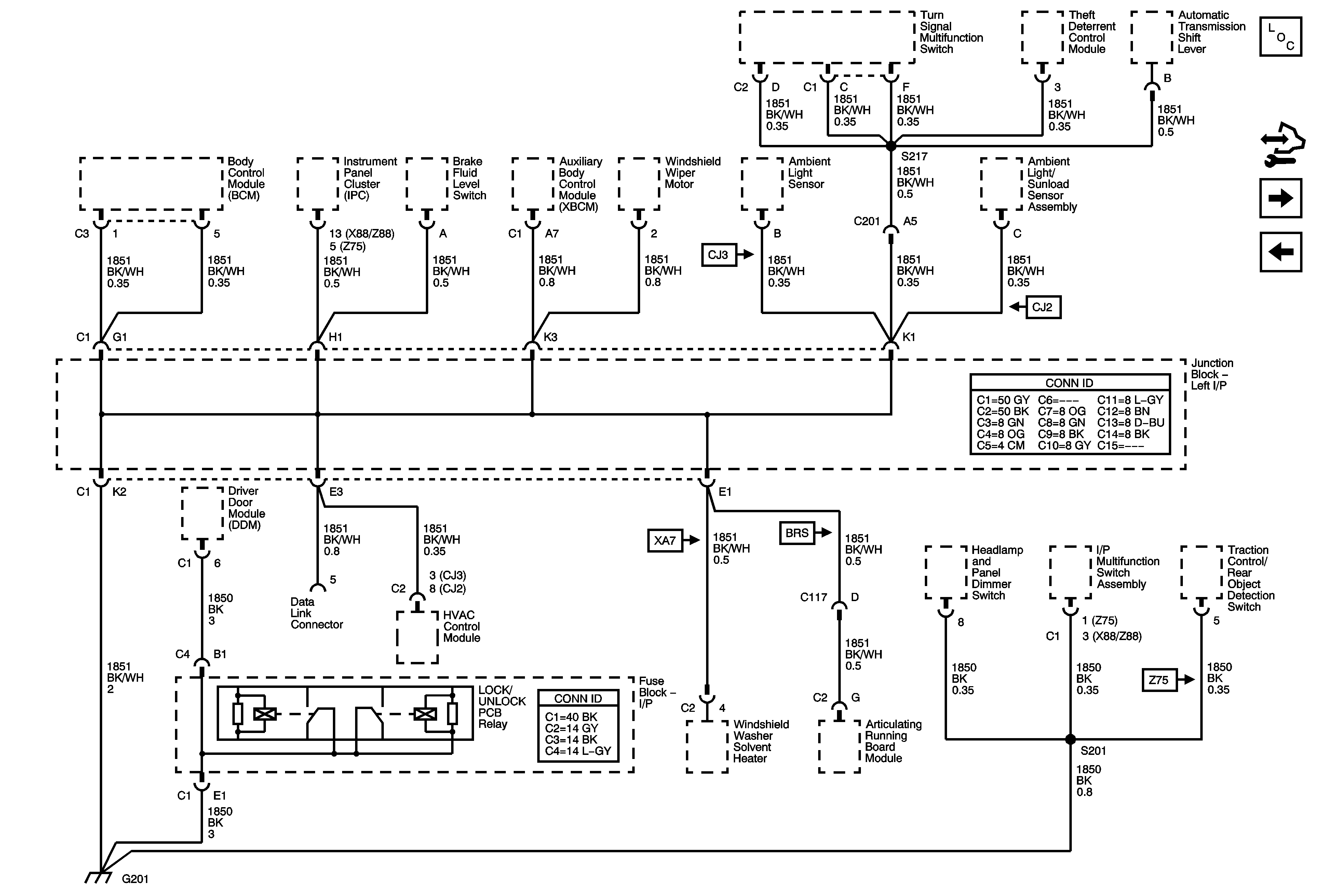
🢒 G201
G201
G201
Master Electrical Component List
Control Module References
G300 and G302
G200 - 2 of 2