GM Service Manual Online
For 1990-2009 cars only
Makes
🢒
Chevrolet
🢒
2007
🢒
Avalanche - 2WD
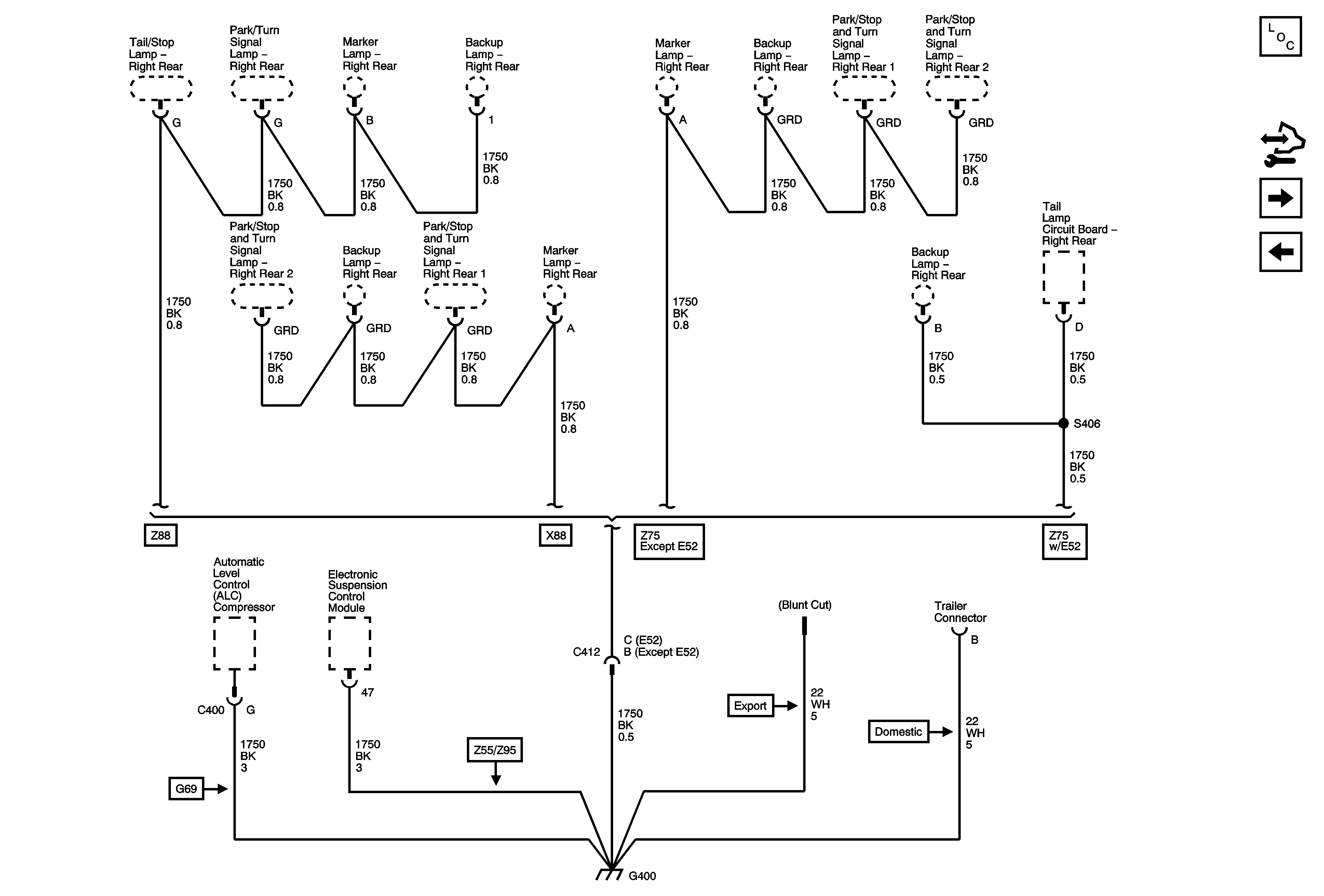
🢒 G400
G400
G400
Master Electrical Component List
Control Module References
G401
G303, G304, and G305