GM Service Manual Online
For 1990-2009 cars only
Makes
🢒
Chevrolet
🢒
2007
🢒
Avalanche - 2WD
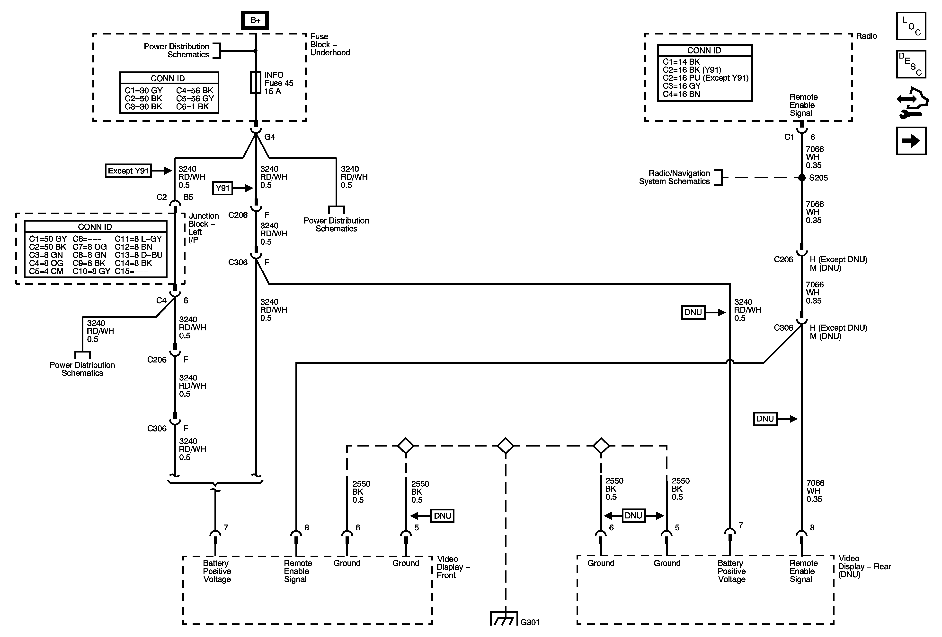
🢒 Display Power and Ground
Display Power and Ground
Display Power and Ground
Master Electrical Component List
Video Entertainment System Description and Operation Non-Headrest DVD Systems
Control Module References
Video Signals
B+ Bus - 1 of 3
AMP, ELEC RUN BOARD, ESC/ALC EXH, EXP/BRK MDL, INFO, and TREC Fuses
AMP, ELEC RUN BOARD, ESC/ALC EXH, EXP/BRK MDL, INFO, and TREC Fuses
Radio Power, Ground, Serial Data, and Antenna Signals
G301