GM Service Manual Online
For 1990-2009 cars only
Figure 1:

Module Power, Ground, Serial Data and MIL


Object Number: 1990242  Size: FS
Master Electrical Component List
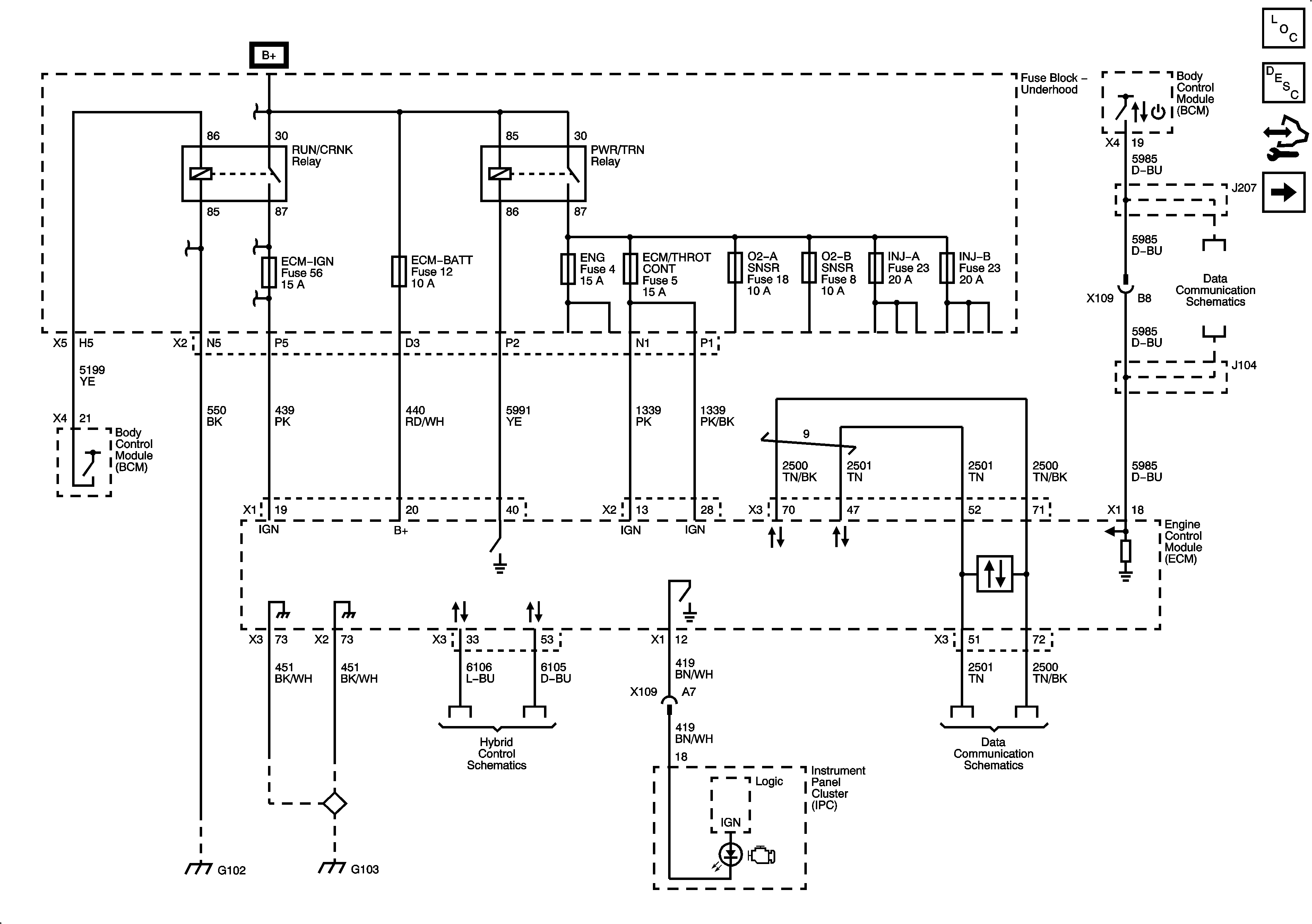
Engine Control Module Description
Control Module References
Engine Data Sensors - 5-Volt and Low Reference
RUN/CRANK Bus - ECM-IGN and TRANS IGN 1 Fuses
ECM-BATT, HEADLAMP WASH, HVAC BATT, IPC, LTR, S/ROOF, and TCM-BATT Fuses
PWR/TRN Bus - ECM/THROT CONT, ENG, O2-A SNSR, and O2-B SNSR Fuses
PWR/TRN Bus - ECM/THROT CONT, ENG, O2-A SNSR, and O2-B SNSR Fuses
PWR/TRN Bus - ECM/THROT CONT, ENG, O2-A SNSR, and O2-B SNSR Fuses
PWR/TRN Bus - ECM/THROT CONT, ENG, O2-A SNSR, and O2-B SNSR Fuses
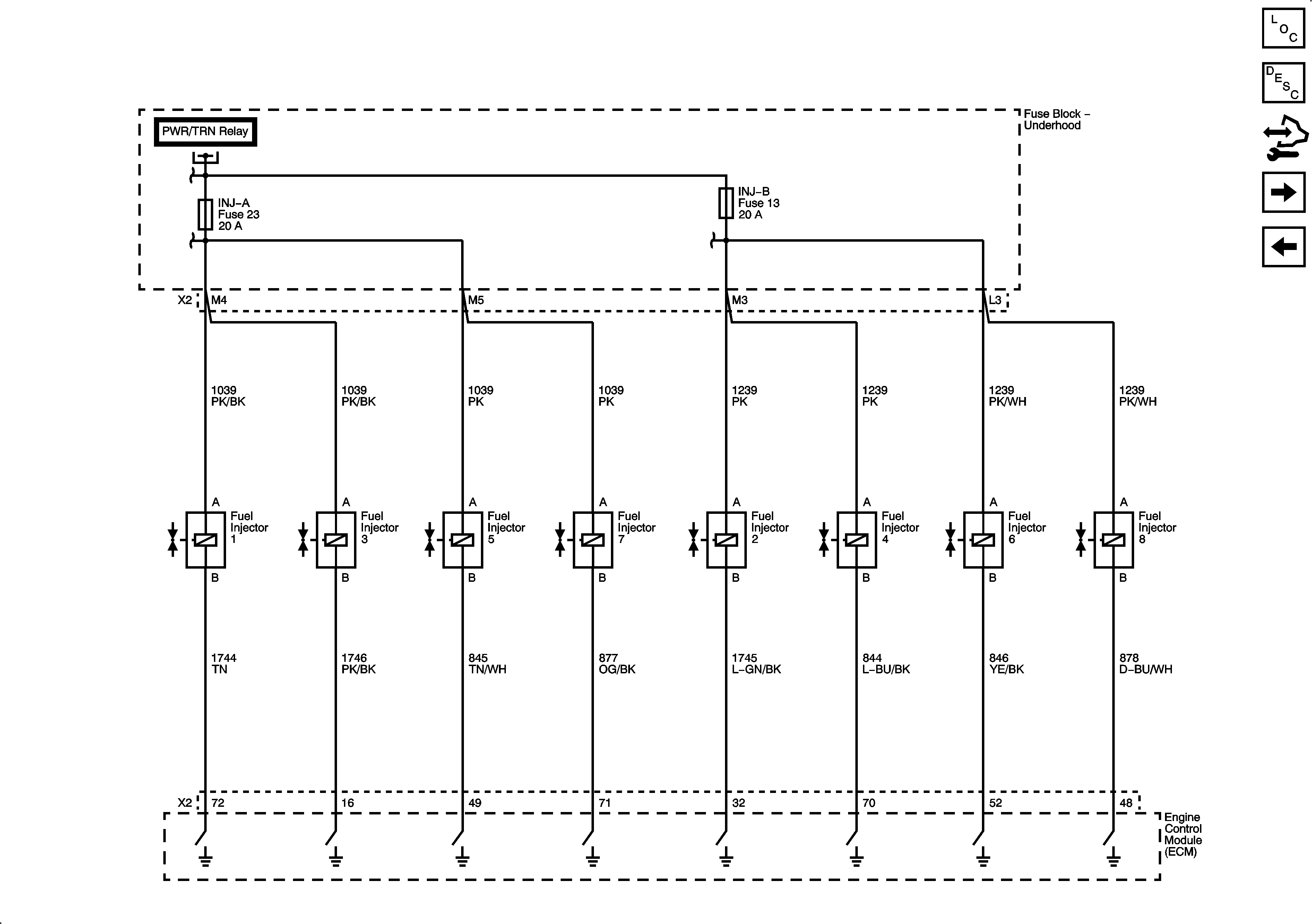
PWR/TRN Bus - INJ-A and INJ-B Fuses
PWR/TRN Bus - INJ-A and INJ-B Fuses
Serial Data Communication Enable and Wake-up Circuits
G102, G104, and G108
G103, G110 and G111
Drive Motor Generator Power Inverter Module Power and Data Communication, High Voltage A/C Compressor Control
High Speed Bus (HP2)
Figure 2:

Engine Data Sensors - 5-Volt and Low Reference


Object Number: 1990243  Size: FS
Master Electrical Component List
Engine Control Module Description
Control Module References
Engine Data Sensors - Pressure and Temperature
Module Power, Ground, Serial Data and MIL
Figure 3:

Engine Data Sensors - Pressure and Temperature


Object Number: 1990244  Size: FS
Master Electrical Component List
Engine Control Module Description
Control Module References
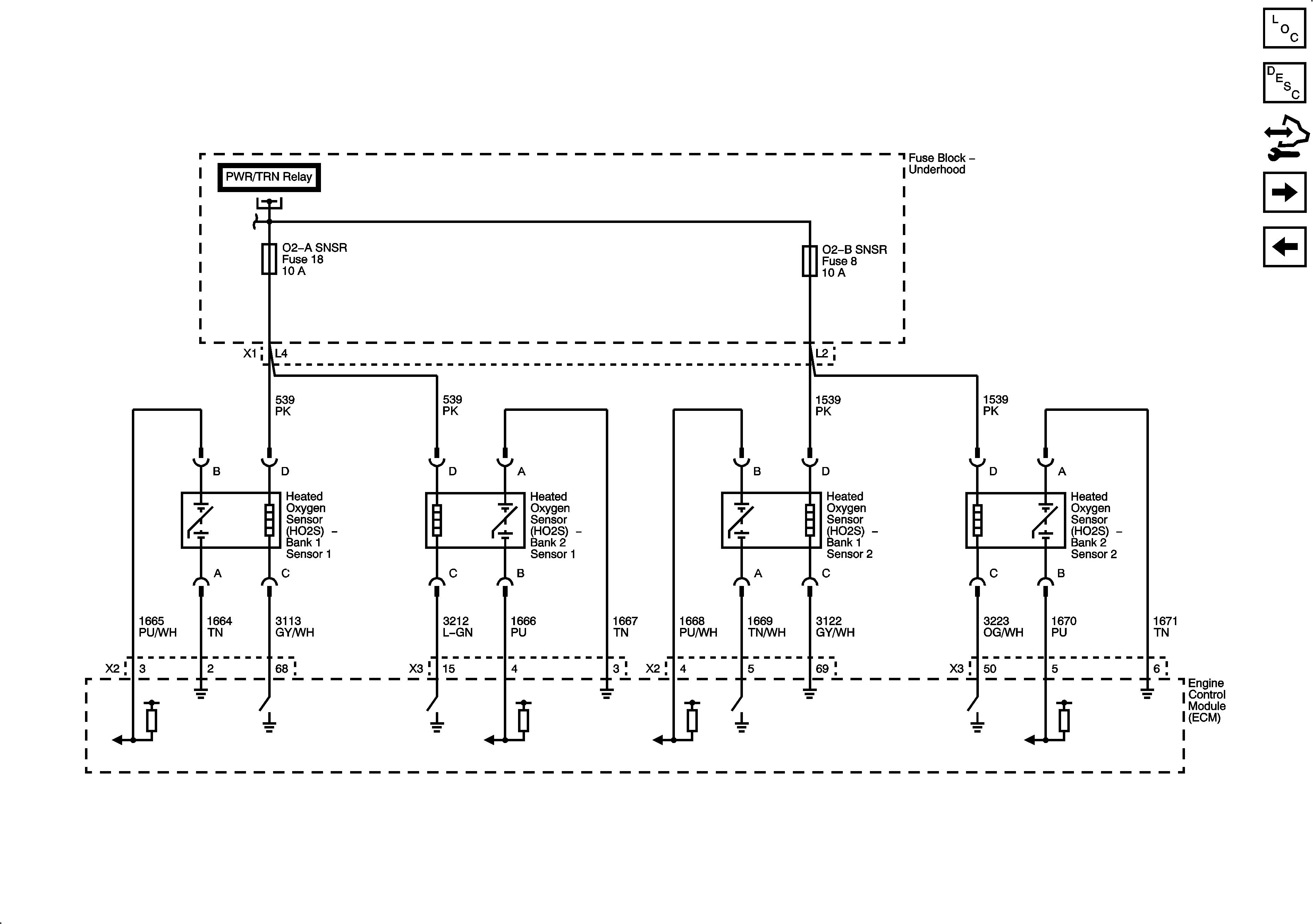
Engine Data Sensors - Oxygen Sensors
Engine Data Sensors - 5-Volt and Low Reference
PWR/TRN Bus - ECM/THROT CONT, ENG, O2-A SNSR, and O2-B SNSR Fuses
G103, G110 and G111
Figure 4:

Engine Data Sensors - Oxygen Sensors


Object Number: 1990245  Size: FS
Master Electrical Component List
Engine Control Module Description
Control Module References
Engine Data Sensors - Throttle Controls
Engine Data Sensors - Pressure and Temperature
PWR/TRN Bus - ECM/THROT CONT, ENG, O2-A SNSR, and O2-B SNSR Fuses
PWR/TRN Bus - ECM/THROT CONT, ENG, O2-A SNSR, and O2-B SNSR Fuses
Figure 5:

Engine Data Sensors - Throttle Controls


Object Number: 1990246  Size: FS
Master Electrical Component List
Throttle Actuator Control (TAC) System Description
Control Module References
Ignition Controls - Ignition System Coils 1, 3, 5, and 7
Engine Data Sensors - Oxygen Sensors
Figure 6:

Ignition Controls - Ignition System Coils - 1, 3, 5, and 7


Object Number: 1990247  Size: FS
Master Electrical Component List
Electronic Ignition (EI) System Description
Control Module References
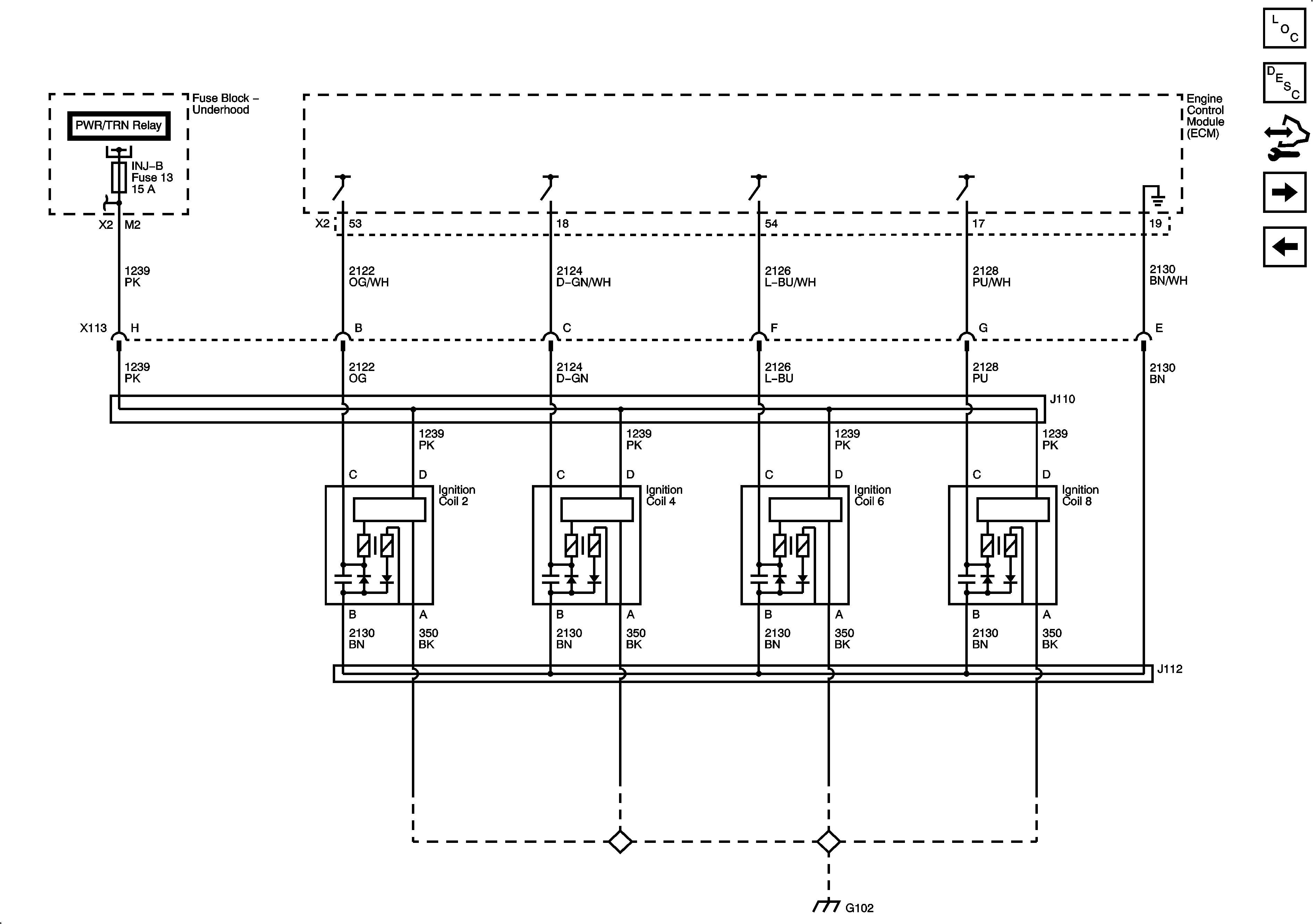
Ignition Controls - Ignition System Coils 2, 4, 6, and 8
Engine Data Sensors - Throttle Controls
PWR/TRN Bus - INJ-A and INJ-B Fuses
Figure 7:

Ignition Controls - Ignition System Coils - 2, 4, 6, and 8


Object Number: 1990251  Size: FS
Master Electrical Component List
Electronic Ignition (EI) System Description
Control Module References
Ignition Controls - Sensors and Active Fuel Management (AFM) Controls
Ignition Controls - Ignition System Coils 1, 3, 5, and 7
PWR/TRN Bus - INJ-A and INJ-B Fuses
G102, G104, and G108
Figure 8:

Ignition Controls - Sensors and Active Fuel Management (AFM) Controls


Object Number: 1990254  Size: FS
Master Electrical Component List
Electronic Ignition (EI) System Description
Control Module References
Fuel Pump Flow Control Module
Ignition Controls - Ignition System Coils 2, 4, 6, and 8
PWR/TRN Bus - ECM/THROT CONT, ENG, O2-A SNSR, and O2-B SNSR Fuses
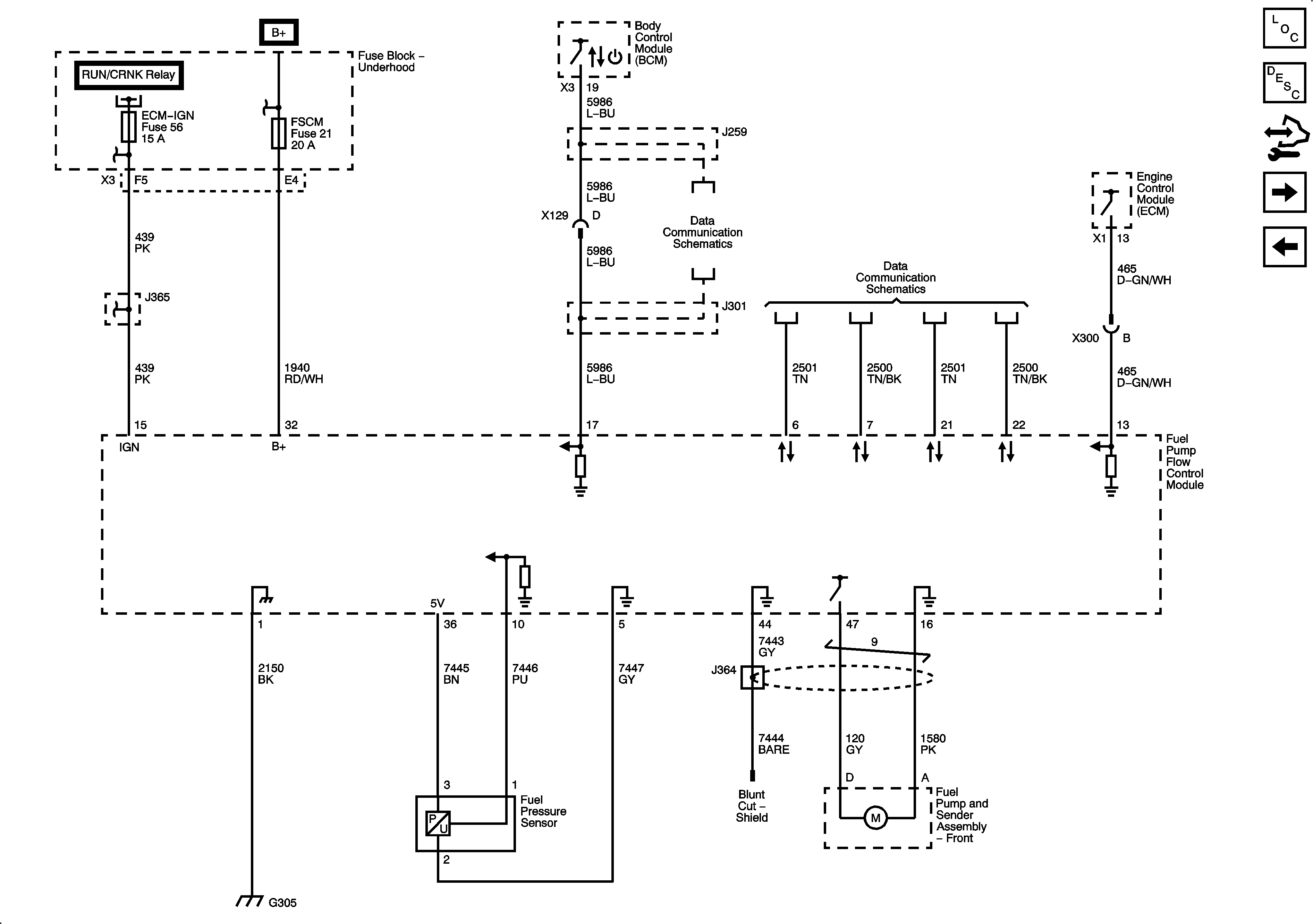
Figure 9:

Fuel Pump Flow Control Module


Object Number: 1990257  Size: FS
Master Electrical Component List
Fuel System Description
Control Module References
Fuel Controls - Fuel Injectors
Ignition Controls - Sensors and Active Fuel Management (AFM) Controls
RUN/CRANK Bus - ECM-IGN and TRANS IGN 1 Fuses
ECM-BATT, HEADLAMP WASH, HVAC BATT, IPC, LTR, S/ROOF, and TCM-BATT Fuses
Serial Data Communication Enable and Wake-up Circuits
HIgh Speed Bus - 2 of 2
G303, G304, and G305
Figure 10:

Fuel Controls - Fuel Injectors


Object Number: 1990259  Size: FS
Master Electrical Component List
Fuel System Description
Control Module References
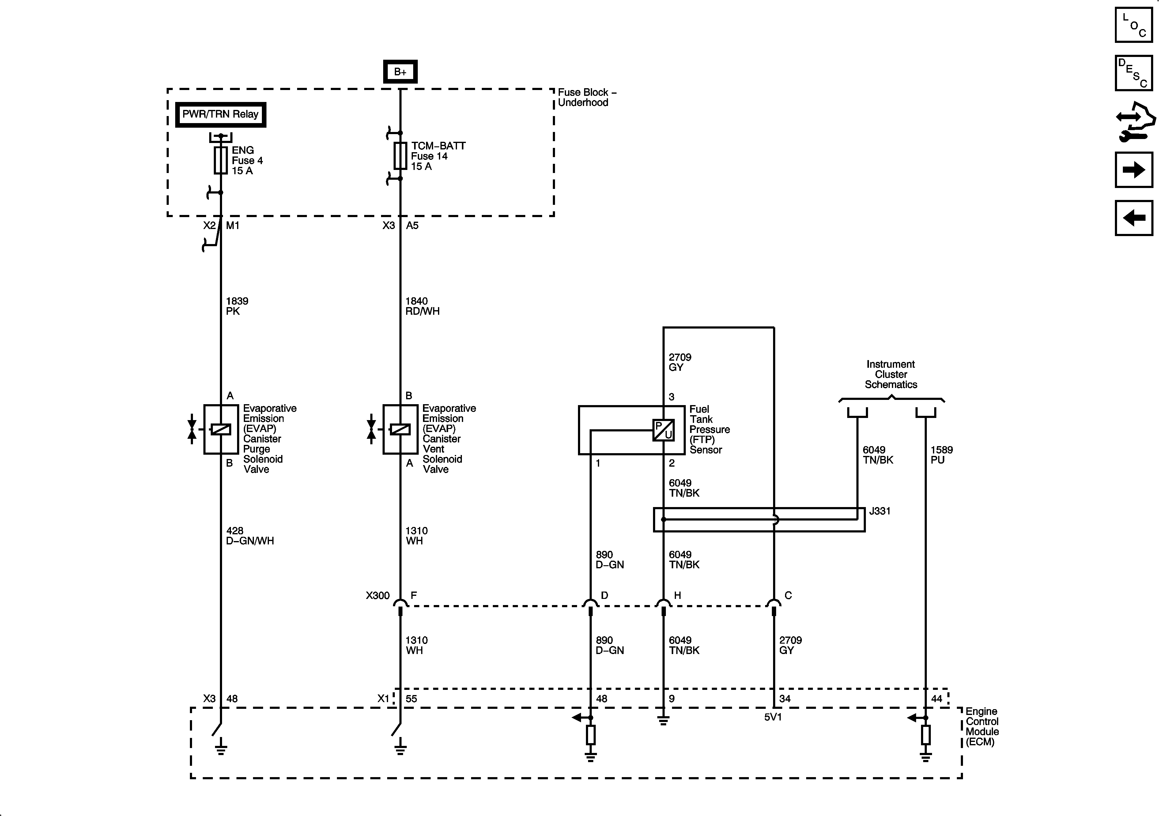
Fuel Controls - EVAP Controls
Fuel Pump Flow Control Module
PWR/TRN Bus - INJ-A and INJ-B Fuses
PWR/TRN Bus - INJ-A and INJ-B Fuses
Figure 11:

Fuel Controls - EVAP Controls


Object Number: 1990260  Size: FS
Master Electrical Component List
Evaporative Emission Control System Description
Control Module References
Controlled/Monitored Subsystem References
Fuel Controls - Fuel Injectors
PWR/TRN Bus - ECM/THROT CONT, ENG, O2-A SNSR, and O2-B SNSR Fuses
ECM-BATT, HEADLAMP WASH, HVAC BATT, IPC, LTR, S/ROOF, and TCM-BATT Fuses
Gages
Figure 12:

Controlled/Monitored Subsystem References


Object Number: 1990261  Size: FS
Master Electrical Component List
Engine Control Module Description
Control Module References
Fuel Controls - EVAP Controls
Engine Cooling (HP2)
Electronics Cooling
A/C Compressor Controls (HP2)
Stop Lamp Controls and CHMSL
Immobilizer Schematics
Module Power, Ground, Serial Data, and Stop Lamp Switch
Gages