GM Service Manual Online
For 1990-2009 cars only
Makes
🢒
Chevrolet
🢒
2008
🢒
Avalanche - 2WD
🢒
Diagnostic Navigation
🢒
Vehicle Diagnostic Information
🢒 Theft Deterrent System Schematics
Figure
1:
Content Theft Deterrent
Master Electrical Component List
Content Theft Deterrent (CTD) Description and Operation
Control Module References
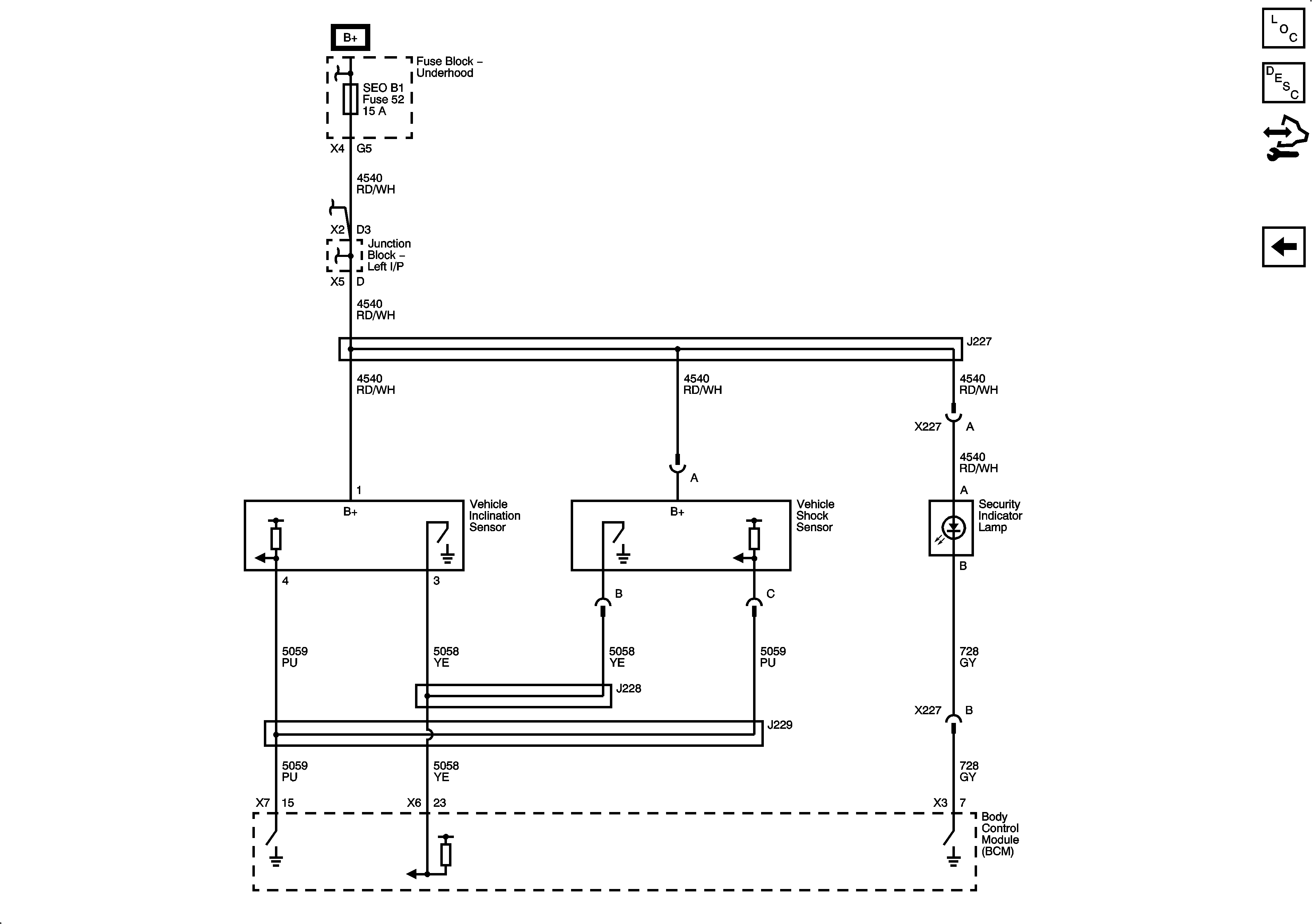
SPO Alarm
Door Jamb Switches
Door Jamb Switches
Data Communication Schematics
Horn Schematics
Park Lamp Controls and Front Park Lamps
Low Beam and Daytime Running Lamps - X88 or Z88
Door Jamb Switches
Figure
2:
SPO Alarm
Master Electrical Component List
Content Theft Deterrent (CTD) Description and Operation
Control Module References
Content Theft Deterrent
AIRBAG, SEO B1, and SEO B2 Fuses