GM Service Manual Online
For 1990-2009 cars only
Figure 1:

Main Power Contactors


Object Number: 1976386  Size: FS
Master Electrical Component List
Drive Motor Generator Control Module Description and Operation
Control Module References
Drive Motor Generator Power Inverter Module Power and Data Communication, High Voltage A/C Compressor Control
Main Power Contactors
Main Power Contactors
G300, G302, G311, G312, G313, and G314
G300, G302, G311, G312, G313, and G314
G300, G302, G311, G312, G313, and G314
Figure 2:

Drive Motor Generator Power Inverter Module Power and Data Communication, High Voltage A/C Compressor Control


Object Number: 1976387  Size: FS
Master Electrical Component List
Drive Motor Generator Control Module Description and Operation
Control Module References
Accessory DC Power Control, Hybrid Power Steering
Main Power Contactors
ACCM, ACPO, BECM, BECM FAN, CAB HTR PUMP, COOL PUMP, EPS, PIM 1 and PIM 2 Fuses
ACCM, ACPO, BECM, BECM FAN, CAB HTR PUMP, COOL PUMP, EPS, PIM 1 and PIM 2 Fuses
RUN/CRANK Bus - ECM-IGN and TRANS IGN 1 Fuses
High Speed Bus (HP2)
Ignition Controls - Sensors and Active Fuel Management (AFM) Controls
Drive Motor with Generator Assembly - 1st Position
Drive Motor with Generator Assembly - 2nd Position
Figure 3:

Accessory DC Power Control, Hybrid Power Steering


Object Number: 1976388  Size: FS
Master Electrical Component List
Drive Motor Generator Control Module Description and Operation
Control Module References
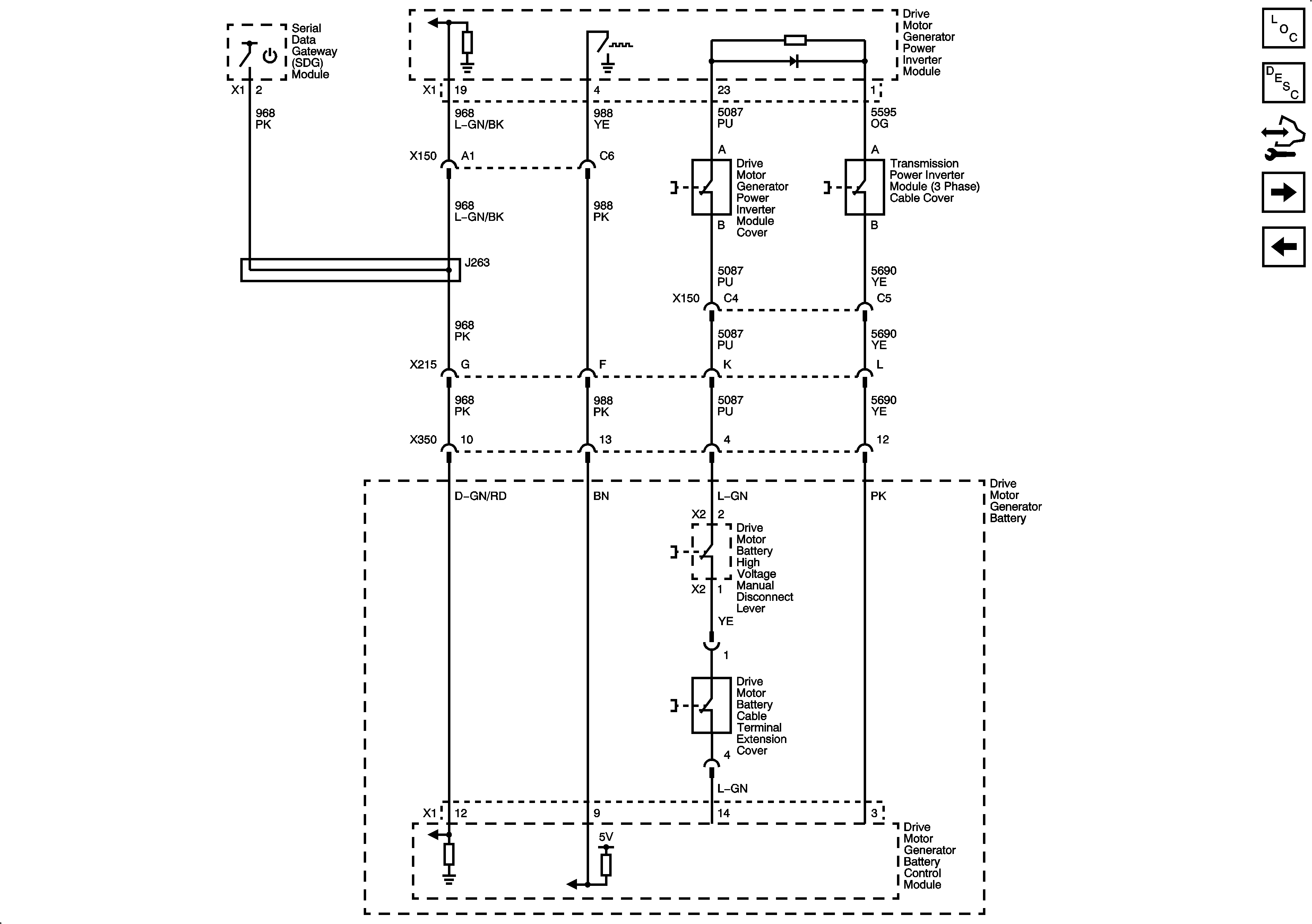
High Voltage Interlock Loop (HVIC), Contactor Control Circuit
Drive Motor Generator Power Inverter Module Power and Data Communication, High Voltage A/C Compressor Control
ACCM, ACPO, BECM, BECM FAN, CAB HTR PUMP, COOL PUMP, EPS, PIM 1 and PIM 2 Fuses
Serial Data Communication Enable and Wake-up Circuits
G101
G103, G110 and G111
G103, G110 and G111
High Speed Bus (HP2)
Figure 4:

High Voltage Interlock Circuit (HVIC), Contactor Control Circuit


Object Number: 1976381  Size: FS
Master Electrical Component List
Drive Motor Generator Control Module Description and Operation
Control Module References
Drive Motor with Generator Assembly - 1st Position
Accessory DC Power Control, Hybrid Power Steering
Figure 5:

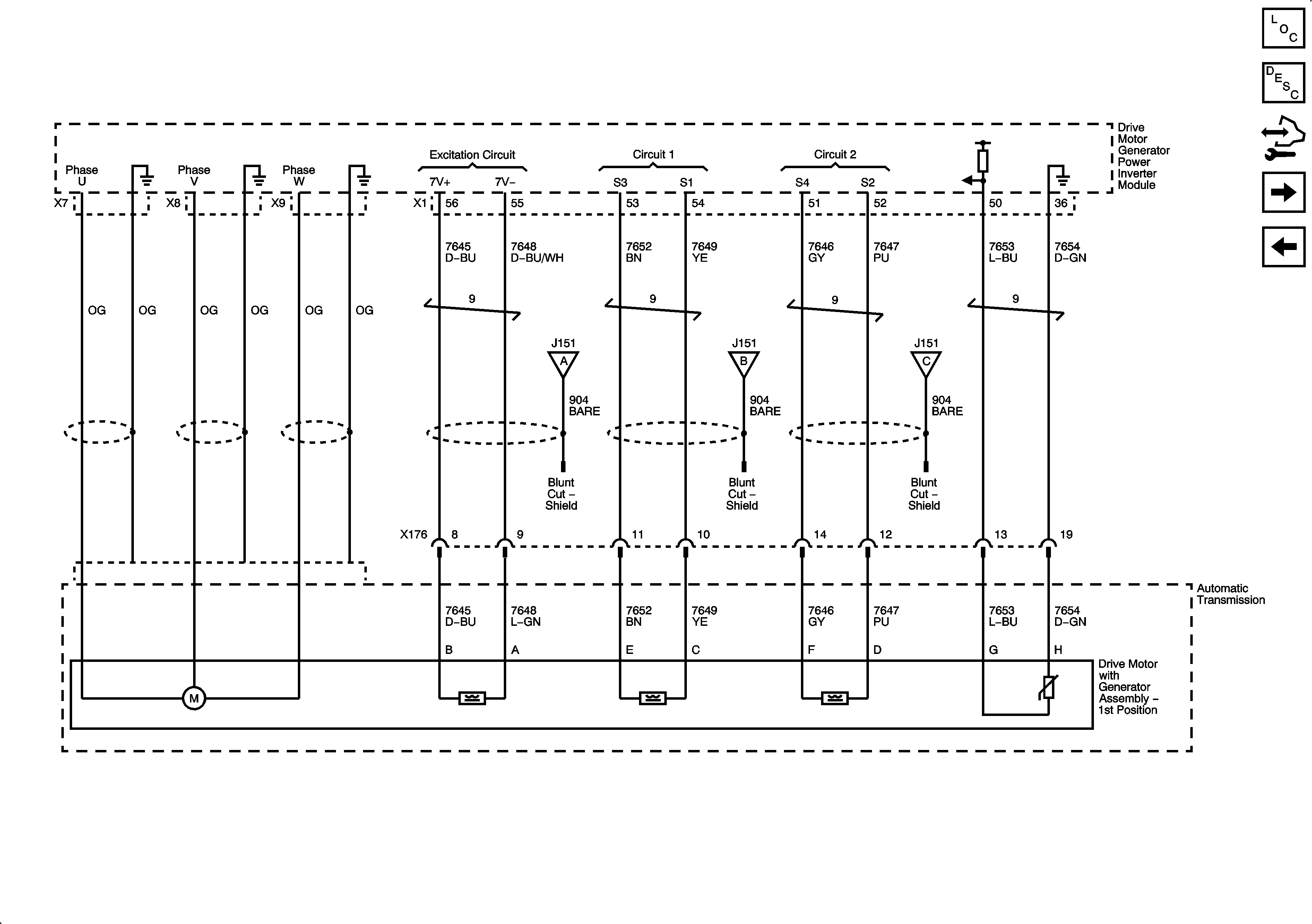
Drive Motor with Generator Assembly - 1st Position


Object Number: 1976390  Size: FS
Master Electrical Component List
Drive Motor Generator Control Module Description and Operation
Control Module References
Drive Motor with Generator Assembly - 2nd Position
High Voltage Interlock Loop (HVIC), Contactor Control Circuit
Drive Motor Generator Power Inverter Module Power and Data Communication, High Voltage A/C Compressor Control
Drive Motor Generator Power Inverter Module Power and Data Communication, High Voltage A/C Compressor Control
Drive Motor Generator Power Inverter Module Power and Data Communication, High Voltage A/C Compressor Control
Figure 6:

Drive Motor with Generator Assembly - 2nd Position


Object Number: 1976391  Size: FS
Master Electrical Component List
Drive Motor Generator Control Module Description and Operation
Control Module References
Transmission Pump and Range Signals
Drive Motor with Generator Assembly - 1st Position
Drive Motor Generator Power Inverter Module Power and Data Communication, High Voltage A/C Compressor Control
Drive Motor Generator Power Inverter Module Power and Data Communication, High Voltage A/C Compressor Control
Drive Motor Generator Power Inverter Module Power and Data Communication, High Voltage A/C Compressor Control
Figure 7:

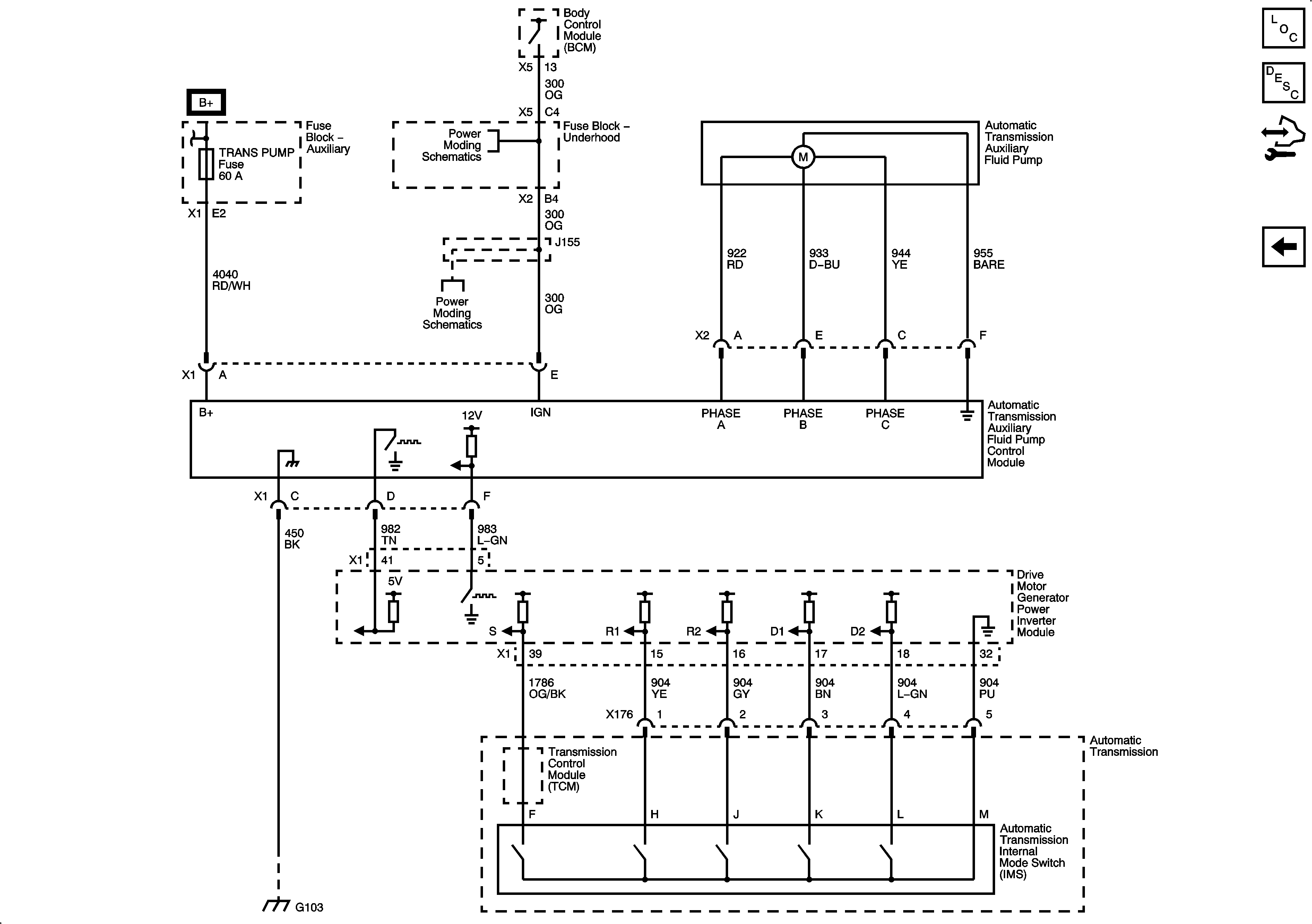
Transmission Pump and Range Signals


Object Number: 1988284  Size: FS
Master Electrical Component List
Drive Motor Generator Control Module Description and Operation
Control Module References
Drive Motor with Generator Assembly - 2nd Position
ACCM, ACPO, BECM, BECM FAN, CAB HTR PUMP, COOL PUMP, EPS, PIM 1 and PIM 2 Fuses
Ignition 3 and Accessory Voltage
Ignition 3 and Accessory Voltage
G103, G110 and G111