GM Service Manual Online
For 1990-2009 cars only
Makes
🢒
Chevrolet
🢒
2008
🢒
Avalanche - 2WD
🢒
Diagnostic Navigation
🢒
Vehicle Diagnostic Information
🢒 Antilock Brake System Schematics
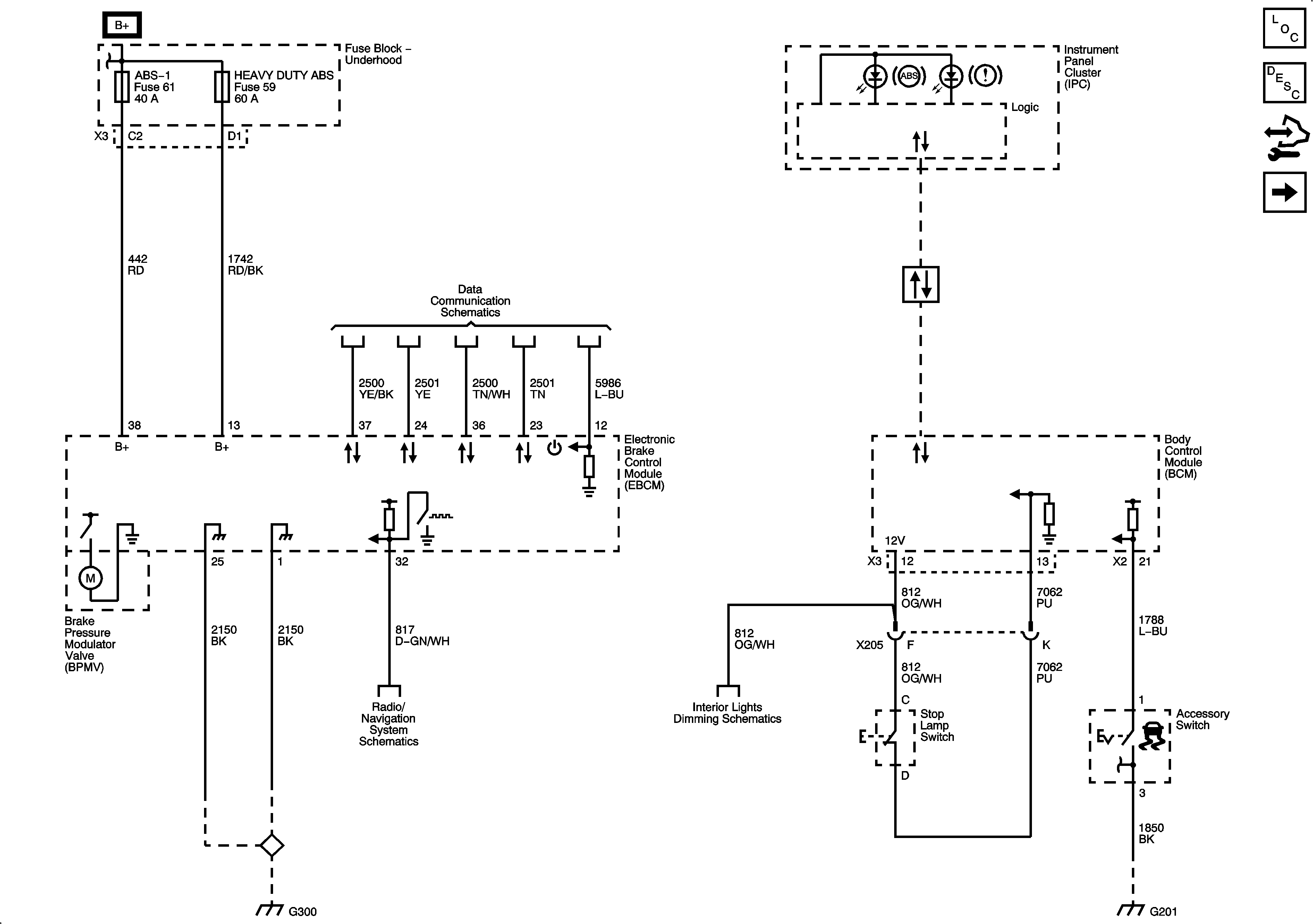
Figure
1:
Module Power, Ground, and Serial Data, Pump Motor and Brake Switch - JH6 Over 8600 GVW
Master Electrical Component List
ABS Description and Operation W JH6
Control Module References
JH6 Over 8600 GVW
Figure
2:
JH6 Over 8600 GVW
Master Electrical Component List
ABS Description and Operation W JH6
Control Module References
Module Power, Ground and Serial Data, Pump Motor and Brake Switch - JH6 Over 8600 GVW