GM Service Manual Online
For 1990-2009 cars only
Makes
🢒
Chevrolet
🢒
2008
🢒
Avalanche - 2WD
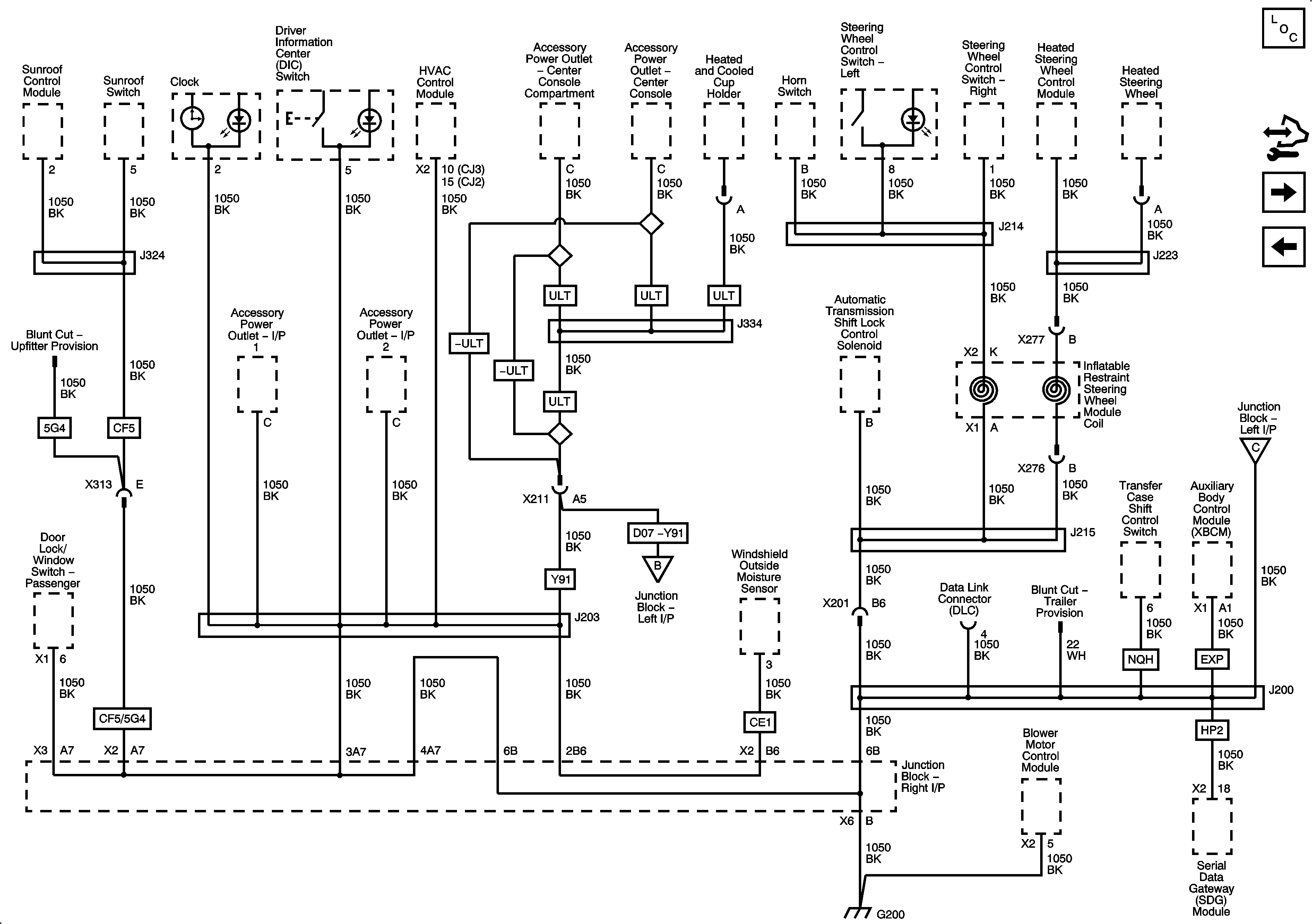
🢒 G200 - 1 of 2
G200 - 1 of 2
G200 - 1 of 2
Master Electrical Component List
Control Module References
G200 - 2 of 2
G103, G110 and G111
G200 - 2 of 2
G200 - 2 of 2