GM Service Manual Online
For 1990-2009 cars only
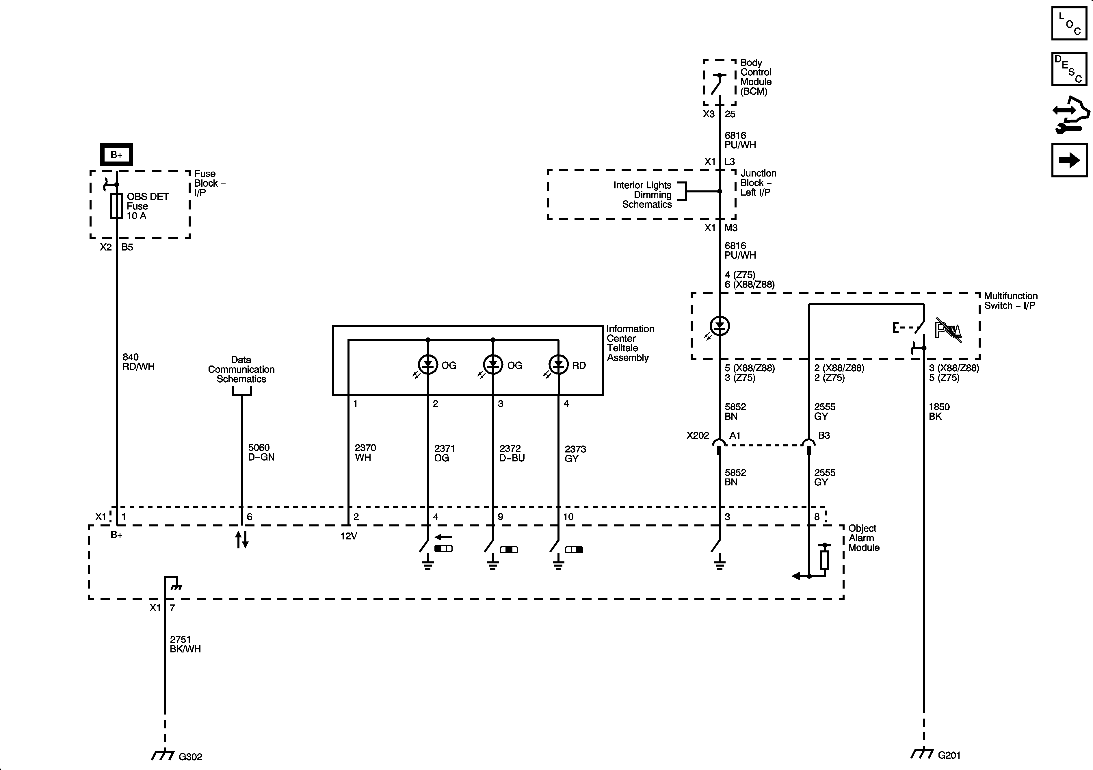
Figure 1:

Rear Object Sensing (UD7)


Object Number: 2075496  Size: FS
Figure 2:

Rear Object Sensors (UD7)


Object Number: 2075498  Size: FS
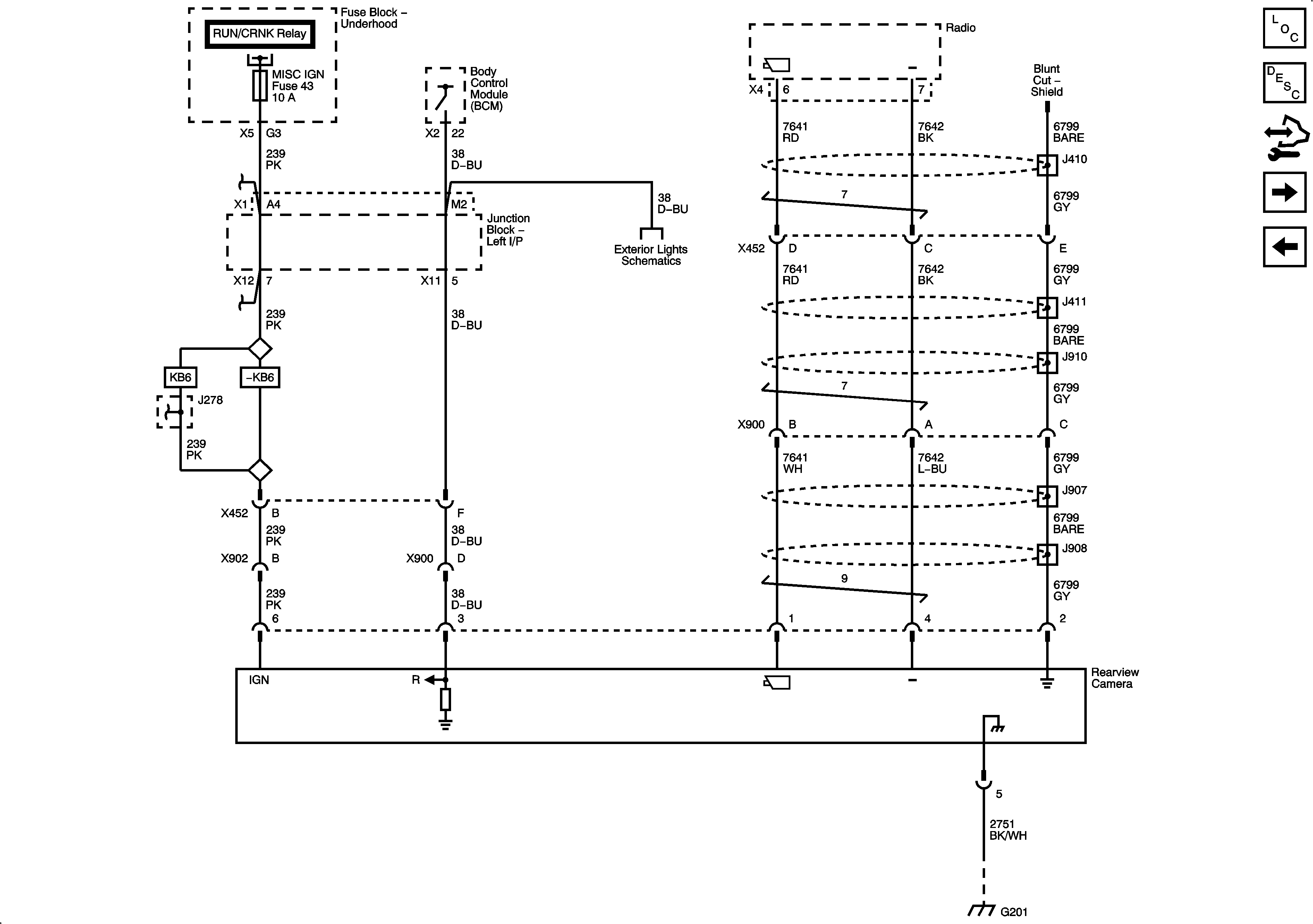
Figure 3:

Rear Video Camera - 1 of 2 (UVC)


Object Number: 2075500  Size: FS
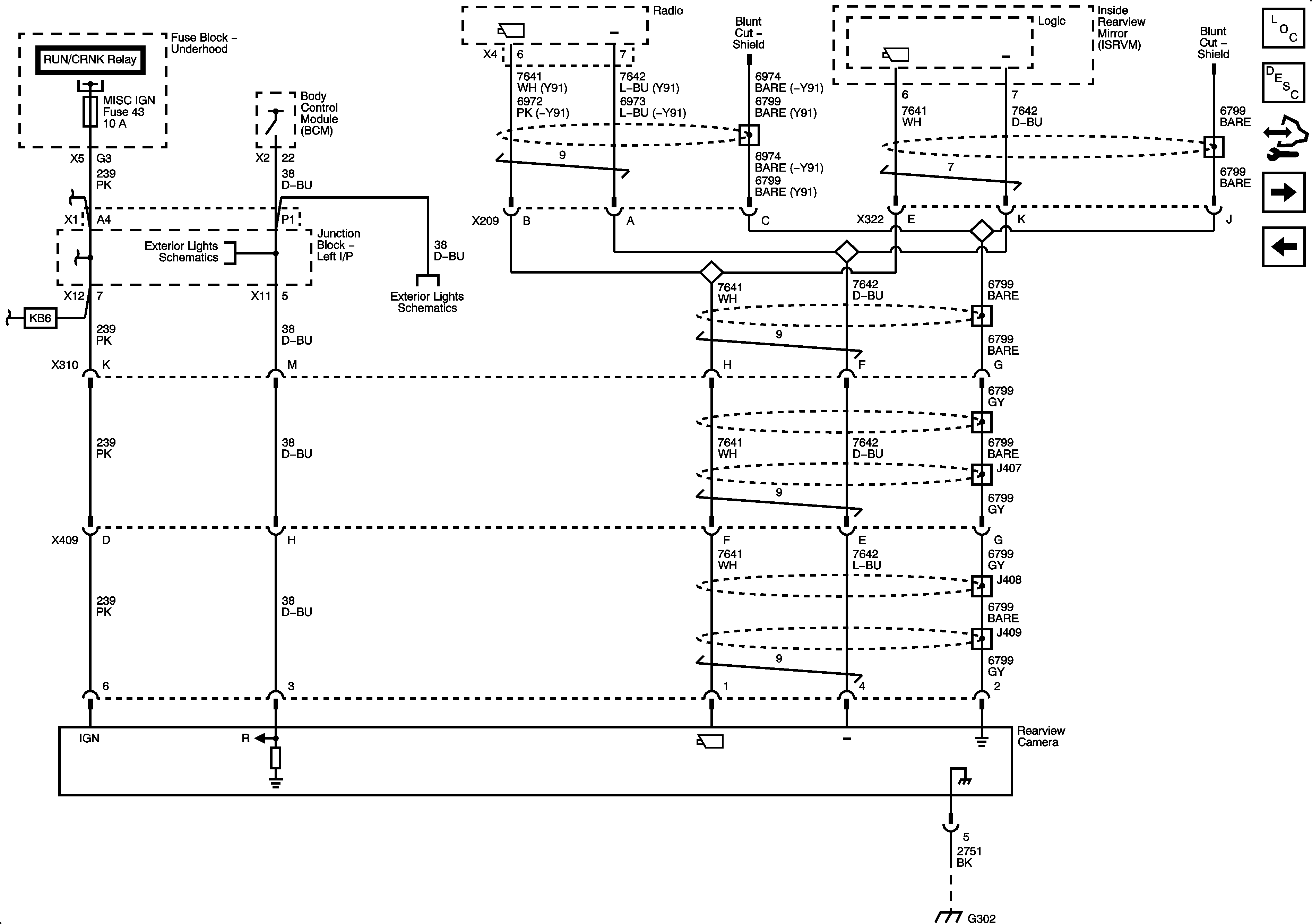
Figure 4:

Rear Video Camera 2 of 2 (UVC)


Object Number: 2075503  Size: FS
Figure 5:

SPO Accessory Rear Vision Camera


Object Number: 2156148  Size: FS
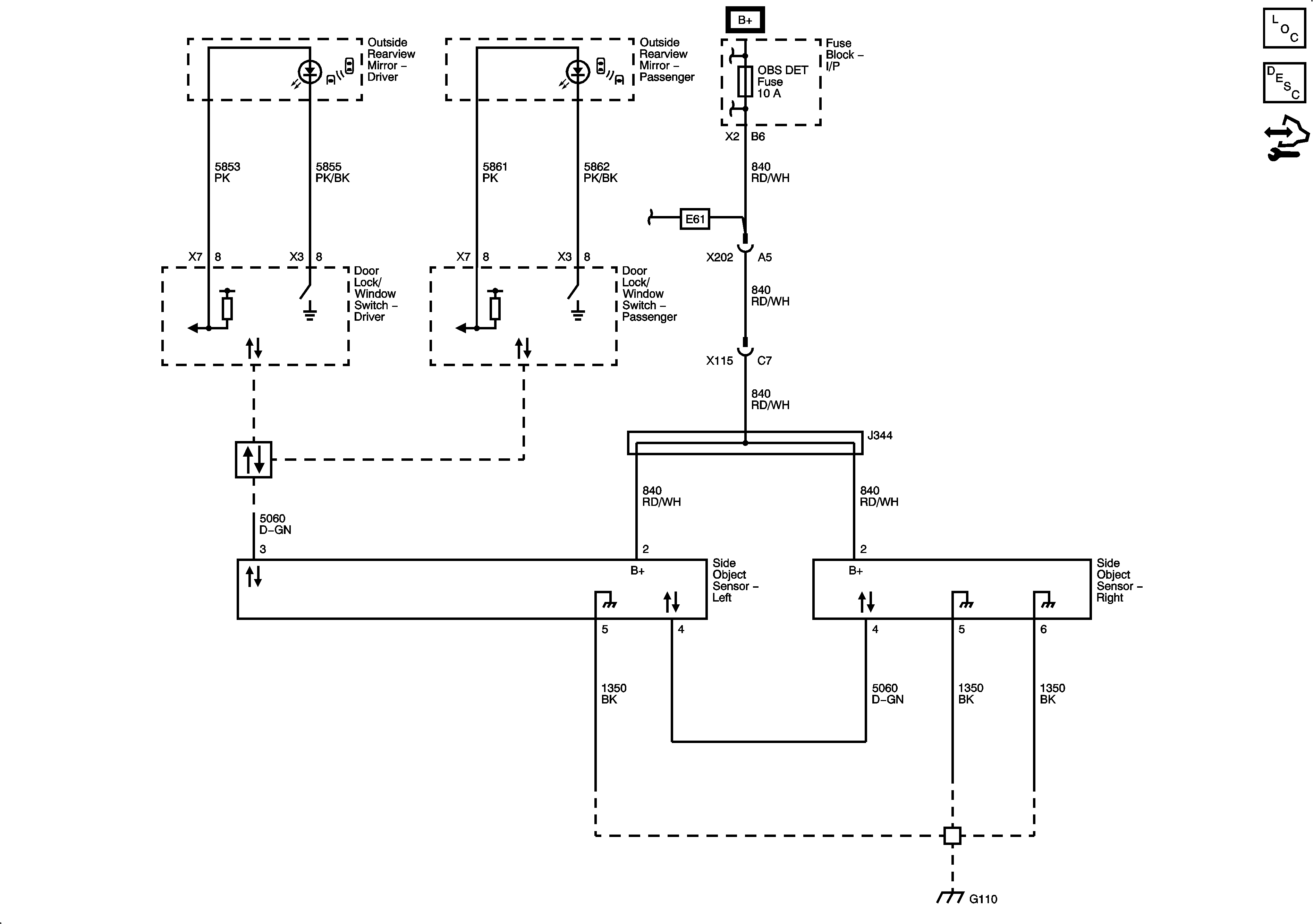
Figure 6:

Side Object Detection - UFT


Object Number: 2097067  Size: FS