GM Service Manual Online
For 1990-2009 cars only
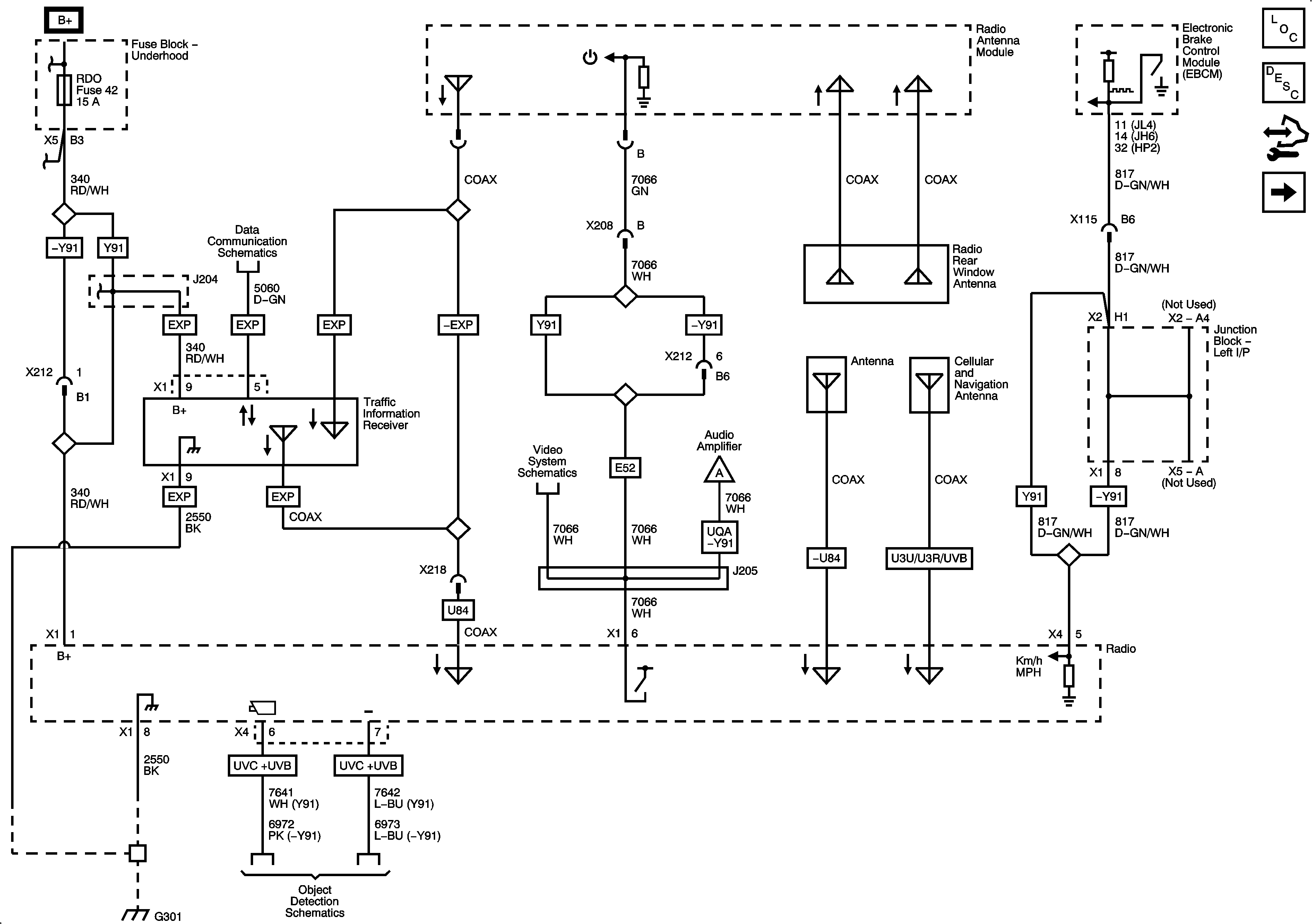
Figure 1:

Radio Power, Ground, Serial Data, and Antenna Signals


Object Number: 2075292  Size: FS
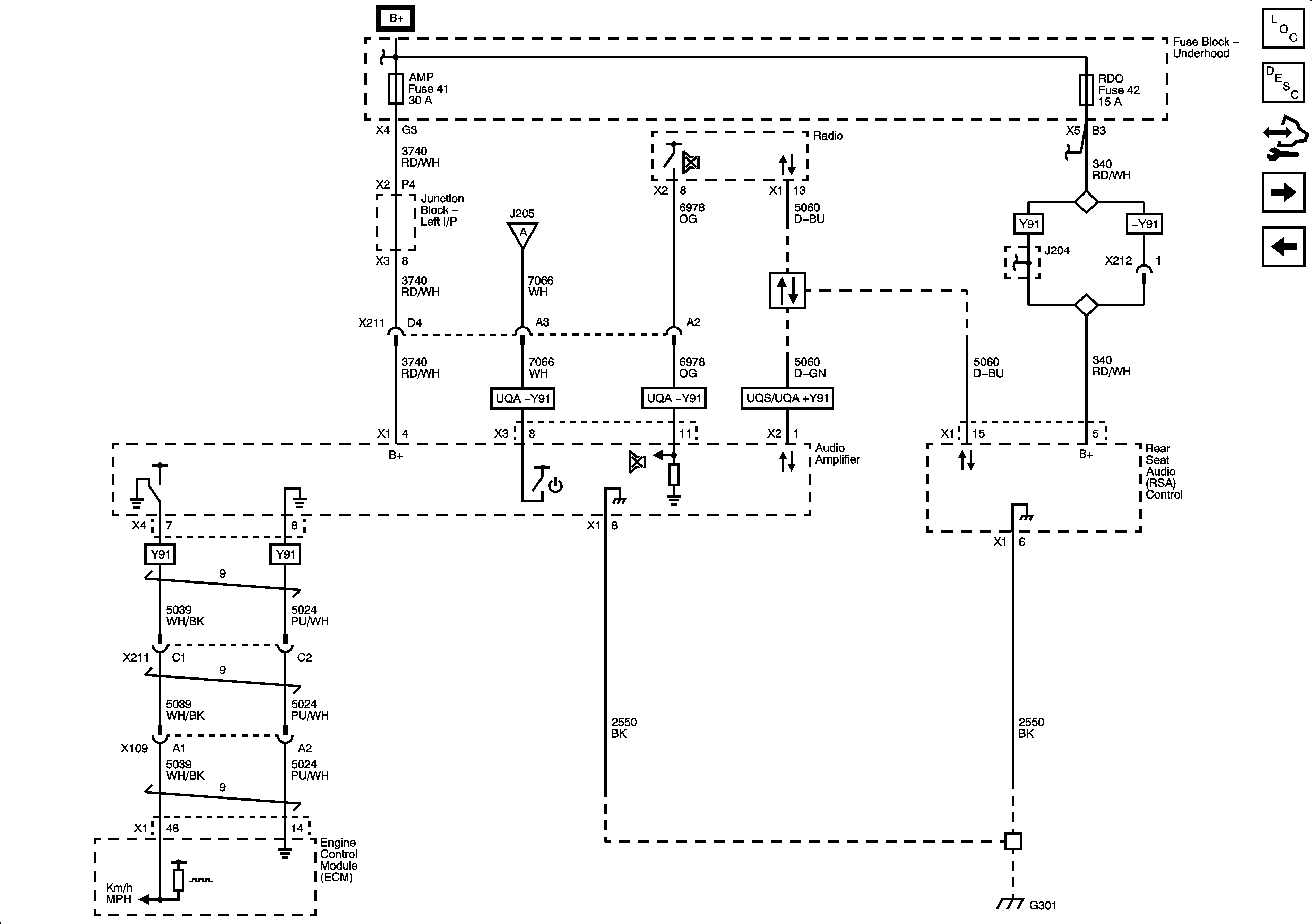
Figure 2:

Amplifier (UQA or UQS) and Rear Seat Audio (UK6) Power, Ground, and Serial Data


Object Number: 2075296  Size: FS
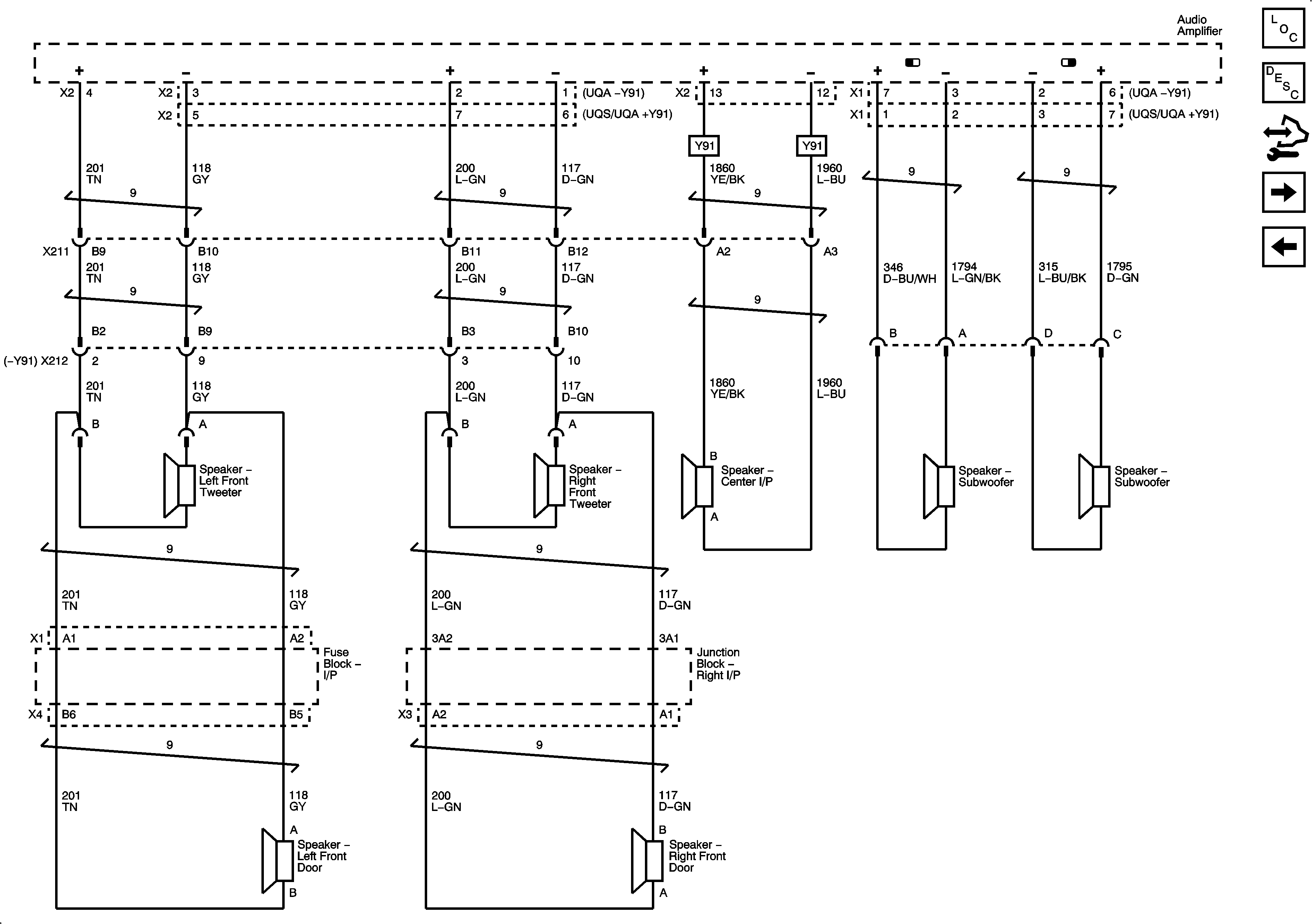
Figure 3:

Amplifier Inputs - UQA/UQS


Object Number: 2075298  Size: FS
Figure 4:

Front Speakers - UQ3


Object Number: 2075300  Size: FS
Figure 5:

Rear Speakers UQ3 Except UK6


Object Number: 2075302  Size: FS
Figure 6:

Rear Speakers - UQ3 with UK6


Object Number: 2075305  Size: FS
Figure 7:

Front Speakers - UQA/UQS


Object Number: 2075307  Size: FS
Figure 8:

Rear Speakers - UQA


Object Number: 2075309  Size: FS
Figure 9:

Rear Speakers - UQS


Object Number: 2075311  Size: FS
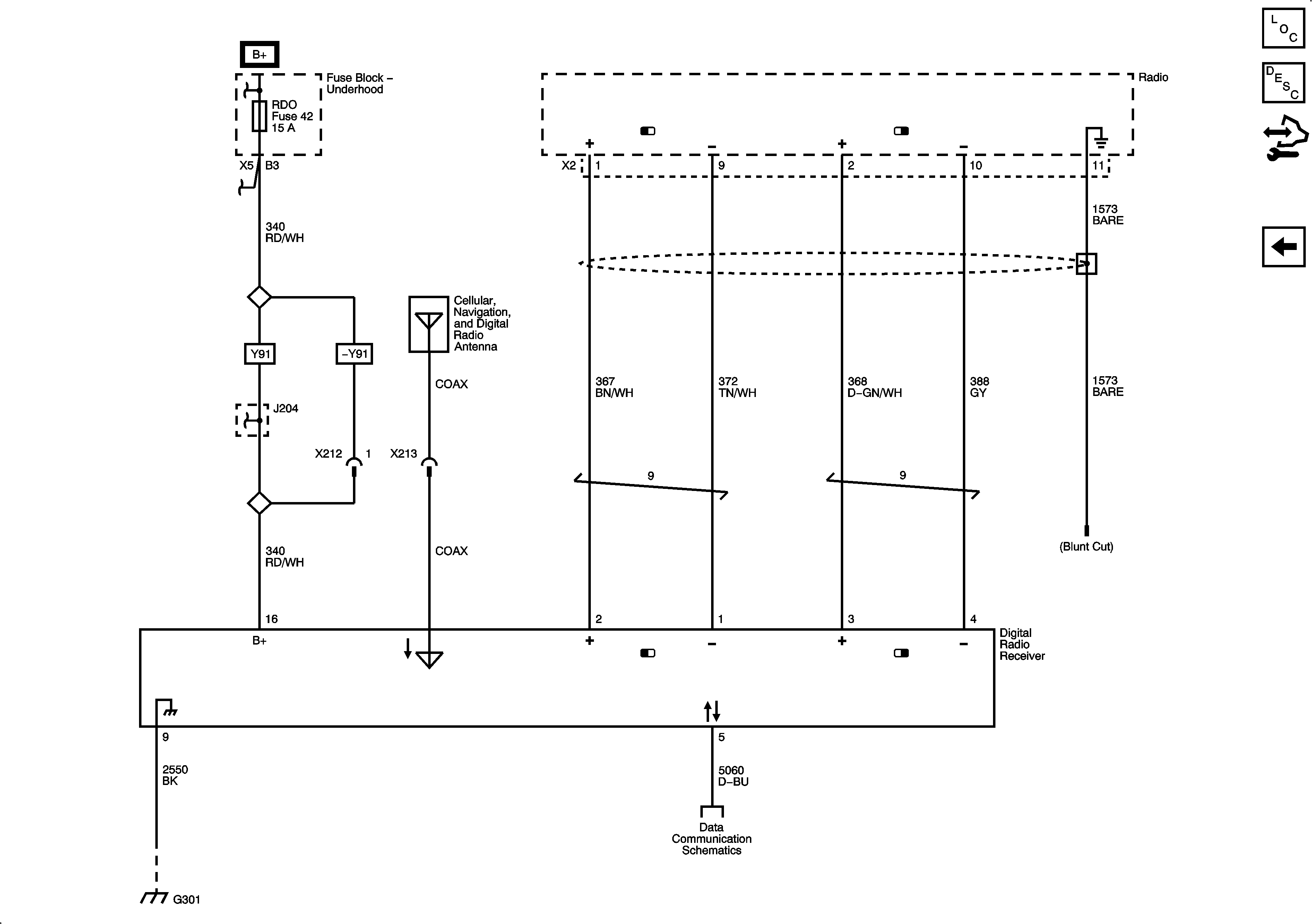
Figure 10:

Digital Radio Receiver - U2K


Object Number: 2075314  Size: FS