GM Service Manual Online
For 1990-2009 cars only
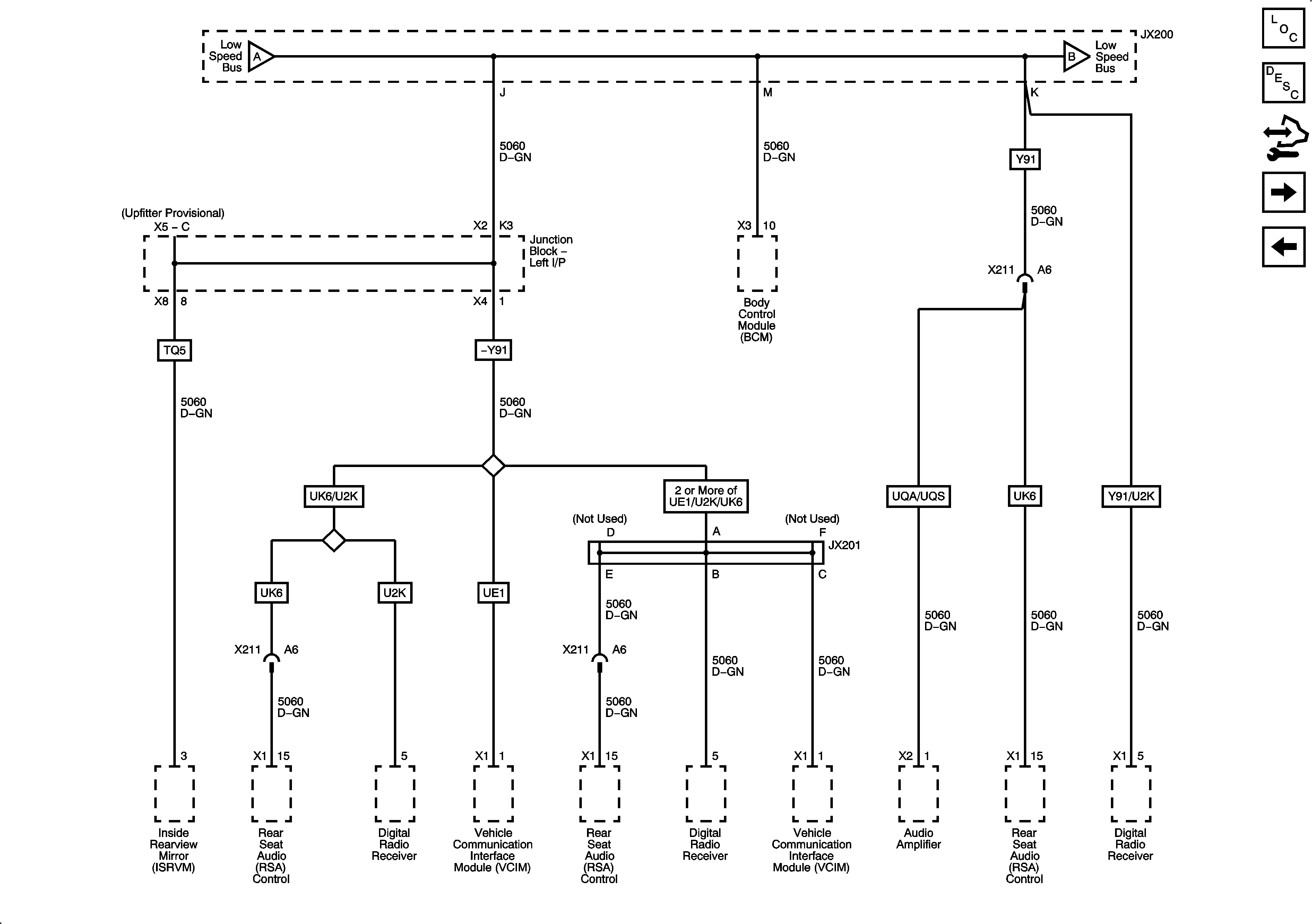
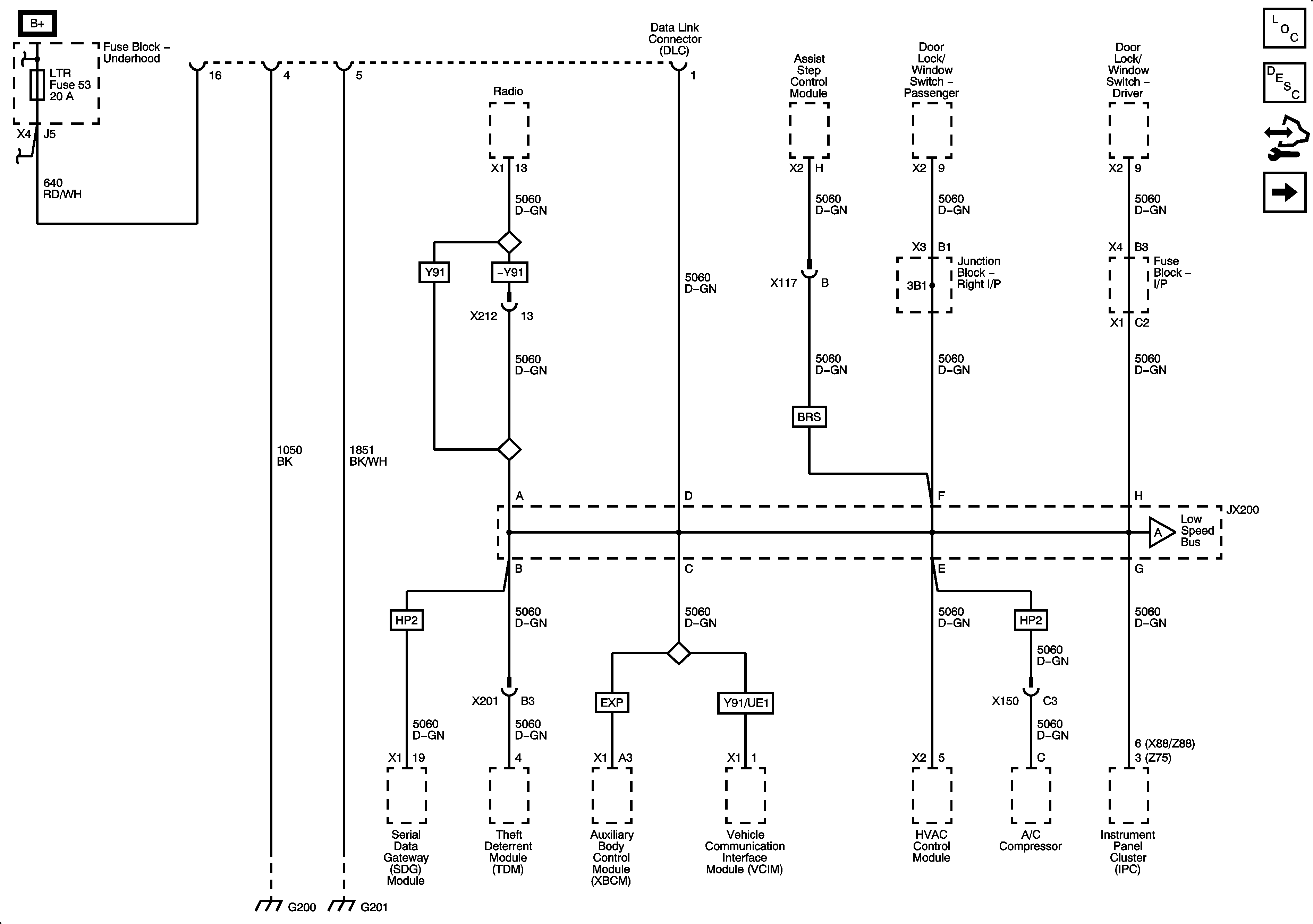
Figure 1:

Low Speed Bus - JX200 - 1 of 3


Object Number: 2074678  Size: FS
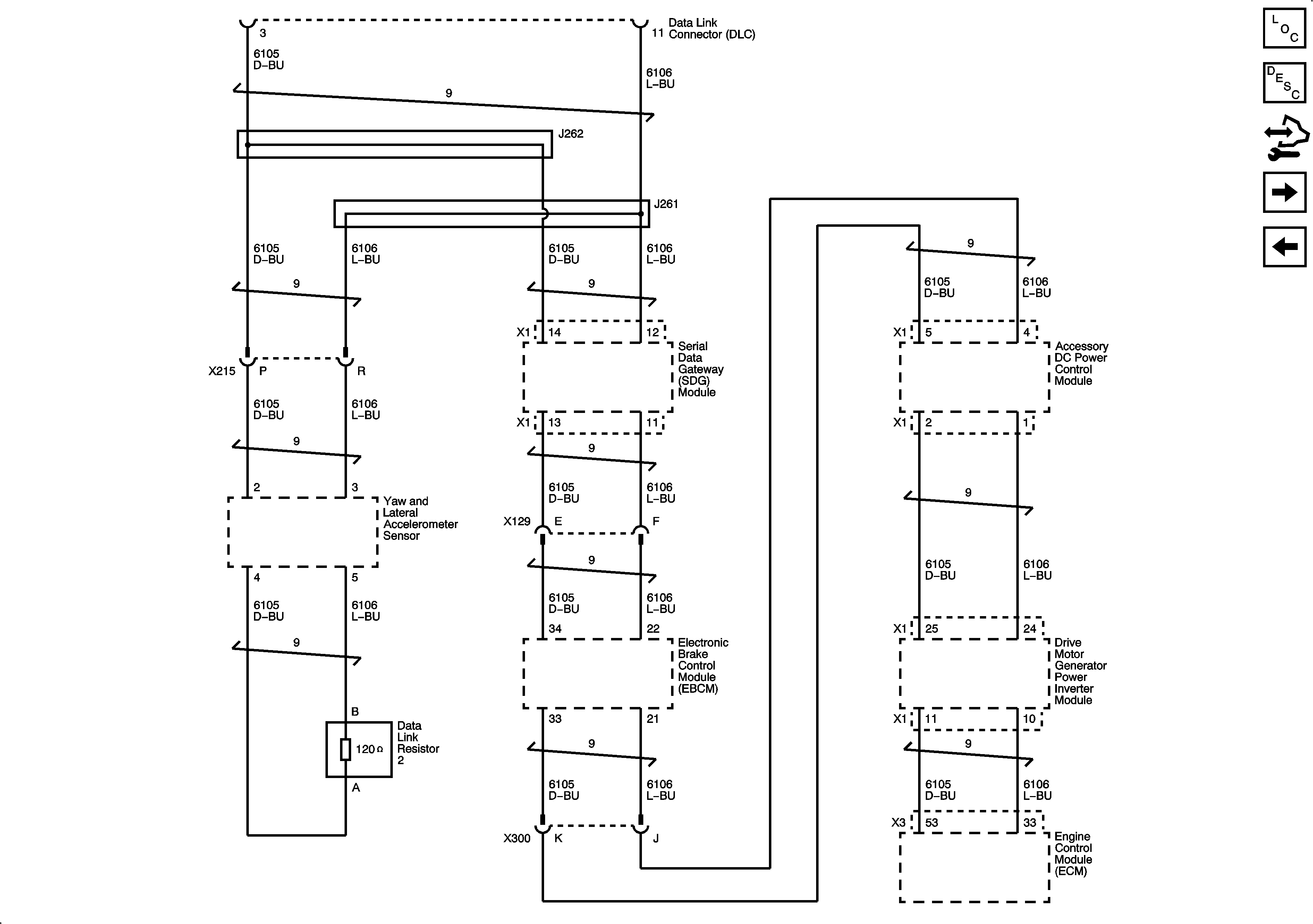
Figure 2:

Low Speed Bus - JX200 - 2 of 3


Object Number: 2074682  Size: FS
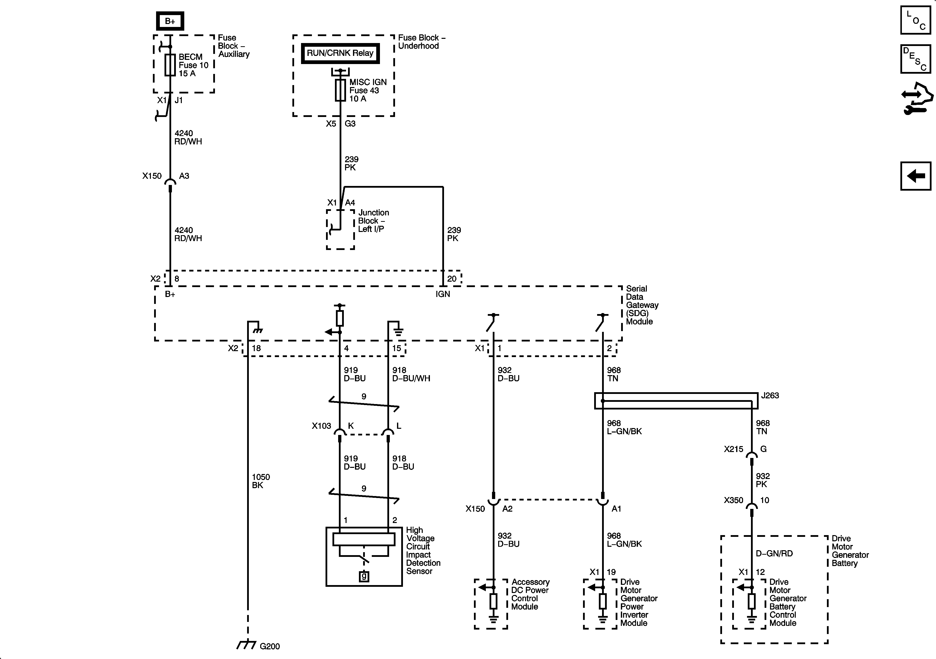
Figure 3:

Low Speed Bus - JX200 - 3 of 3 and JX300


Object Number: 2074685  Size: FP
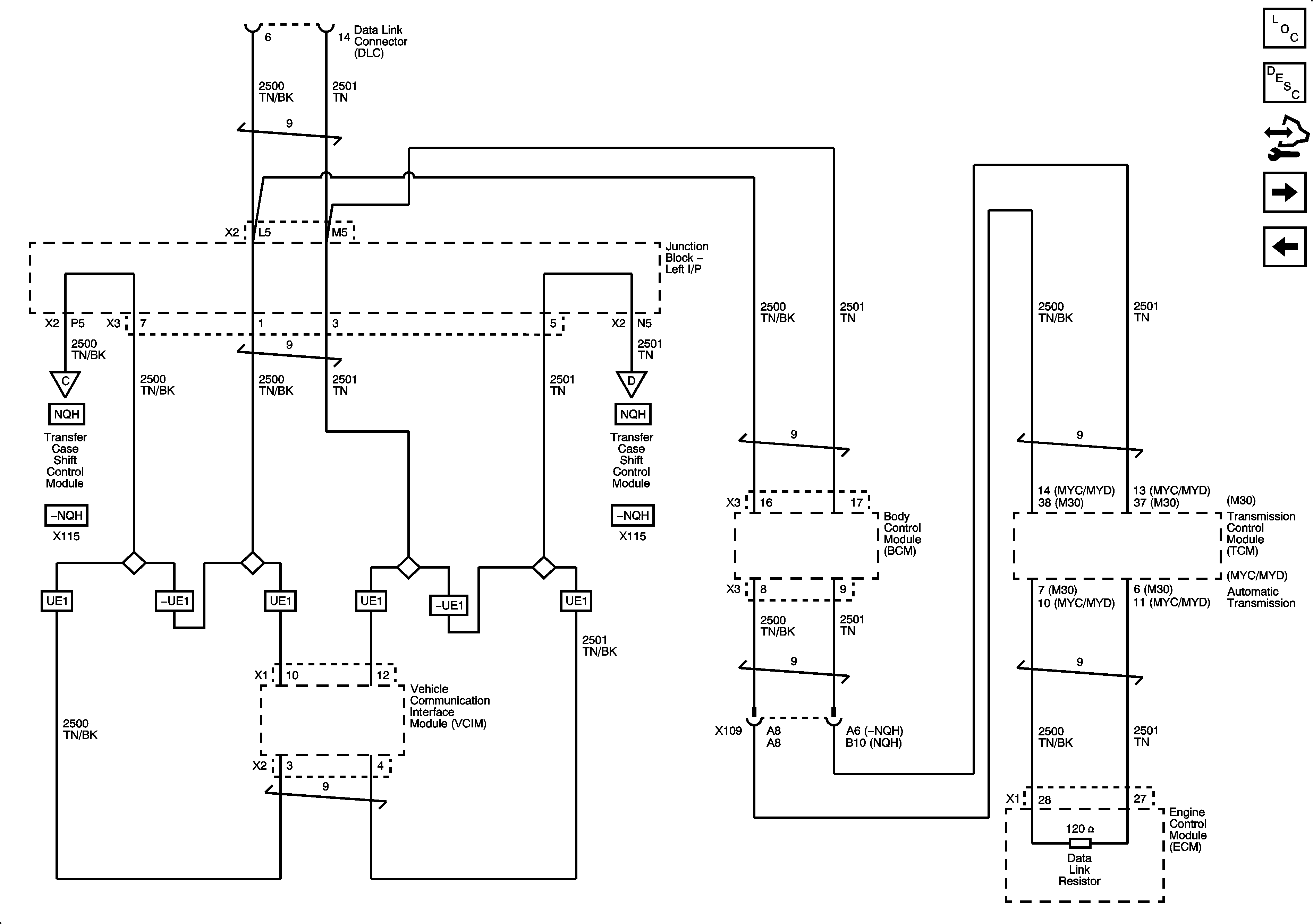
Figure 4:

High Speed Bus - 1 of 2


Object Number: 2074688  Size: FS
Figure 5:

High Speed Bus - 2 of 2


Object Number: 2074692  Size: FS
Figure 6:

Serial Data Communication Enable and Wake-up Circuits


Object Number: 2074697  Size: FS
Figure 7:

High Speed Bus (HP2)


Object Number: 2074699  Size: FS
Figure 8:

Powertrain Expansion Bus (HP2)


Object Number: 2074701  Size: FS
Figure 9:

Serial Data Gateway (SDG) Module (HP2)


Object Number: 2074703  Size: FS