GM Service Manual Online
For 1990-2009 cars only
Makes
🢒
Chevrolet
🢒
2009
🢒
Avalanche - 2WD
🢒
Diagnostic Navigation
🢒
Vehicle Diagnostic Information
🢒 Hybrid Controls Schematics
Figure
1:
Main Power Contactors
Figure
2:
Drive Motor Generator Power Inverter Module Power and Data Communication, High Voltage A/C Compressor Control
Figure
3:
Accessory DC Power Control, Hybrid Power Steering
Figure
4:
High Voltage Interlock Circuit (HVIC), Contactor Control Circuit
Figure
5:
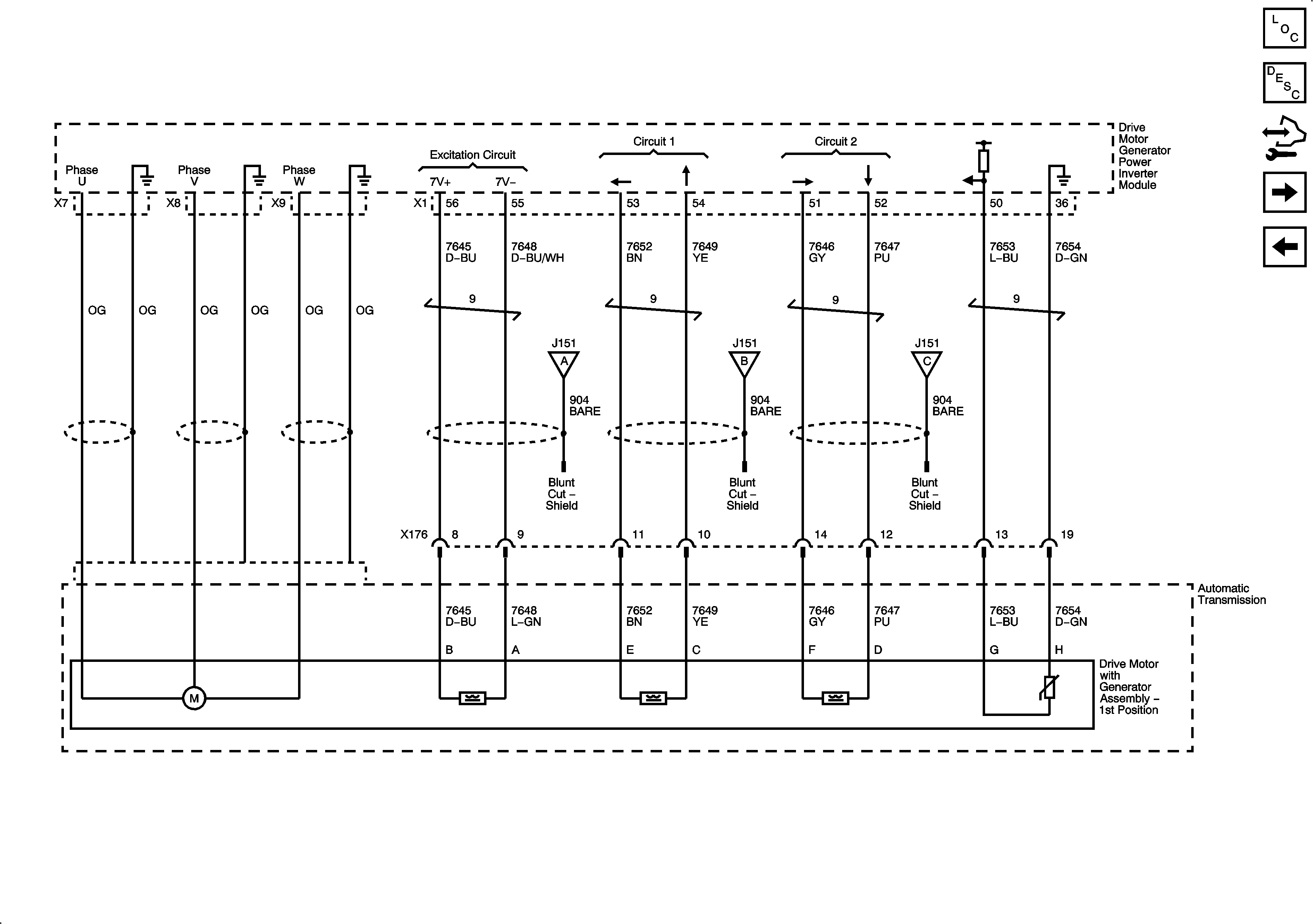
Drive Motor with Generator Assembly - 1st Position
Figure
6:
Drive Motor with Generator Assembly - 2nd Position
Figure
7:
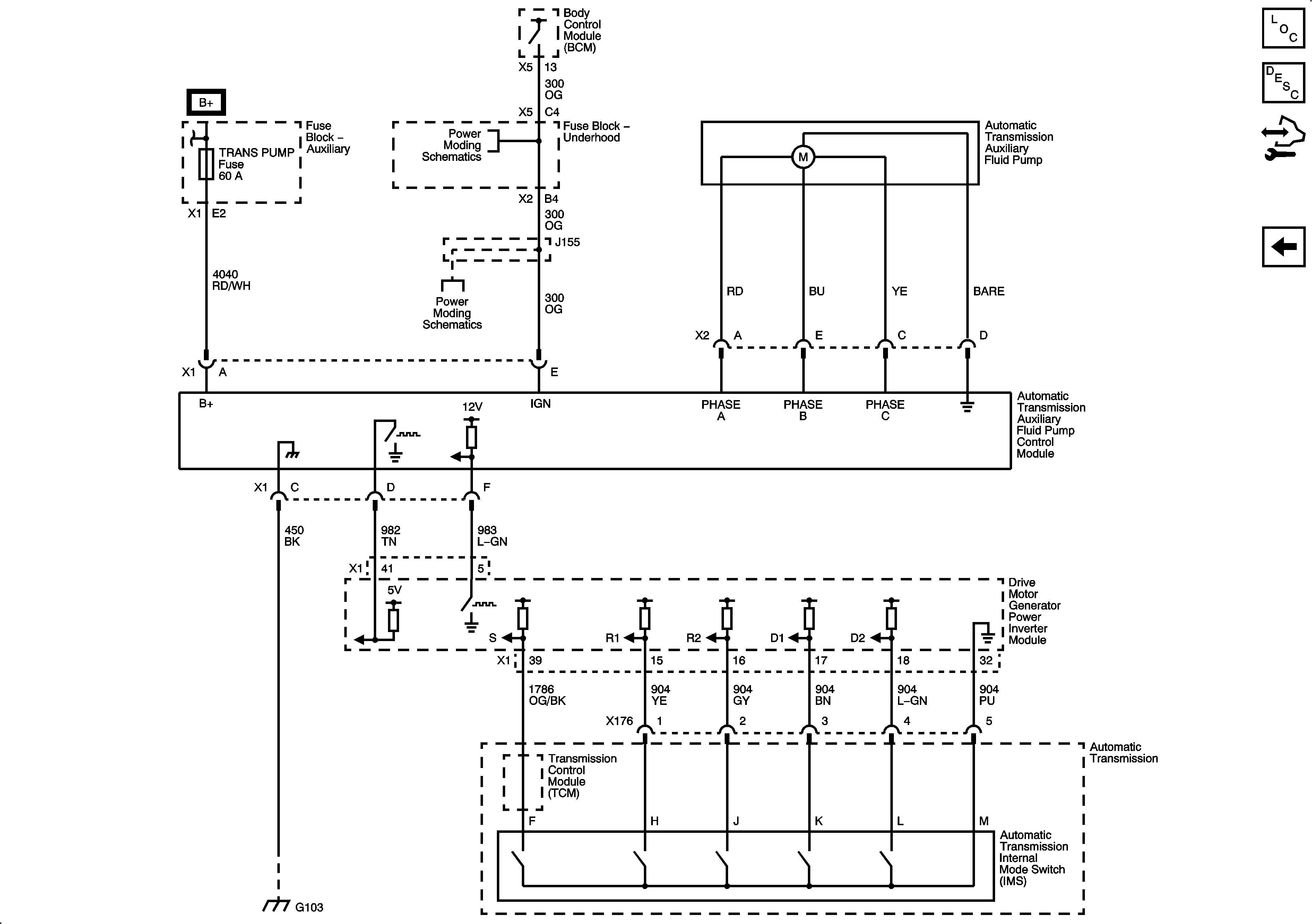
Transmission Pump and Range Signals