GM Service Manual Online
For 1990-2009 cars only
Makes
🢒
Chevrolet
🢒
2009
🢒
Avalanche - 2WD
🢒
Diagnostic Navigation
🢒
Vehicle Diagnostic Information
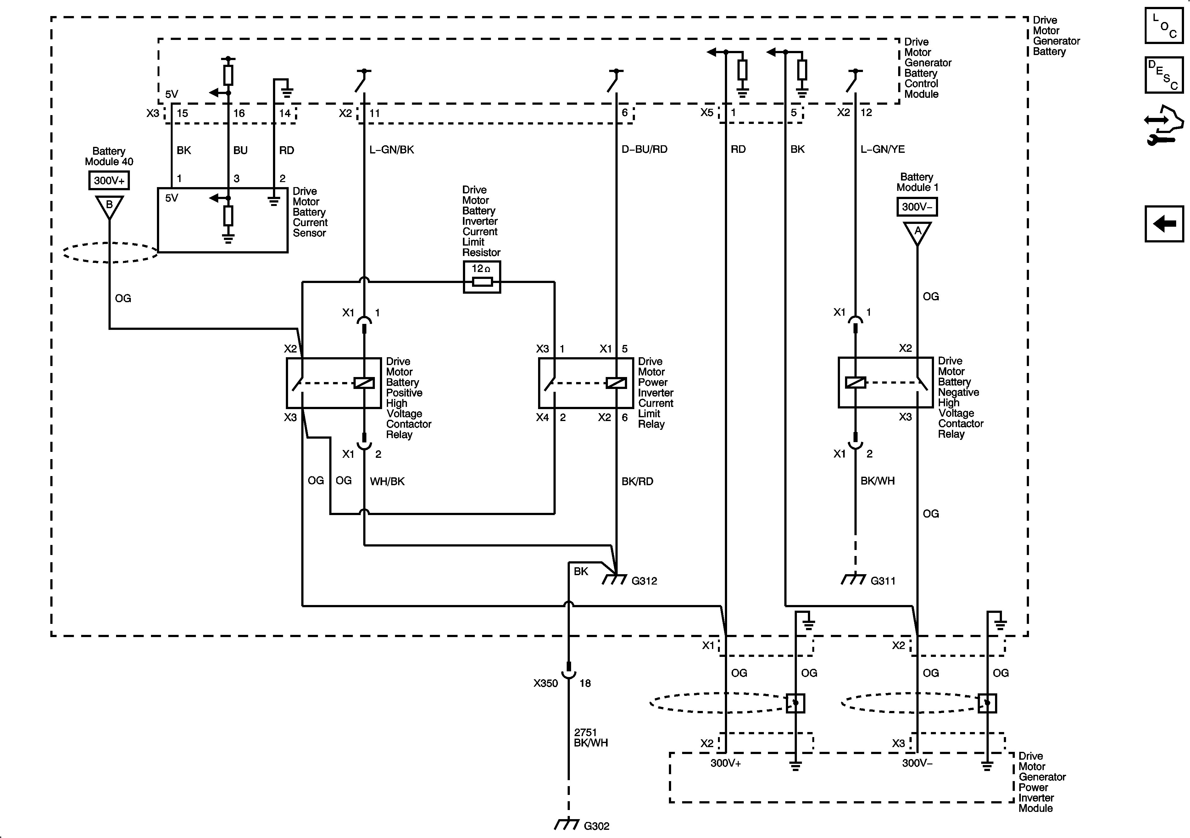
🢒 Hybrid Energy Storage Schematics
Figure
1:
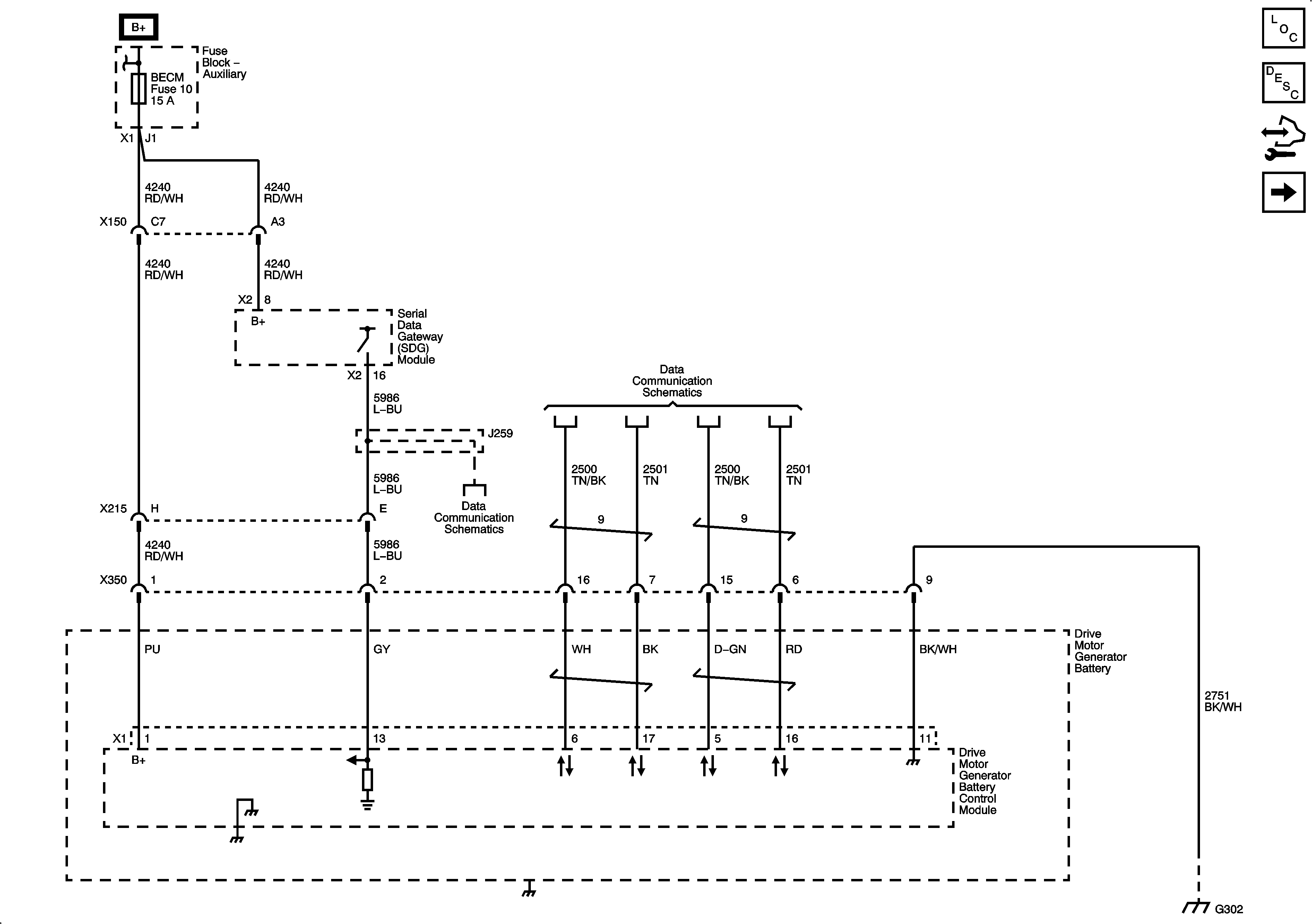
Power, Ground and Data Communication
Figure
2:
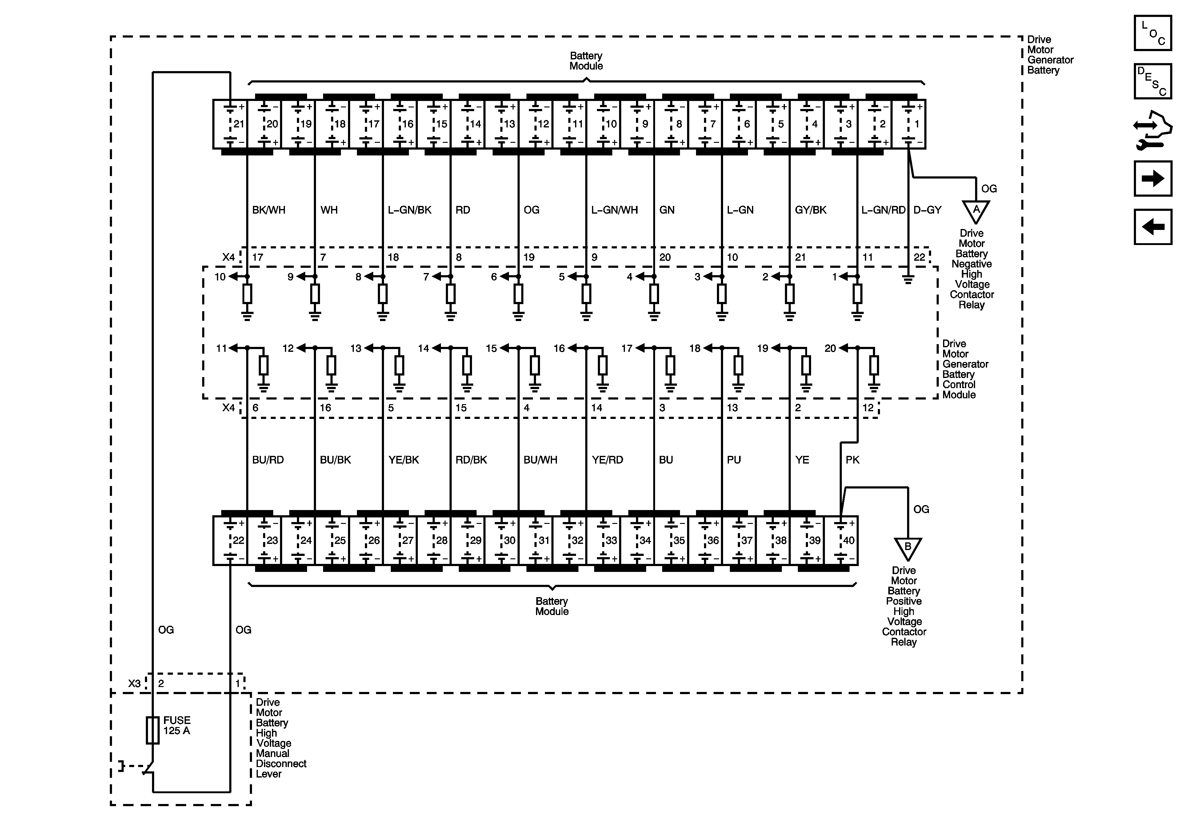
Battery Modules, Manual Disconnect Lever
Figure
3:
Main Power Contactors