GM Service Manual Online
For 1990-2009 cars only
Makes
🢒
Chevrolet
🢒
2009
🢒
Avalanche - 2WD
🢒
Diagnostic Navigation
🢒
Vehicle Diagnostic Information
🢒 Automatic Transmission Controls Schematics
Figure
1:
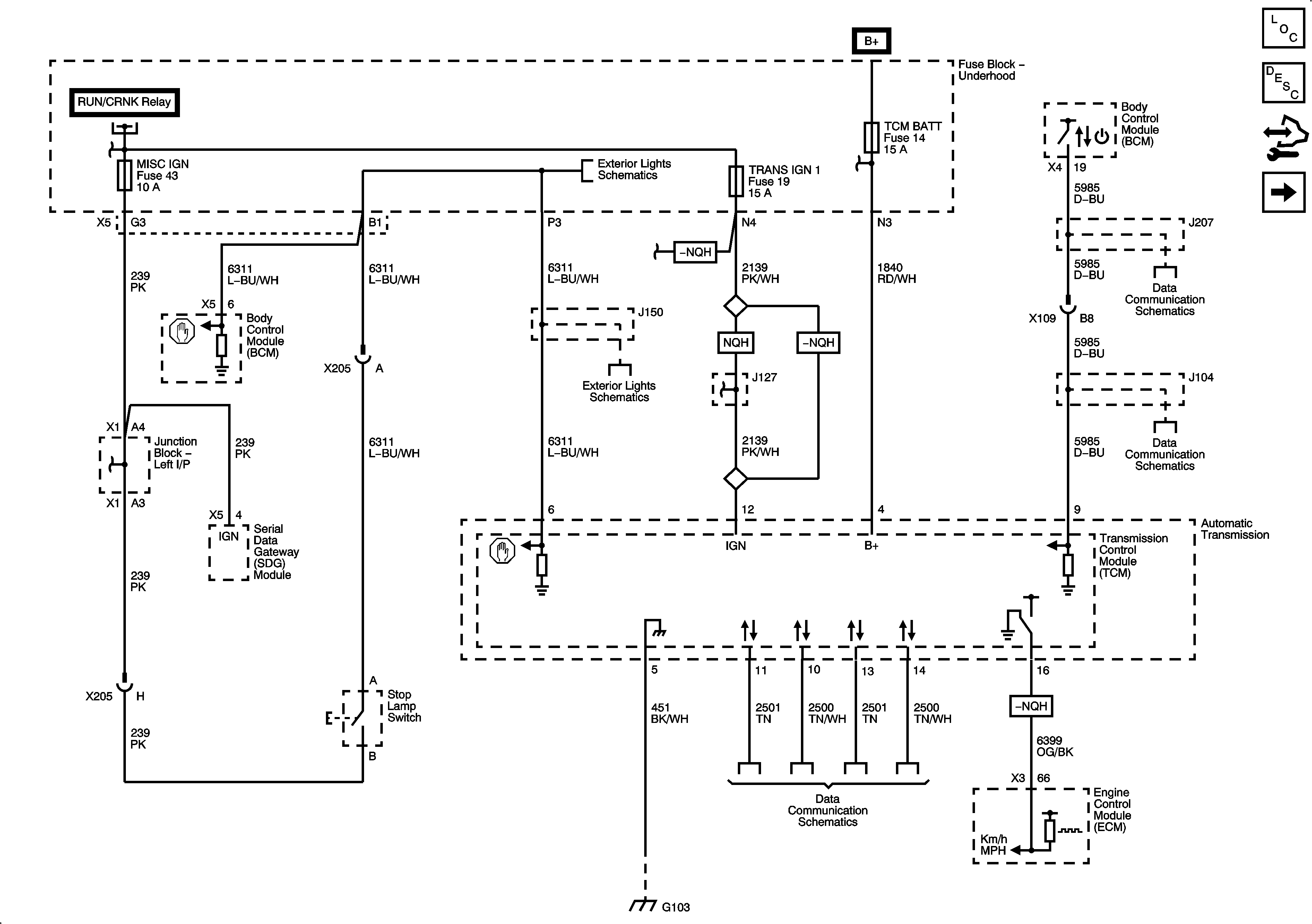
Module Power, Ground, Serial Data, and Stop Lamp Switch
Figure
2:
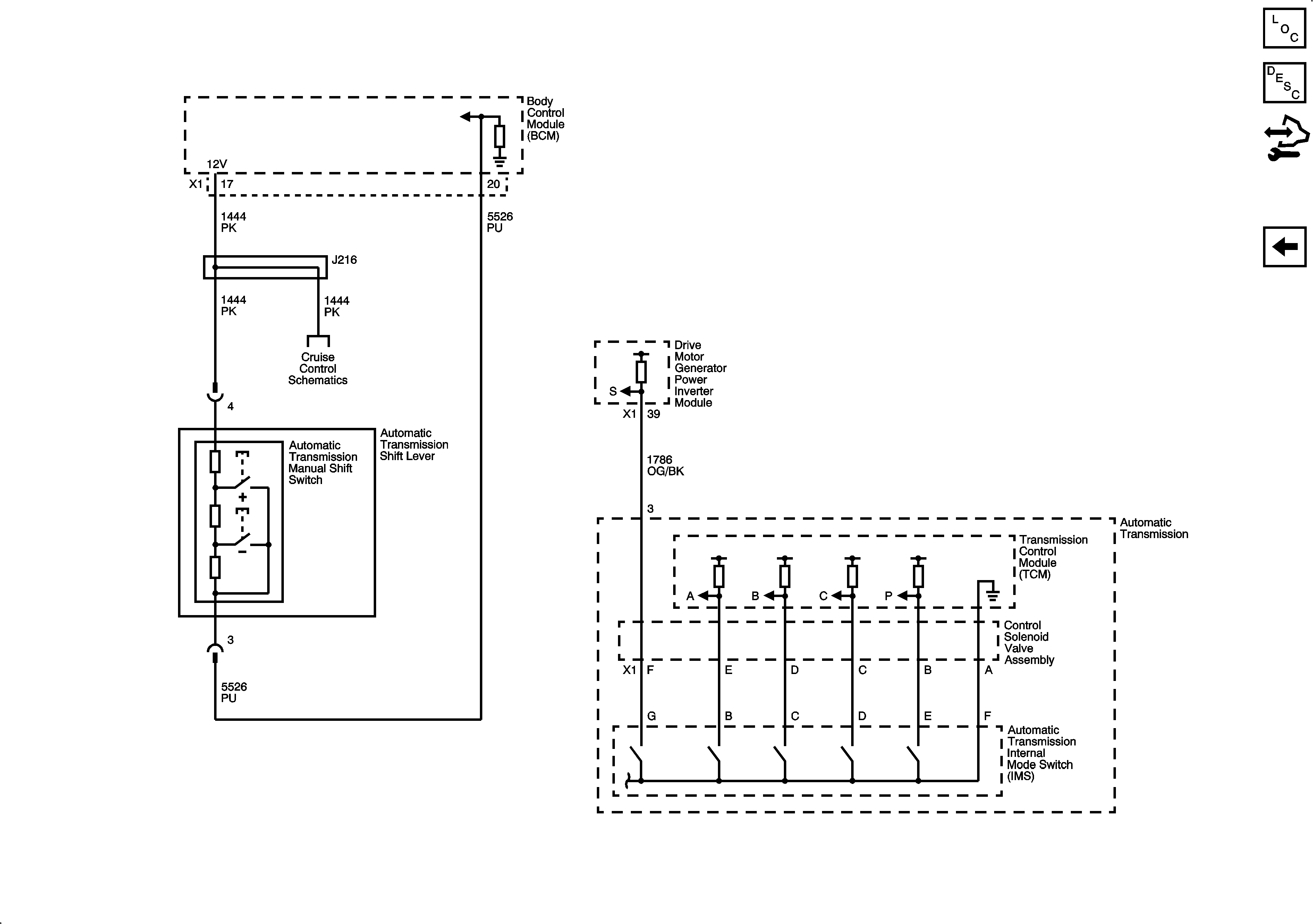
Pressure Controls - 1 of 2 and Shift Controls
Figure
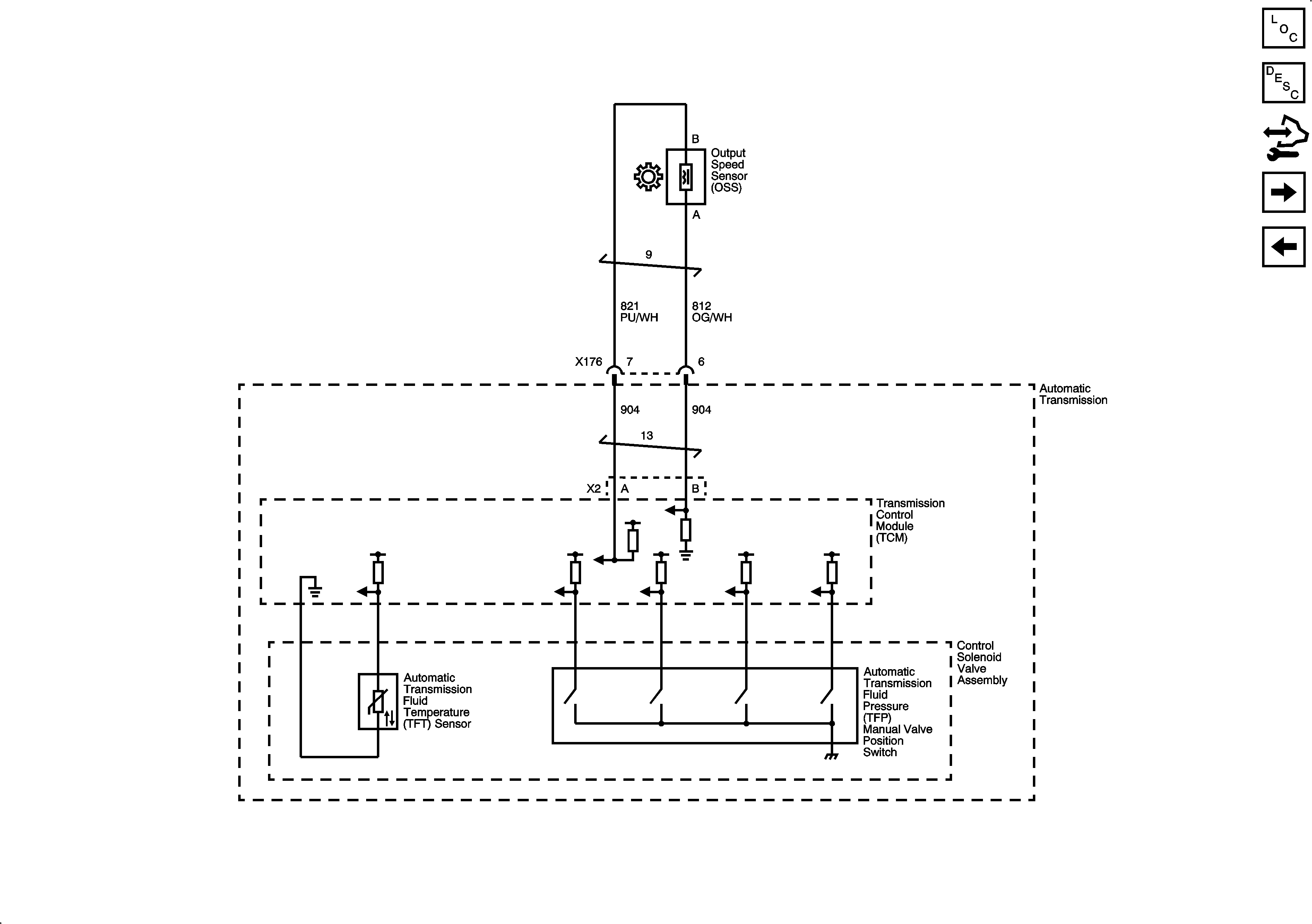
3:
Pressure Controls - 2 of 2 and Output Speed Sensor (OSS)
Figure
4:
Transmission Range Signals