| Figure 1: |
B+ Bus - 1 of 3
|
| Figure 2: |
B+ Bus - 2 of 3
|
| Figure 3: |
B+ Bus - 3 of 3
|
| Figure 4: |
AUX PWR, AUX PWR 2, LBEC 1, PDM, and REAR WPR Fuses
|
| Figure 5: |
IS LAMPS, LT STOP TRN, OBS DET, REAR SEAT, and STOP LAMPS Fuses and LT DR Circuit Breaker
|
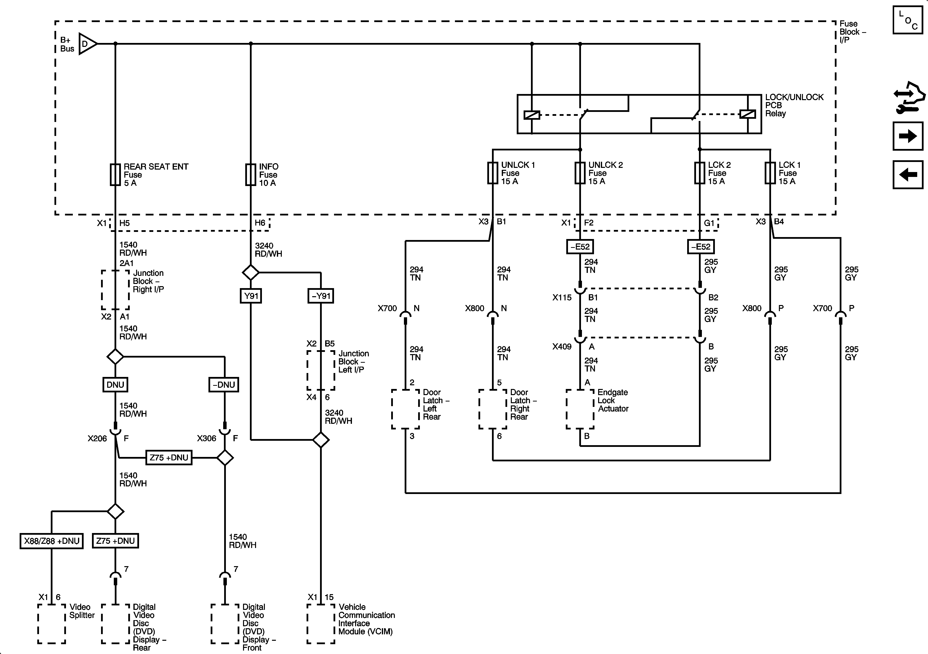
| Figure 6: |
LCK 1, LCK 2, UNLCK 1, UNLCK 2, INFO and REAR SEAT ENT Fuses
|
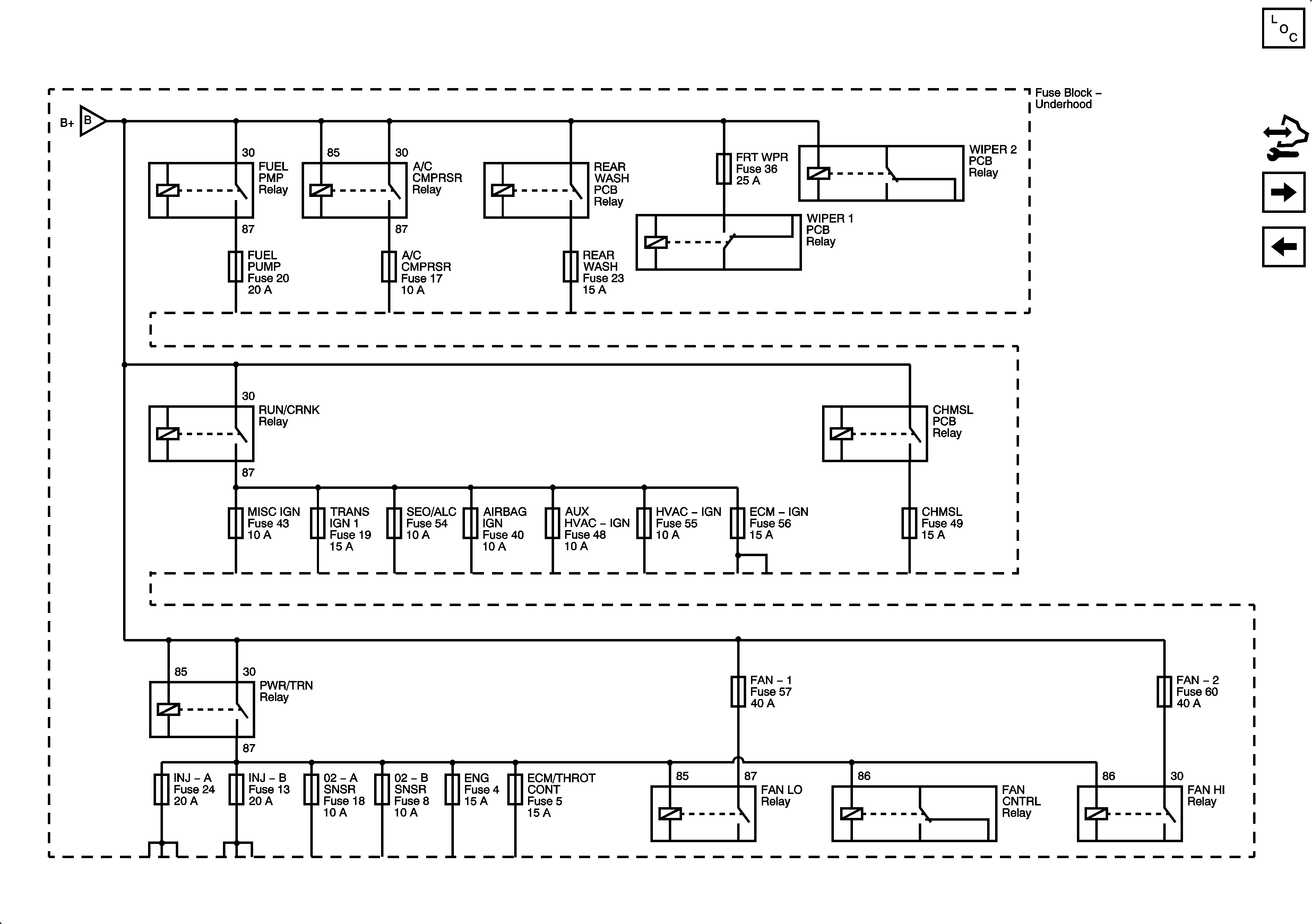
| Figure 7: |
BCM, COOLED SEATS, CTSY, DDM, DIM, DSM, LBEC 2, MBEC 1, REAR HVAC, and RT STOP TRN Fuses and DRIVER SEAT 2, PASS SEAT 1, and RT DOORS Circuit Breakers
|
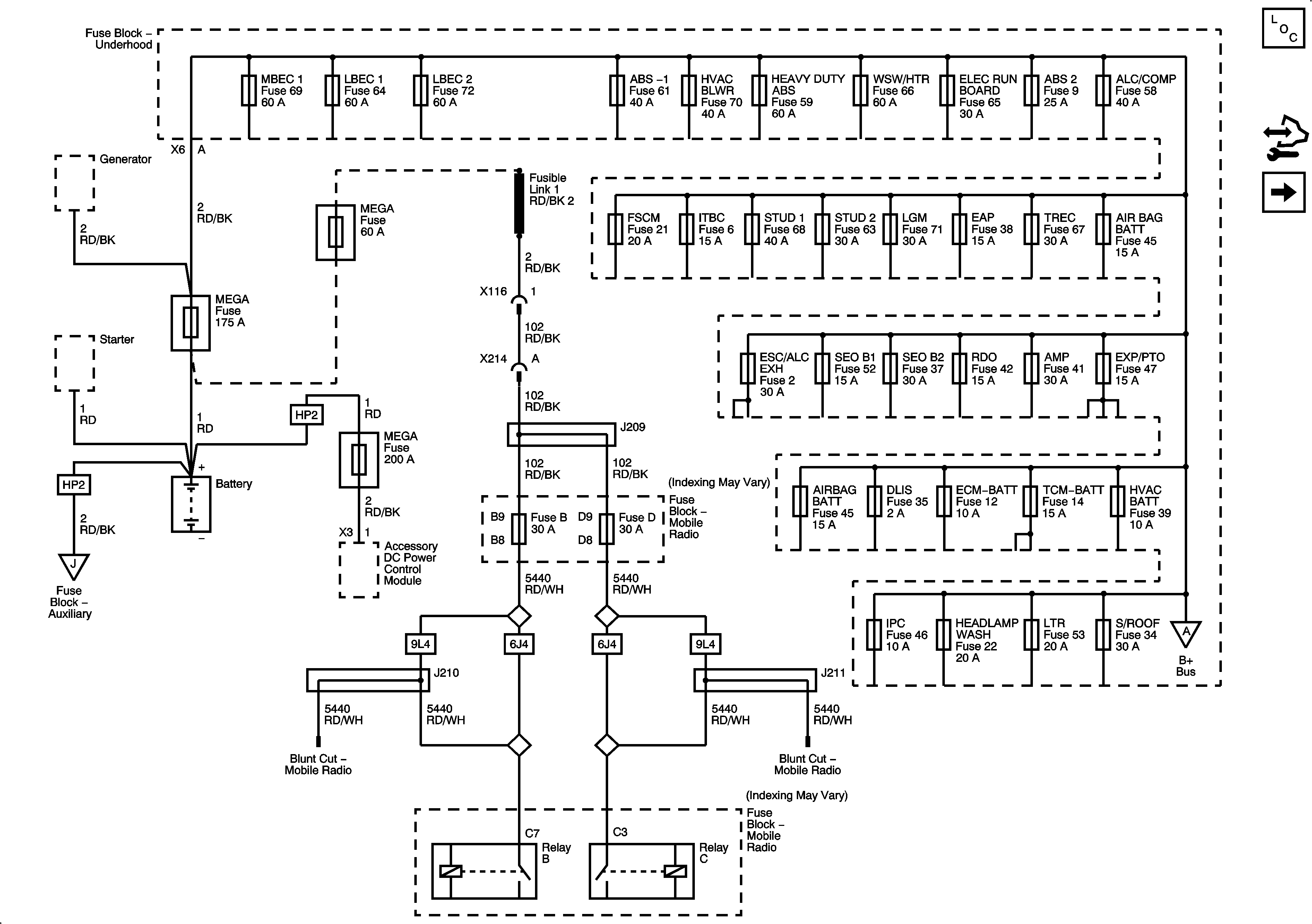
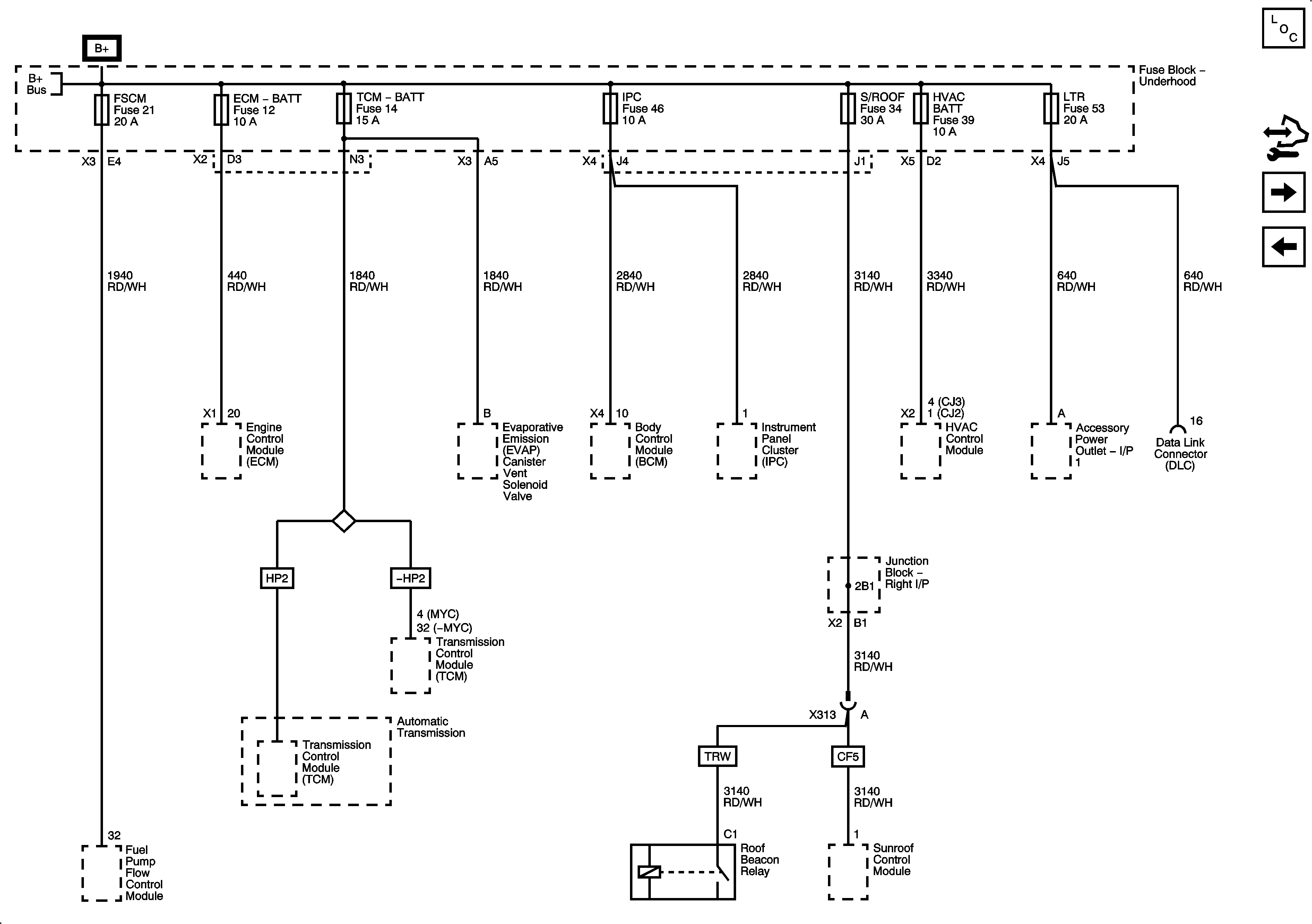
| Figure 8: |
ECM-BATT, HEADLAMP WASH, HVAC BATT, IPC, LTR, S/ROOF, and TCM-BATT Fuses
|
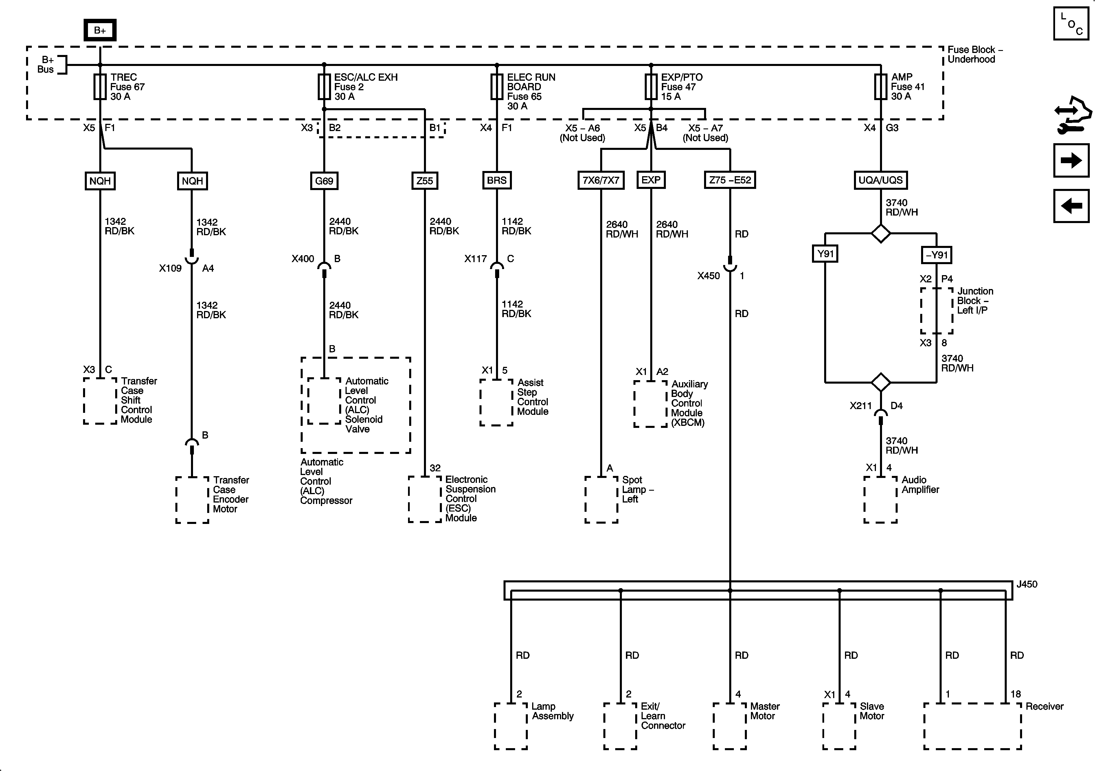
| Figure 9: |
AMP, ELEC RUN BOARD, ESC/ALC EXH, EXP/BRK MDL and TREC Fuses
|
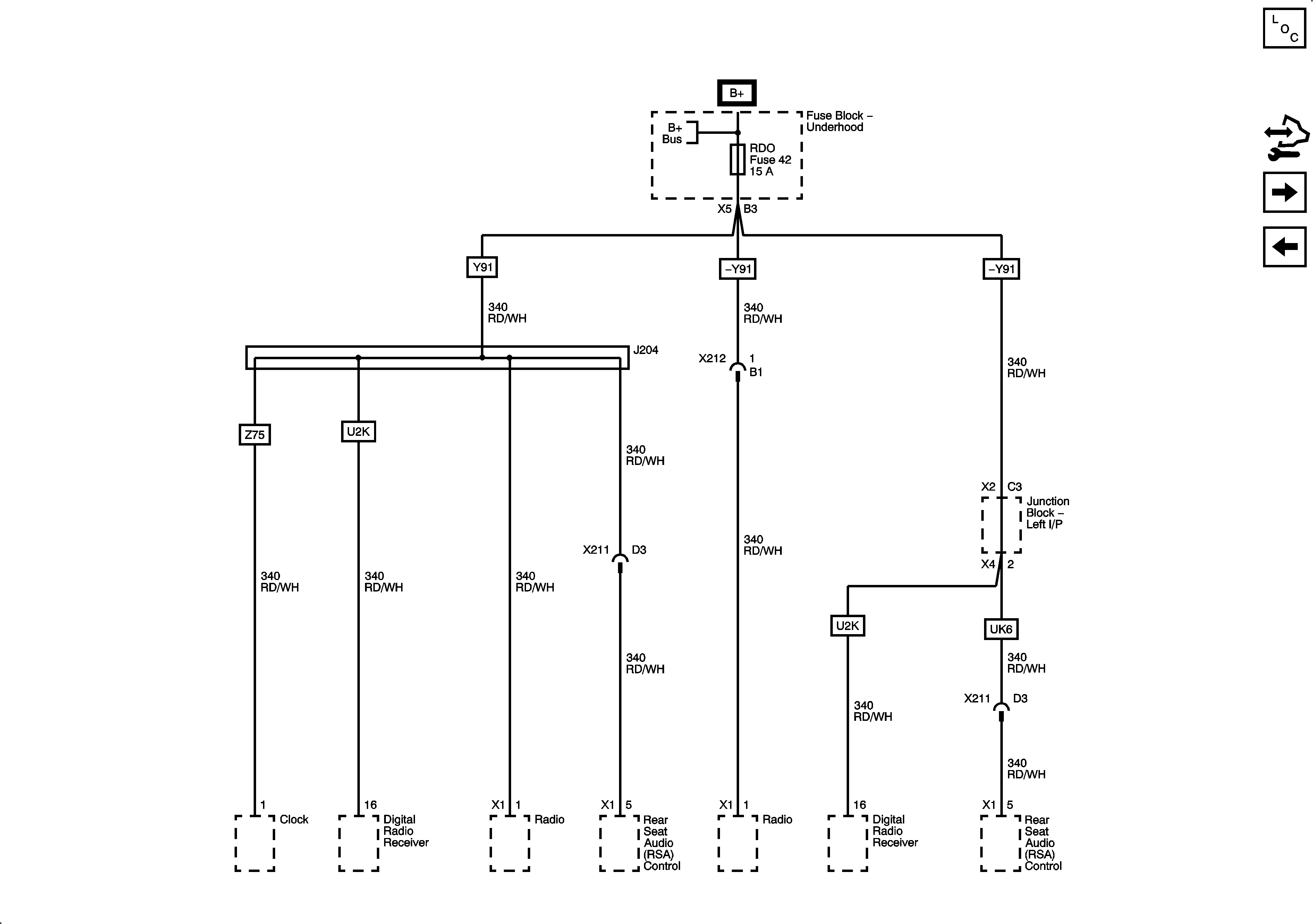
| Figure 10: |
RDO Fuse
|
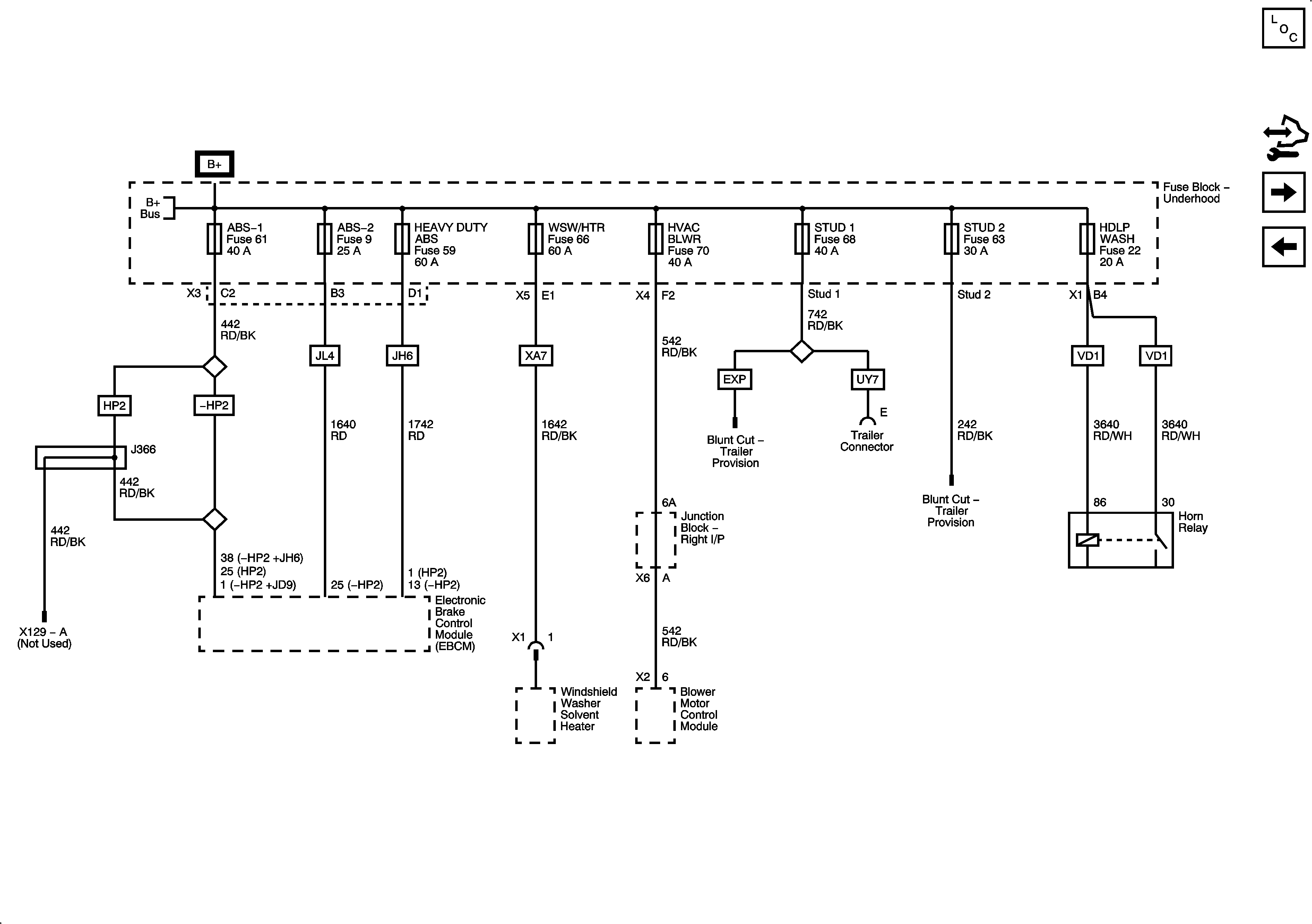
| Figure 11: |
ABS-1, ABS 2, HEAVY DUTY ABS, HVAC BLWR, STUD 1, STUD 2, and WFHS Fuses
|
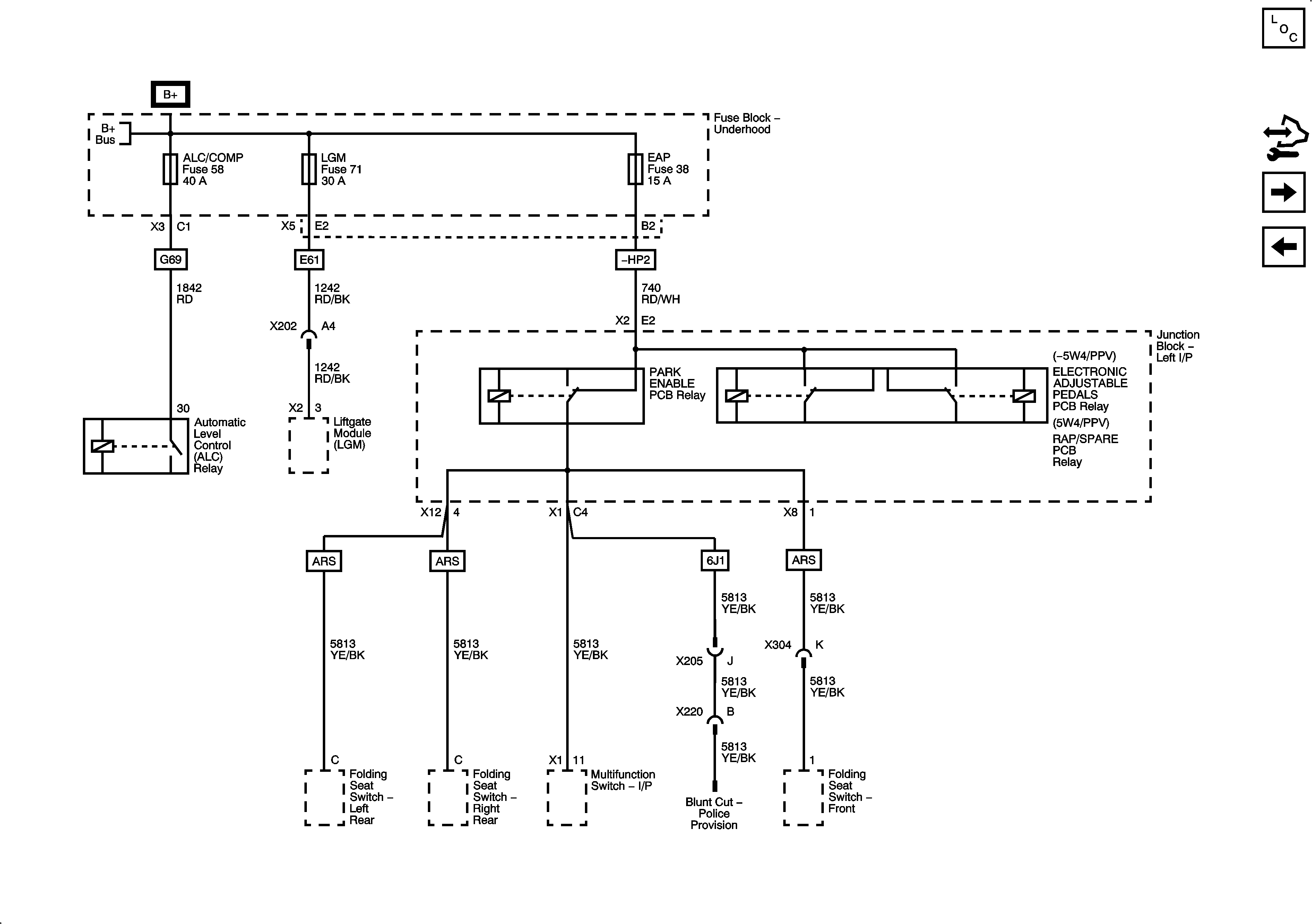
| Figure 12: |
ALC/COMP, EAP, and LGM Fuses
|
| Figure 13: |
AIRBAG, SEO B1, and SEO B2 Fuses
|
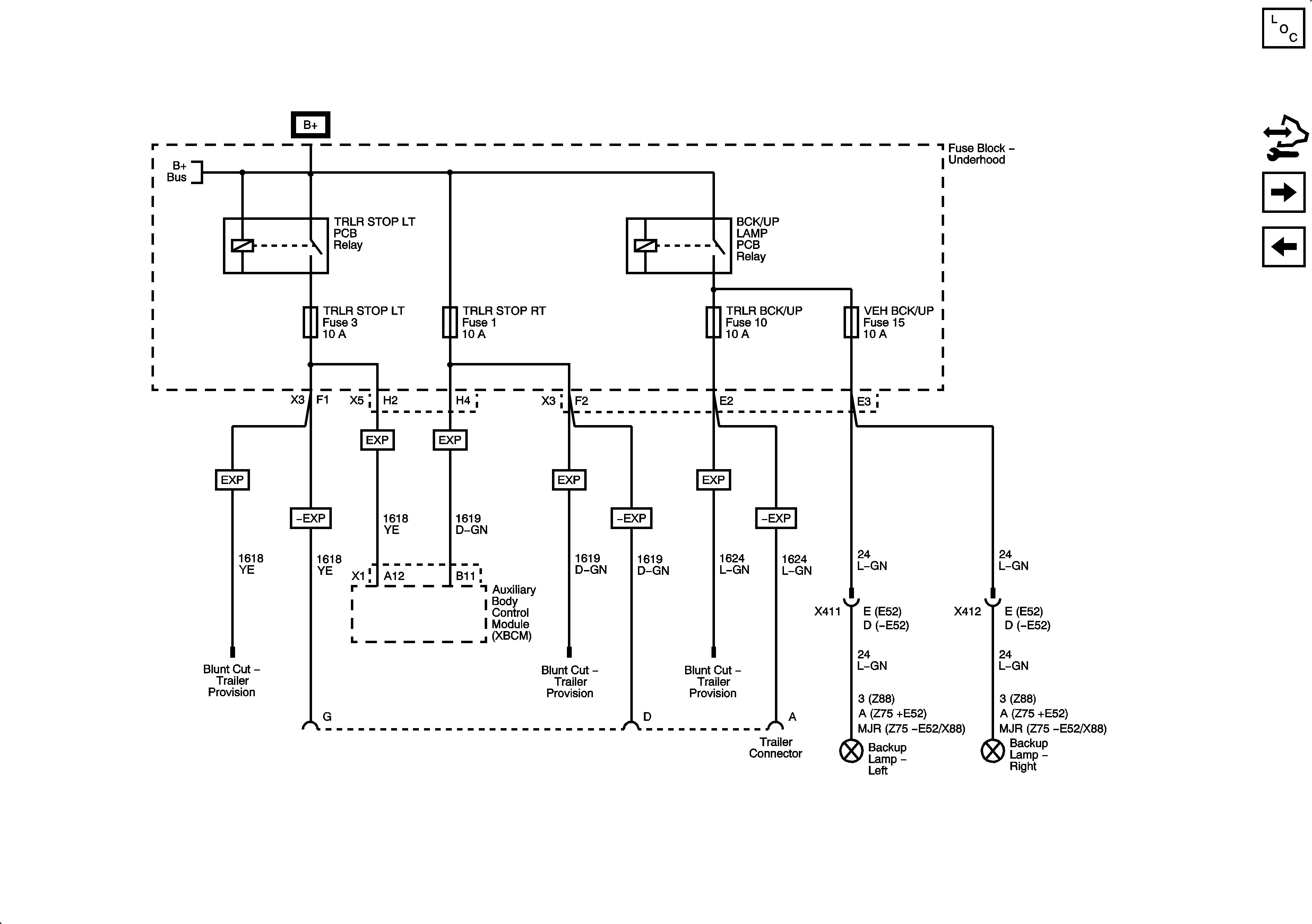
| Figure 14: |
TRLR BCK/UP, TRLR STOP LT, TRAILER STOP RT, and VEH BCK/UP Fuses
|
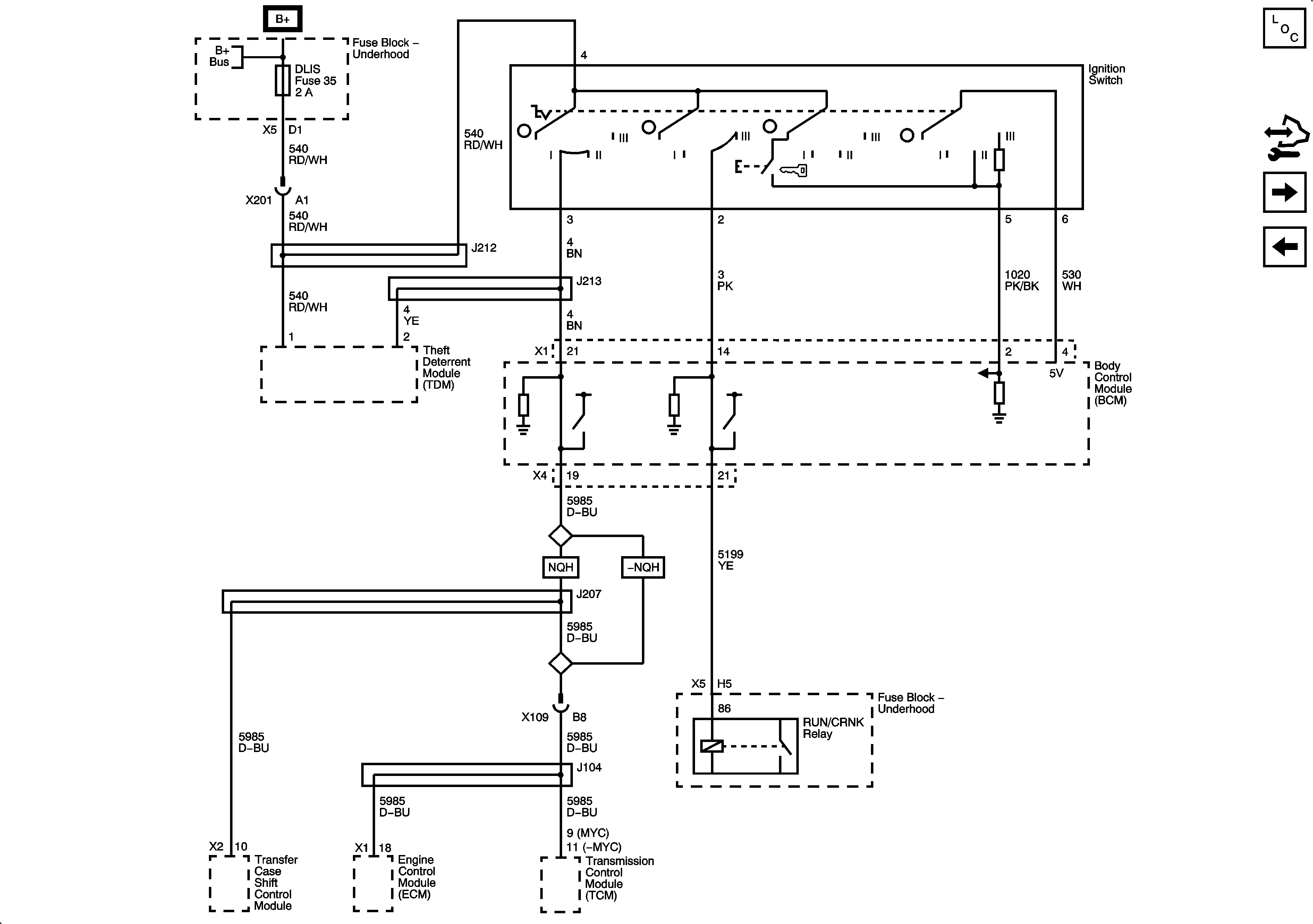
| Figure 15: |
DLIS Fuse and Ignition Switch
|
| Figure 16: |
PWR/TRN Bus - ECM/THROT, ENG, O2-A SNSR and O2-B SNSR Fuses
|
| Figure 17: |
PWR/TRN Bus - INJ-A and INJ-B Fuses
|
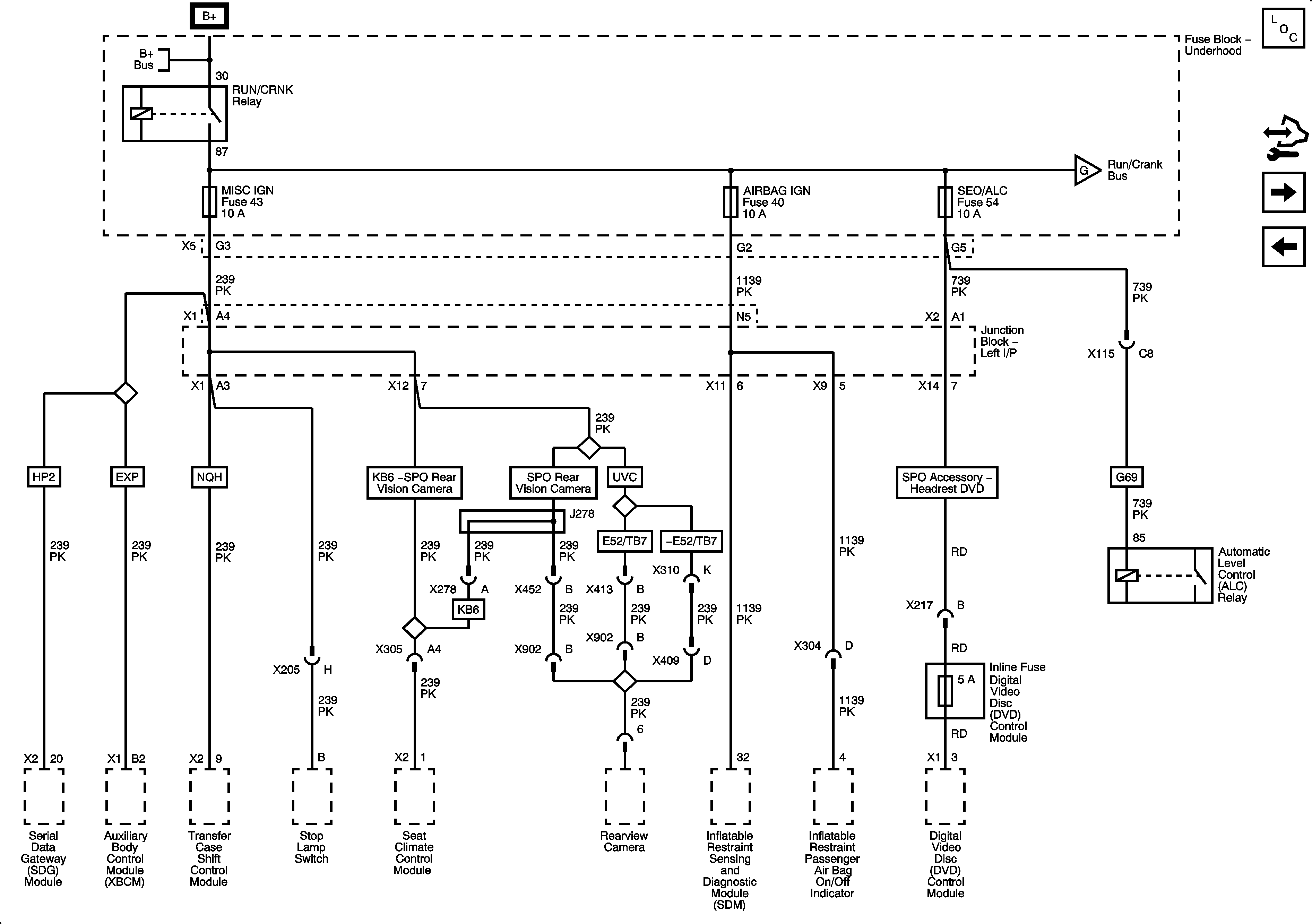
| Figure 18: |
RUN/CRANK Bus - AIRBAG IGN, MISC IGN and SEO/ALC Fuses
|
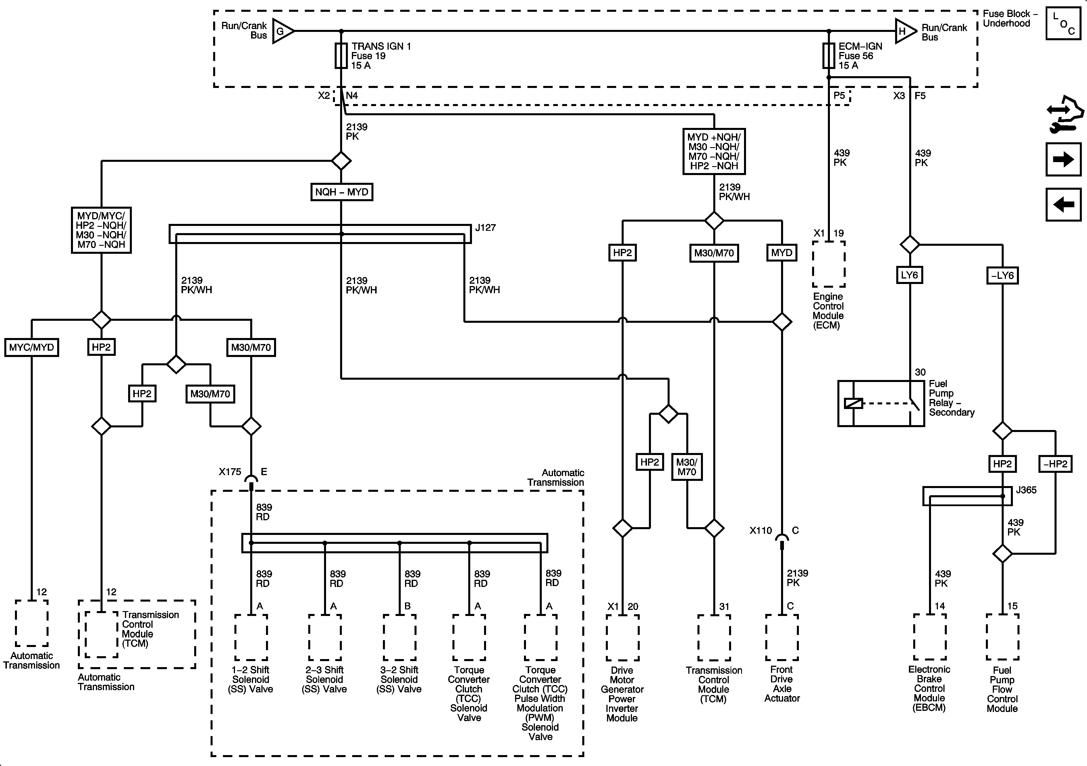
| Figure 19: |
RUN/CRANK Bus - ECM-IGN and TRANS IGN 1 Fuses
|
| Figure 20: |
RUN/CRANK Bus - AUX HVAC-IGN and HVAC-IGN Fuses
|
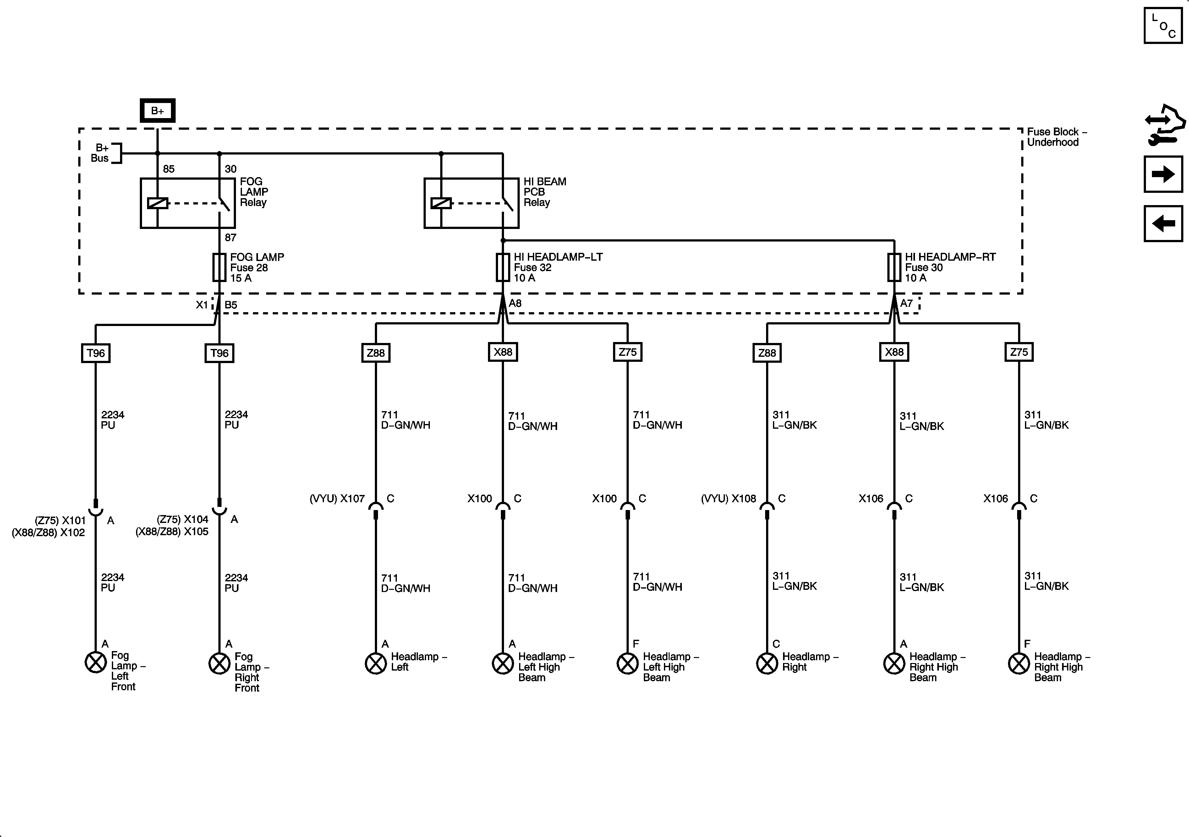
| Figure 21: |
FOG LAMP, HI HEADLAMP-LT and HI HEADLAMP-RT Fuses
|
| Figure 22: |
DRL, DRL 2, LO HDLP-LT, LO HDLP-RT, and STRTR Fuses
|
| Figure 23: |
LT PRK Fuse
|
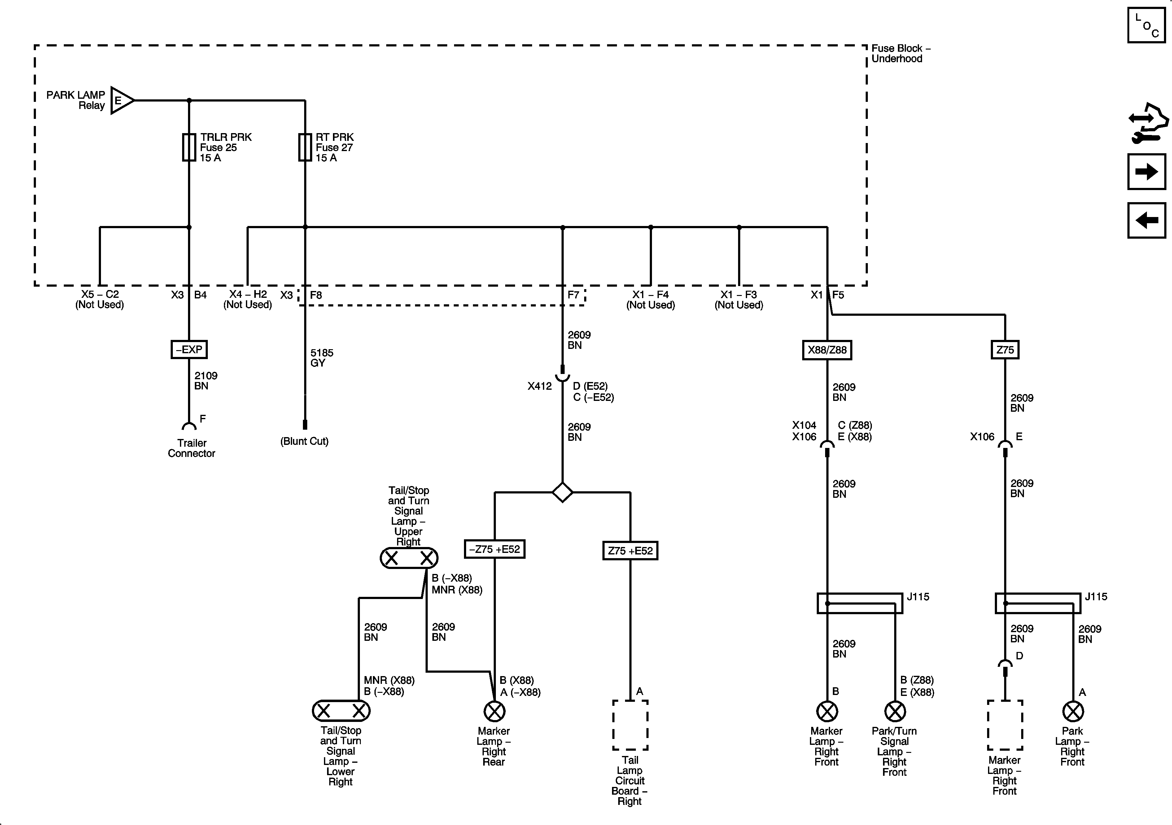
| Figure 24: |
RT PRK AND TRLR PRK Fuses
|
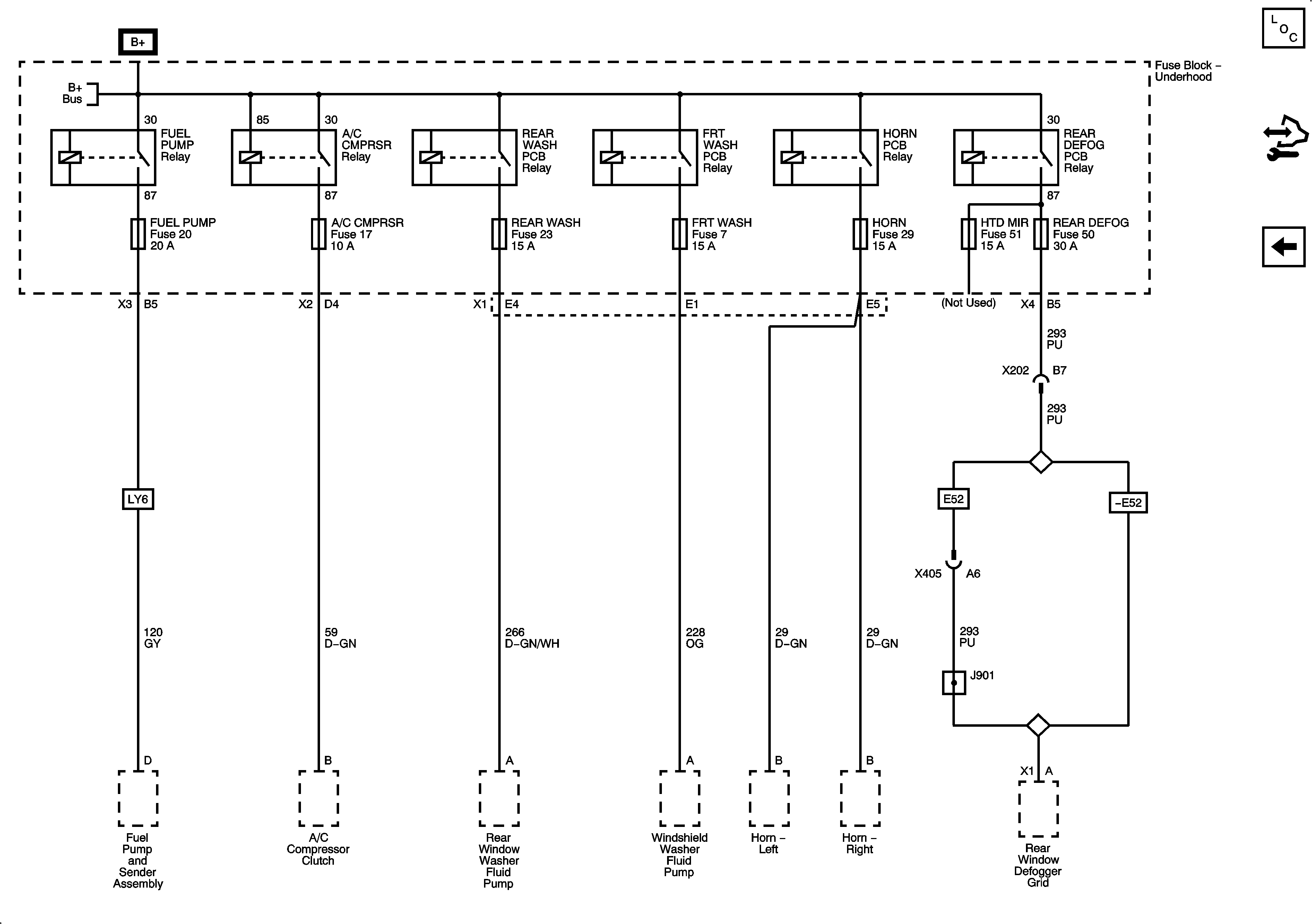
| Figure 25: |
A/C CMPRSR, FRT WASH, FUEL PUMP, HORN, REAR DEFOG, and REAR WASH Fuses
|
| Figure 26: |
Fuse Block - Auxiliary B+ Bus
|
| Figure 27: |
ACCM, ACPO, BECM, BECM FAN, CAB HTR PUMP, COOL PUMP, EPS, PIM 1 and PIM 2 Fuses
|
| Figure 28: |
FAN 1 and FAN 2 Fuses
|