GM Service Manual Online
For 1990-2009 cars only
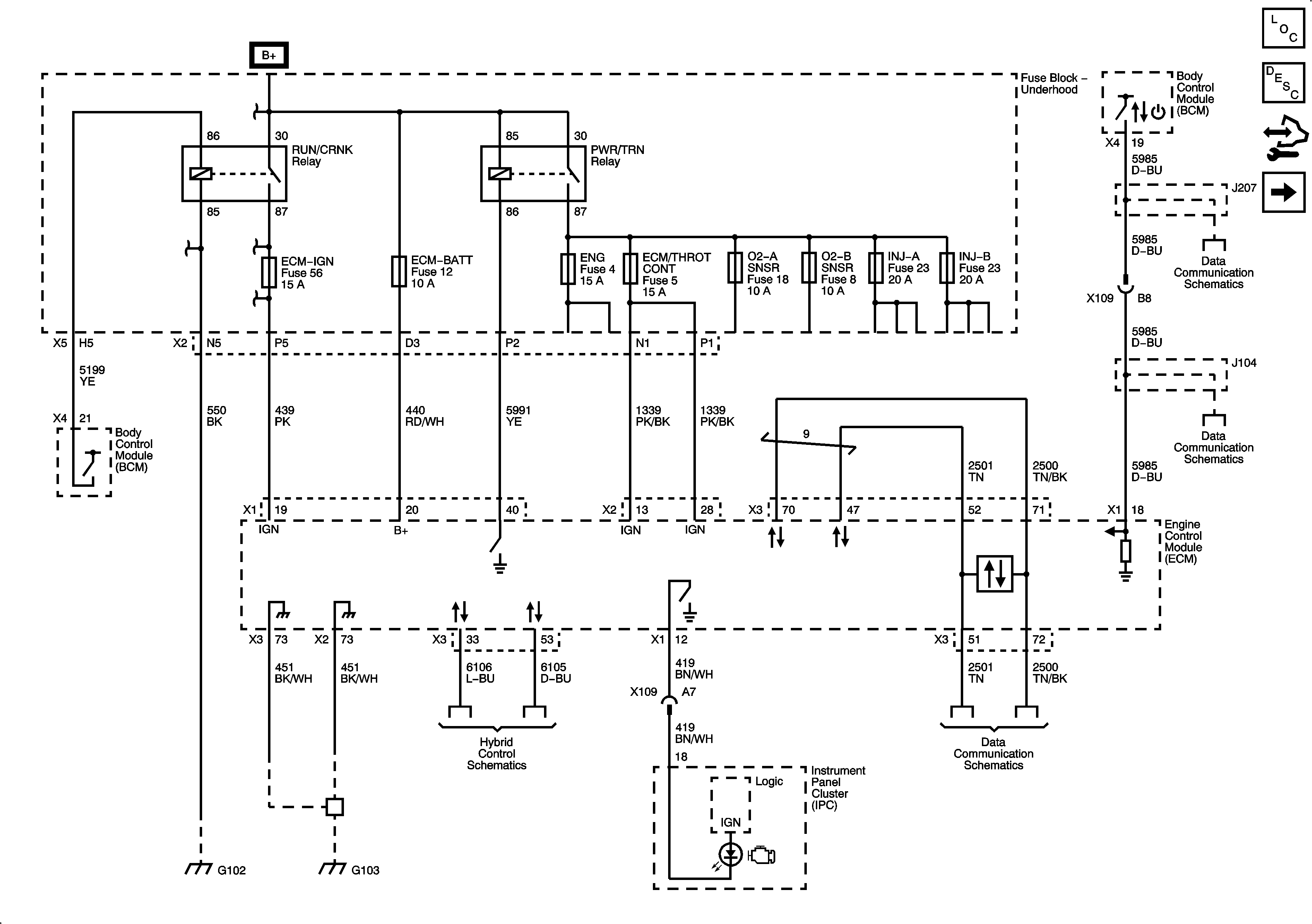
Figure 1:

Module Power, Ground, Serial Data and MIL


Object Number: 2075770  Size: FS
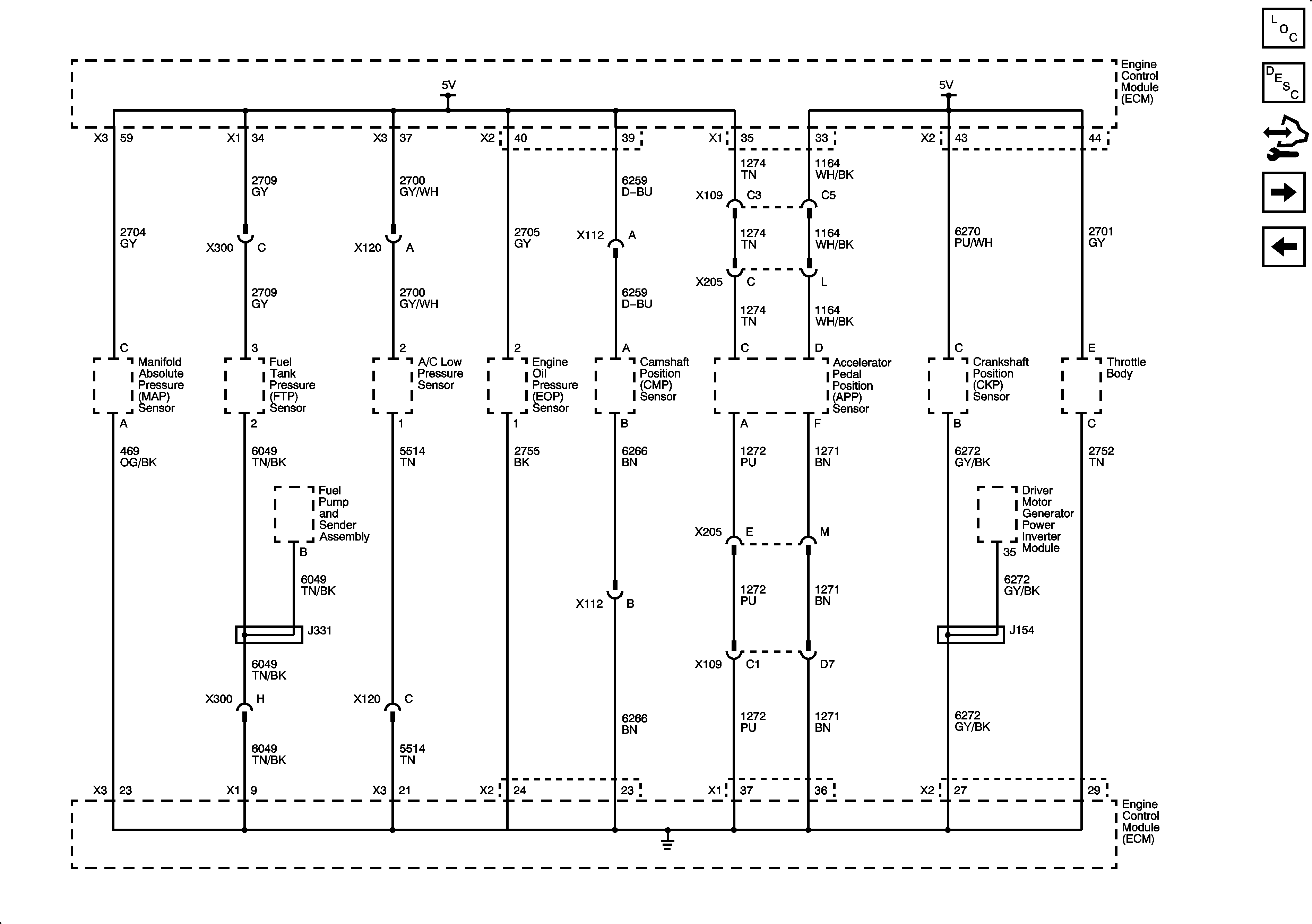
Figure 2:

Engine Data Sensors - 5-Volt and Low Reference


Object Number: 2075772  Size: FS
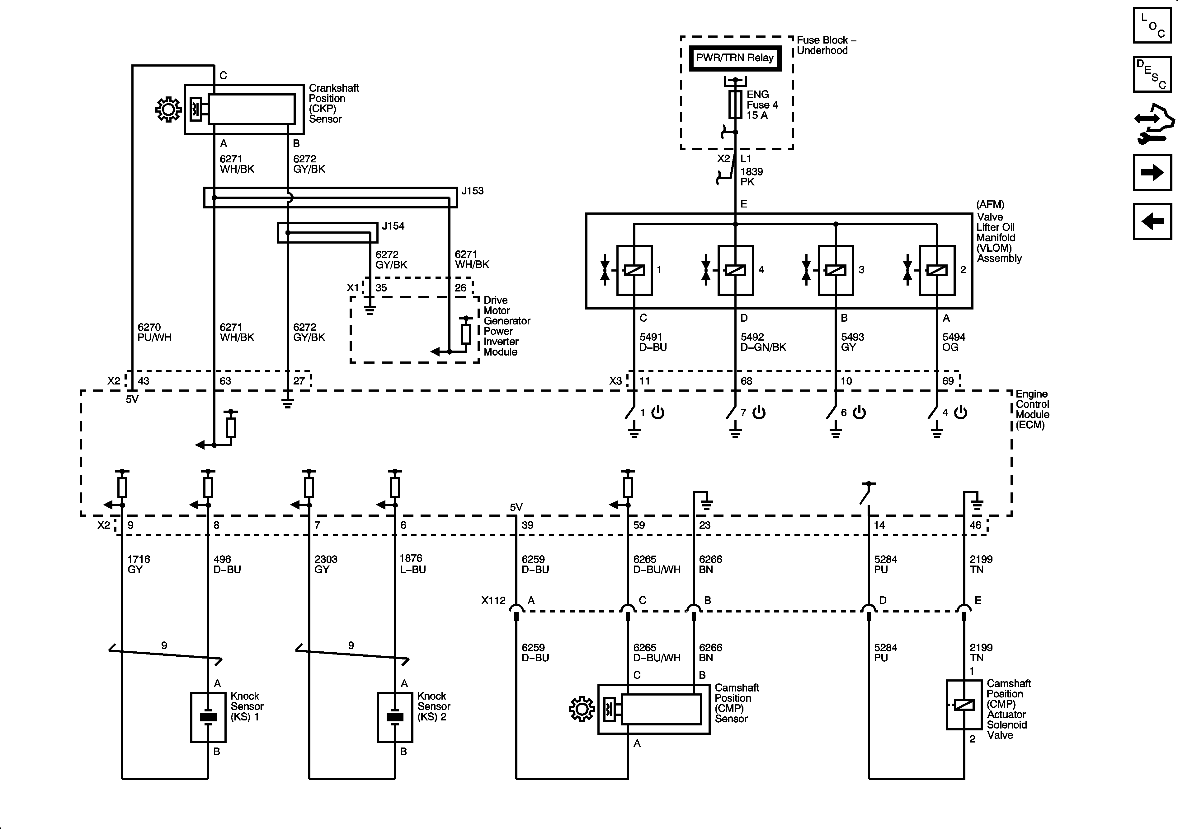
Figure 3:

Engine Data Sensors - Pressure and Temperature


Object Number: 2075774  Size: FS
Figure 4:

Engine Data Sensors - Oxygen Sensors


Object Number: 2075776  Size: FS
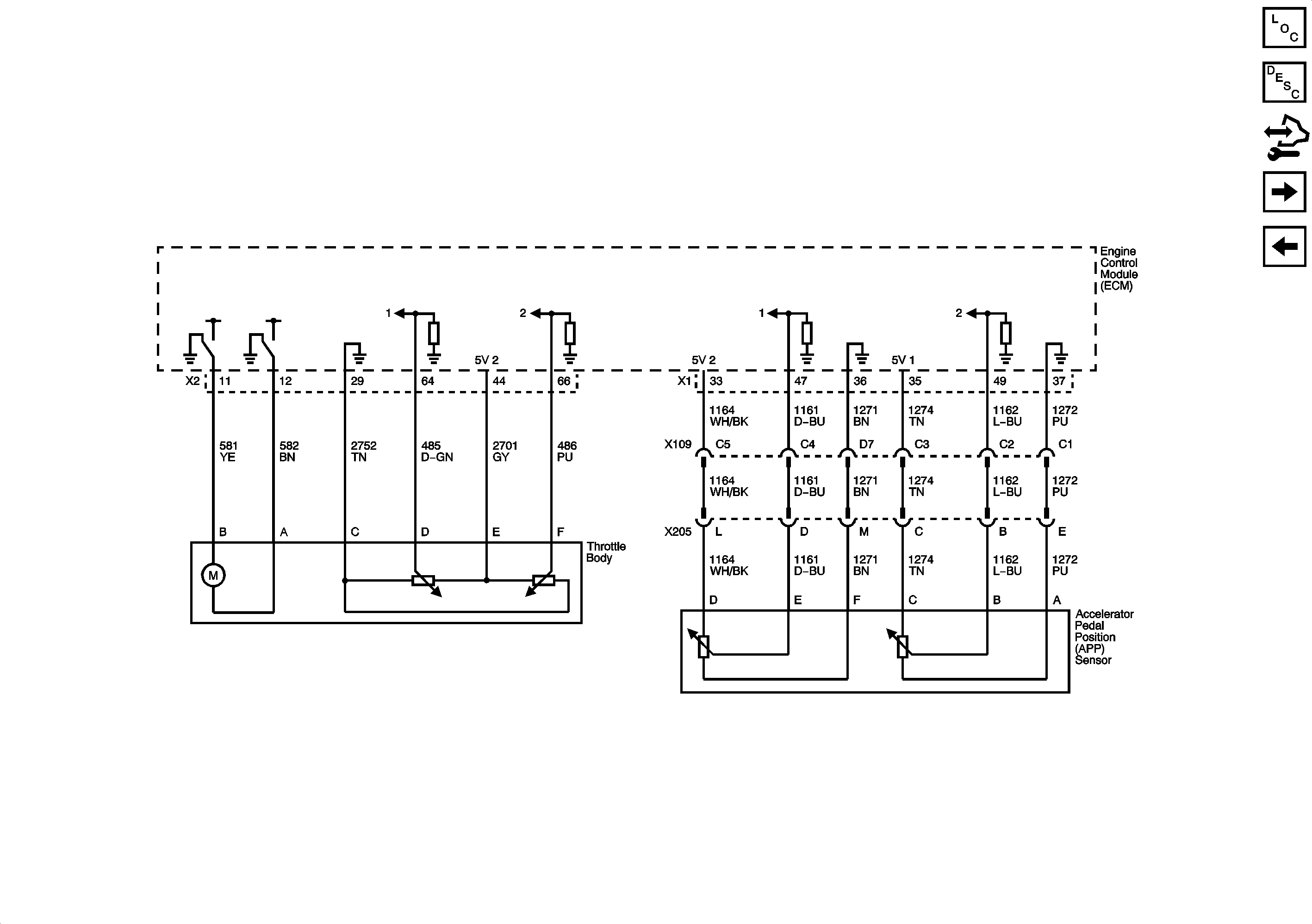
Figure 5:

Engine Data Sensors - Throttle Controls


Object Number: 2075778  Size: FS
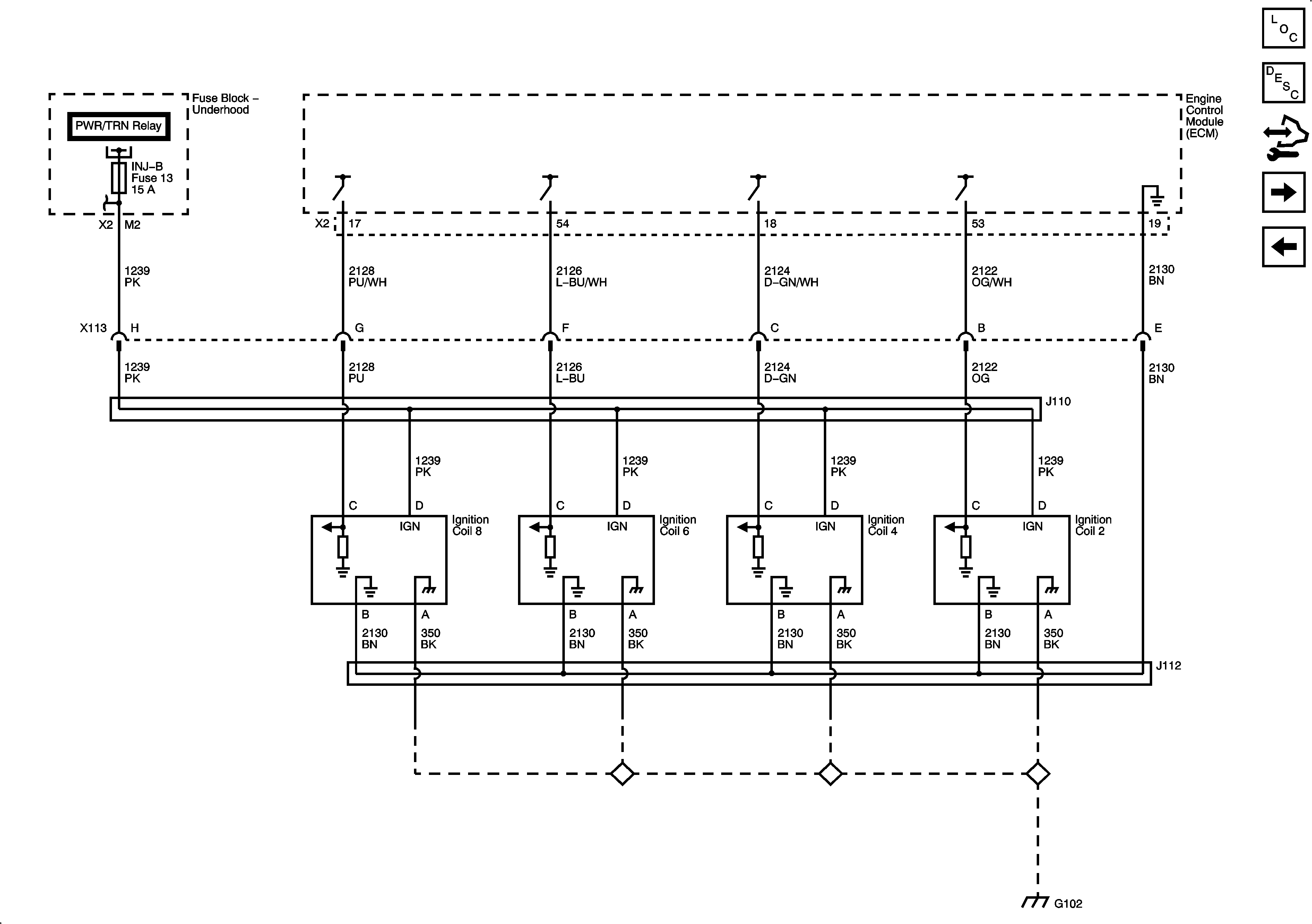
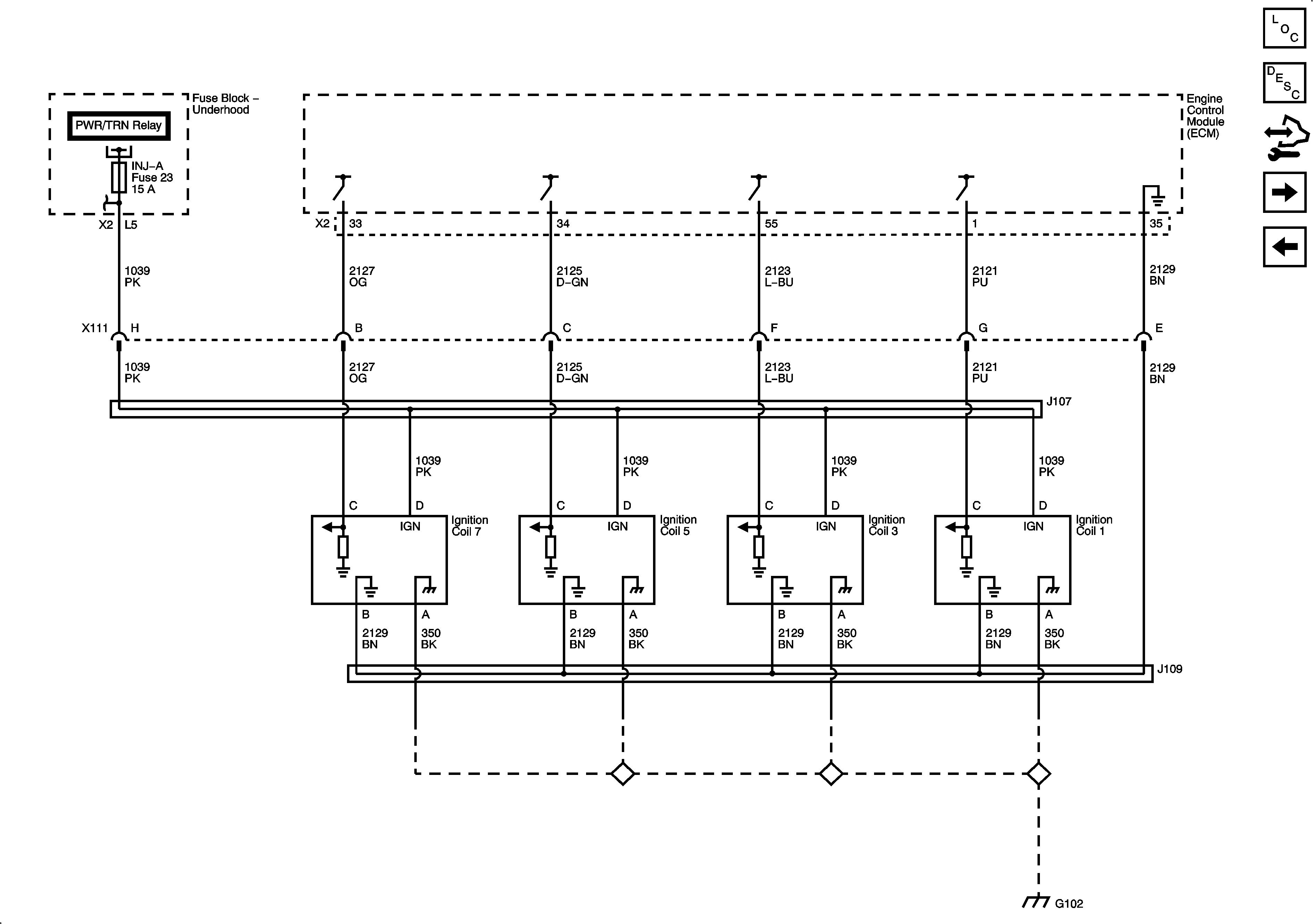
Figure 6:

Ignition Controls - Ignition System Coils - 1, 3, 5, and 7


Object Number: 2075780  Size: FS
Figure 7:

Ignition Controls - Ignition System Coils - 2, 4, 6, and 8


Object Number: 2075782  Size: FS
Figure 8:

Ignition Controls - Sensors and Active Fuel Management (AFM) Controls


Object Number: 2075784  Size: FS
Figure 9:

Fuel Pump Flow Control Module


Object Number: 2075786  Size: FS
Figure 10:

Fuel Controls - Fuel Injectors


Object Number: 2075788  Size: FS
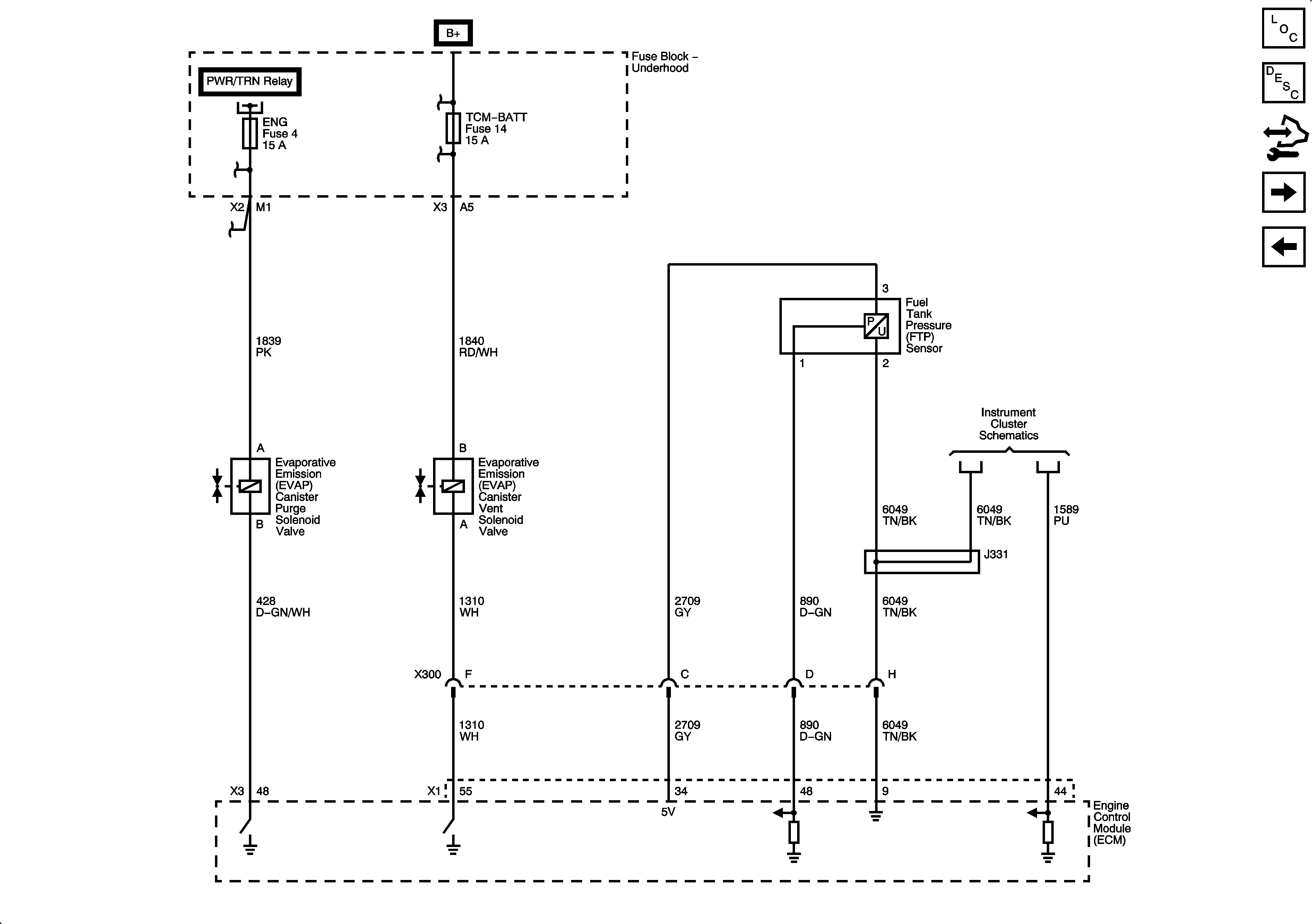
Figure 11:

Fuel Controls - EVAP Controls


Object Number: 2075790  Size: FS
Figure 12:

Controlled/Monitored Subsystem References


Object Number: 2075792  Size: FS