GM Service Manual Online
For 1990-2009 cars only
Makes
🢒
Chevrolet
🢒
2009
🢒
Avalanche - 2WD
🢒
Brakes
🢒
Antilock Brake System - Hybrid (HP2)
🢒 Antilock Brake System Schematics
Figure
1:
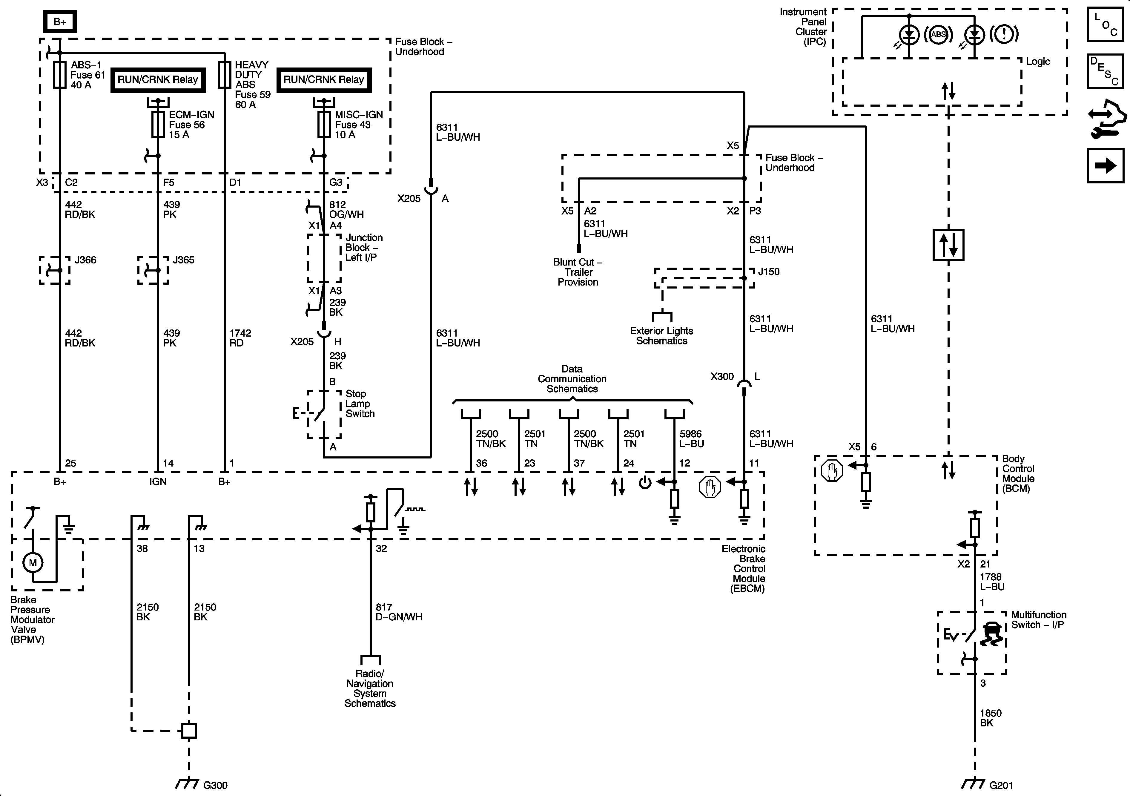
Module Power, Ground, and Serial Data, Pump Motor and Brake Switch - HP2
Figure
2:
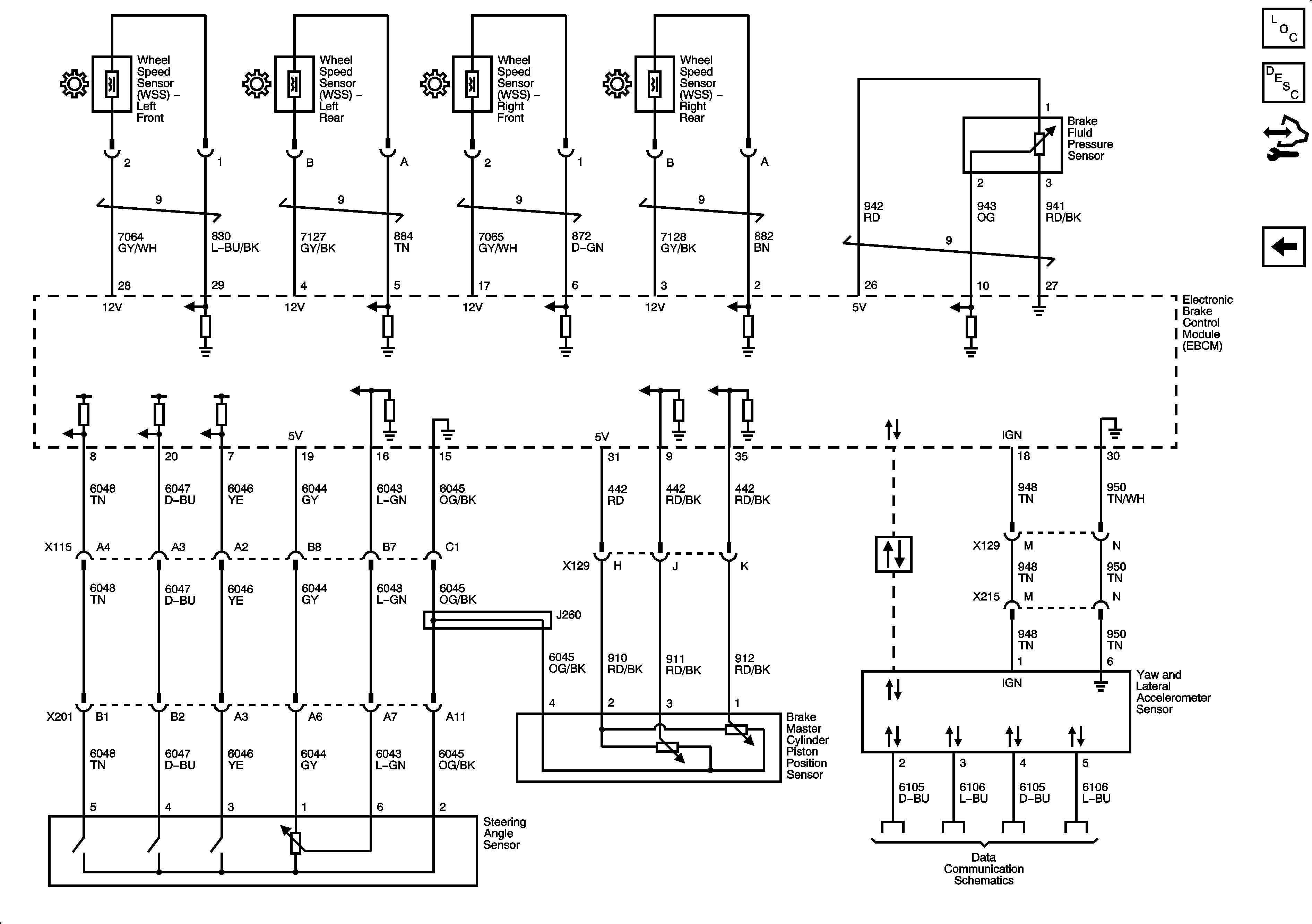
Sensors - HP2