GM Service Manual Online
For 1990-2009 cars only
Makes
🢒
Chevrolet
🢒
2002
🢒
Avalanche - 4WD
🢒
Transmission/Transaxle
🢒
Automatic Transmission - 4L60-E
🢒 Defogger Schematics
Figure
1:
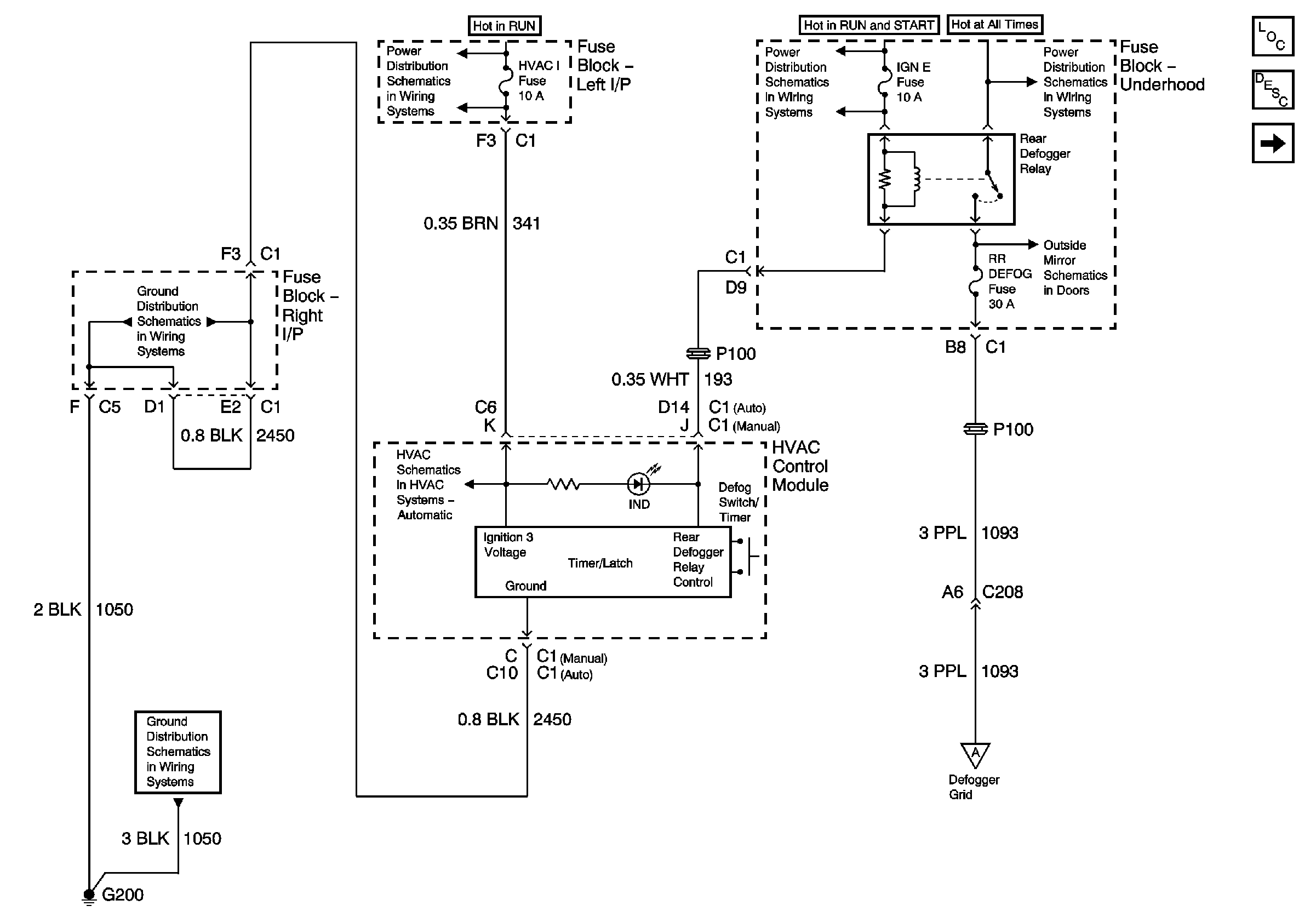
Rear Window Defogger Control
Master Electrical Component List
Rear Window Defogger Description and Operation
Defogger Grid and Ground
4WD and HVAC I Fuses
O2 B, O2 A, ENG 1, and IGN E Fuses
HTD MIR, RR DEFOG Fuses, and RR DEFOG Relay
G200 - 1 of 2
G200 - 1 of 2
HTD MIR, RR DEFOG Fuses, and RR DEFOG Relay
Defogger Grid and Ground
Primary Air Delivery Controls, HVAC Control Module Power, Ground and Serial Data
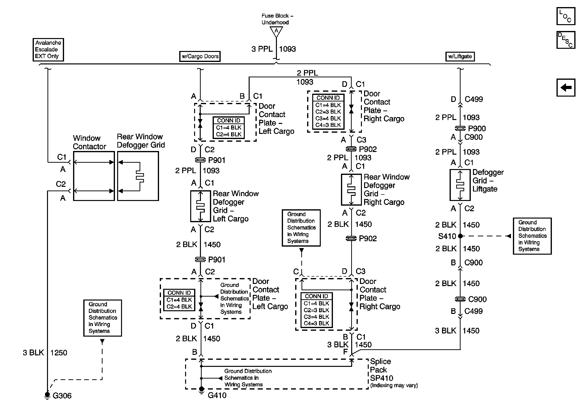
Figure
2:
Defogger Grid and Ground
Master Electrical Component List
Rear Window Defogger Description and Operation
Rear Window Defogger Control
Rear Window Defogger Control
G410 2 of 2
G306
G410 2 of 2
G410 2 of 2
G410 2 of 2
G410 2 of 2