GM Service Manual Online
For 1990-2009 cars only
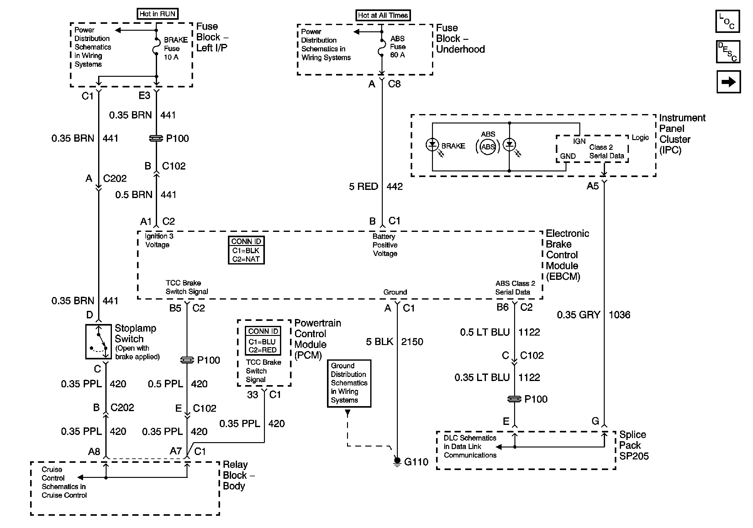
Figure 1:

Power, Ground, Class 2 Communication - w/o Traction Assist


Object Number: 744557  Size: FS
Master Electrical Component List
ABS Description and Operation
Speed Sensor Signals - w/o Traction Assist
4WD and HVAC I Fuses
ABS, HAZ LP, STUD 1, STUD 2, CTSY LP, and PARK LP Fuses
G100 and G110
Splice Pack SP205
Stop Lamp Switch Inputs and Vehicle Speed Signal (w/o ETC)
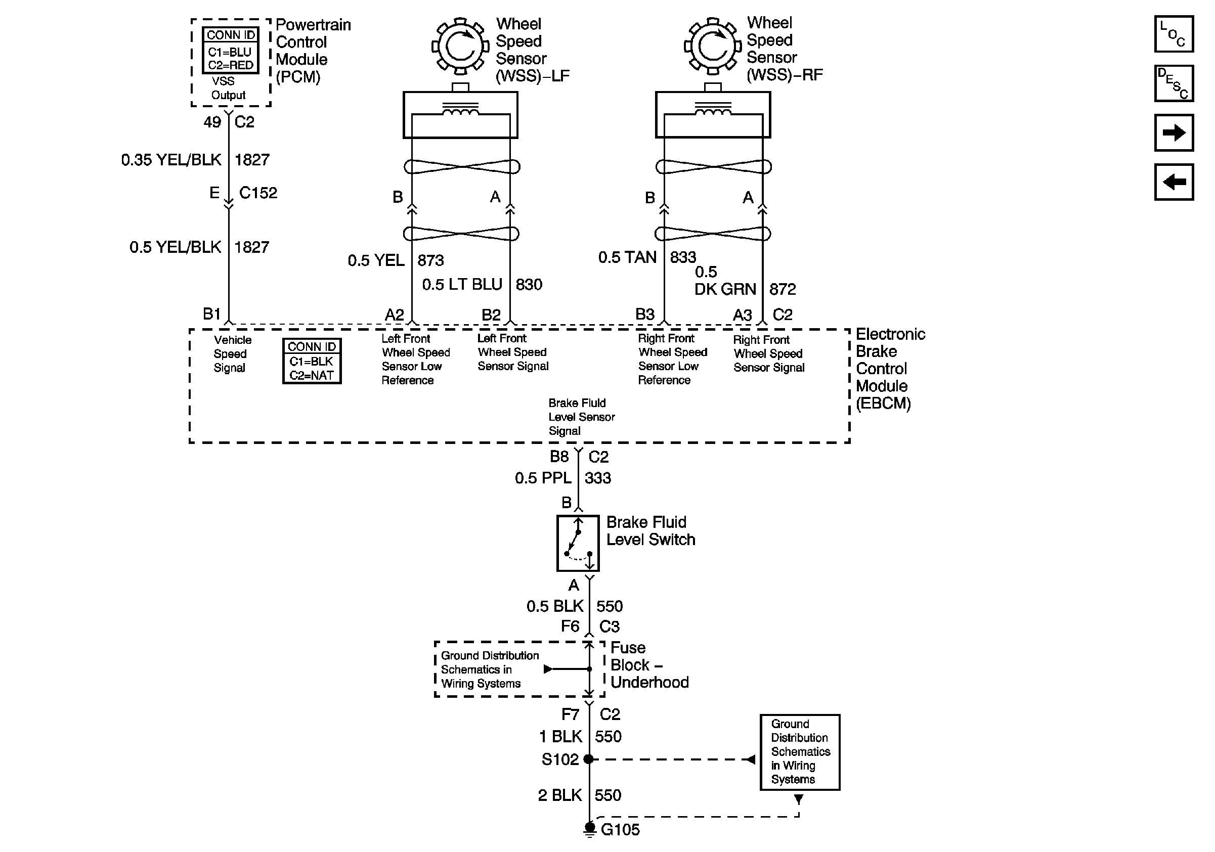
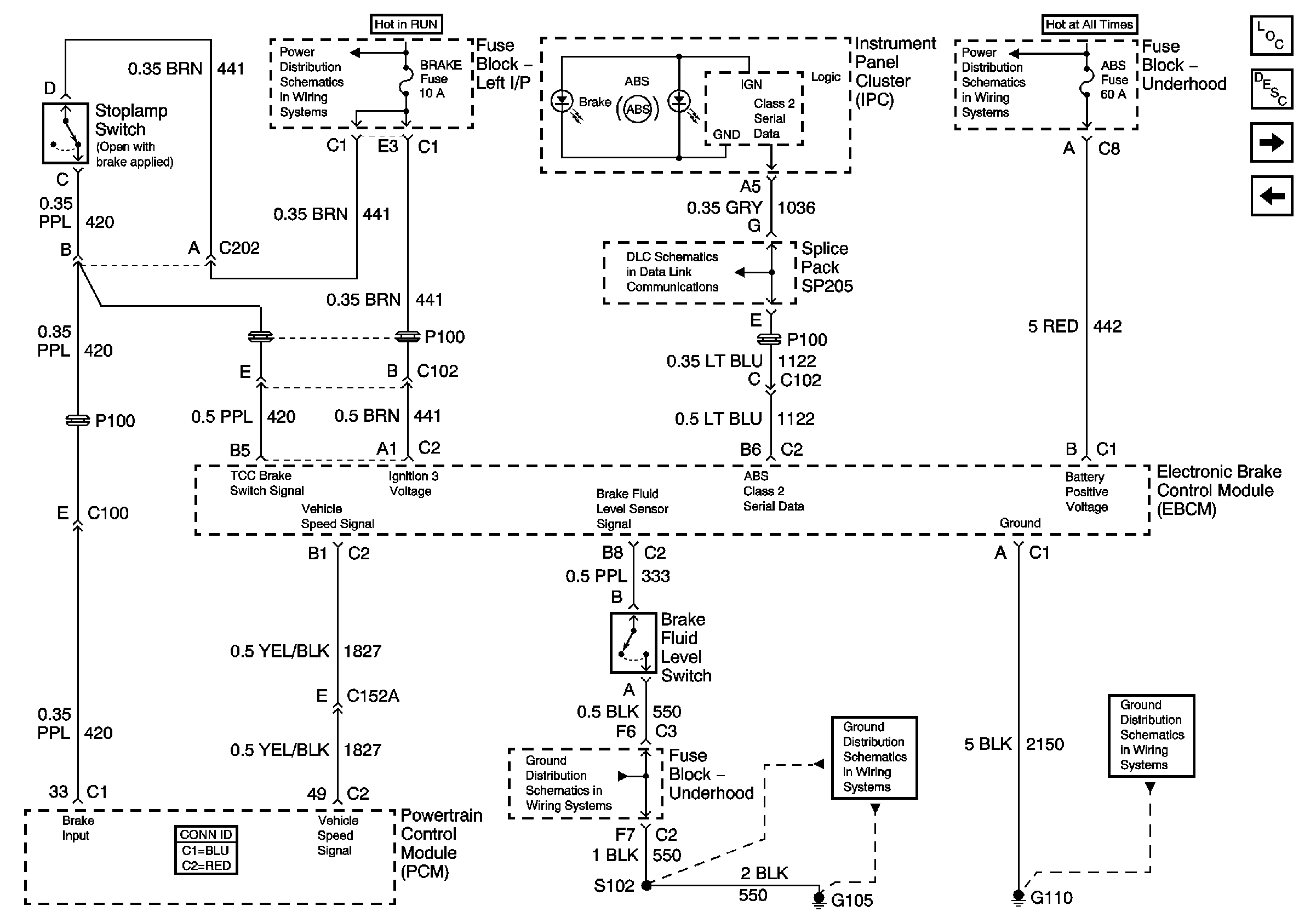
Figure 2:

Speed Sensor Signals and Brak Fluid Switch - w/o Traction Assist


Object Number: 744560  Size: FS
Master Electrical Component List
ABS Description and Operation
Power, Ground, Class 2 Communication - w/Traction Assist
Power, Ground, Class 2 Communication - w/o Traction Assist
G104
G103, G105, and G106
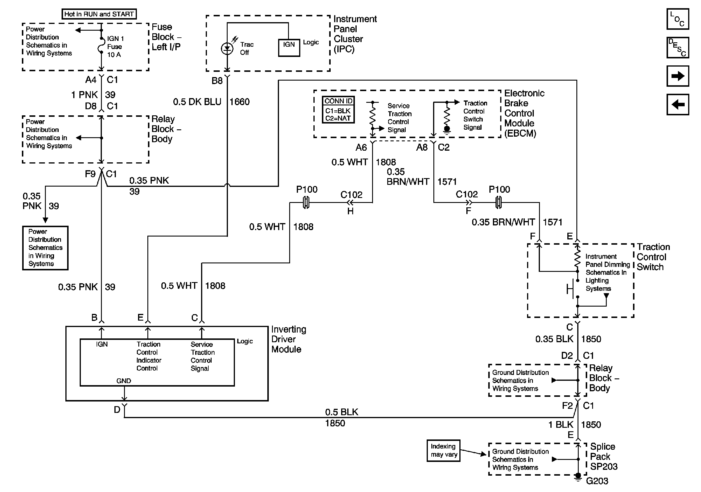
Figure 3:

Power, Ground, Class 2 Communication - w/Traction Assist


Object Number: 744563  Size: FS
Master Electrical Component List
ABS Description and Operation
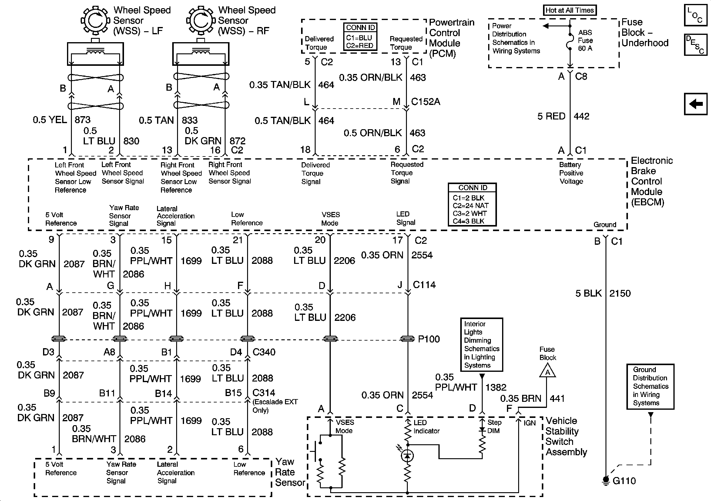
Speed Sensor Signals, Traction Control Switch - w/Traction Assist
Speed Sensor Signals - w/o Traction Assist
4WD and HVAC I Fuses
ABS, HAZ LP, STUD 1, STUD 2, CTSY LP, and PARK LP Fuses
Splice Pack SP205
G104
G104
G100 and G110
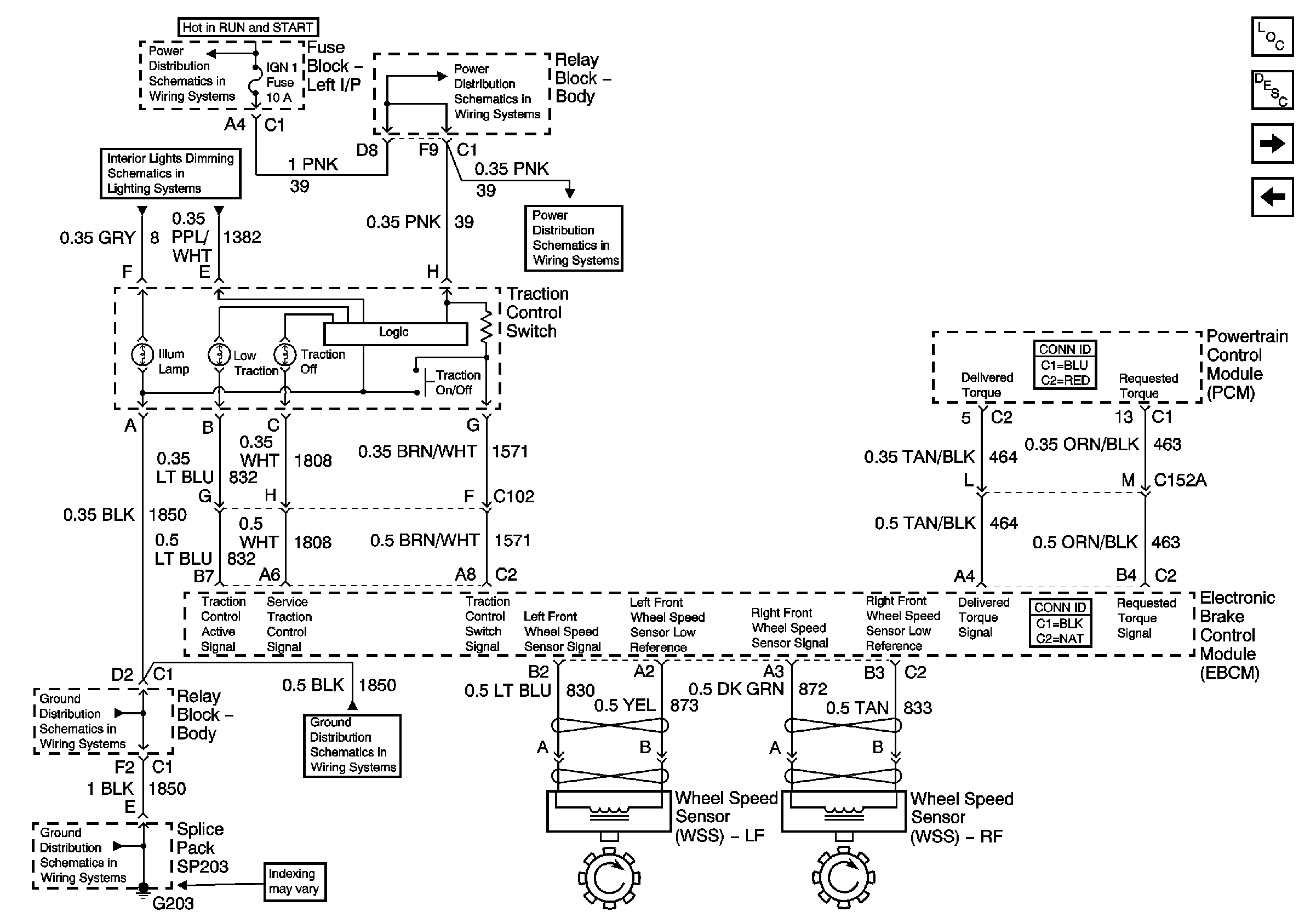
Figure 4:

Speed Sensor Signals and Traction Control Switch - w/Traction Assist


Object Number: 744565  Size: FS
Master Electrical Component List
ABS Description and Operation
w/ Traction Assist - Escalade 2WD
Power, Ground, Class 2 Communication - w/Traction Assist
IGN 1, SEO IGN, and AIR BAG Fuses
IGN 1, SEO IGN, and AIR BAG Fuses
Transfer Case Shift Control Switch and Traction Assist Switch
IGN 1, SEO IGN, and AIR BAG Fuses
G203 - 3 of 4
G203 - 1 of 4
G203 - 4 of 4
Figure 5:

w/ Traction Assist - Escalade 2WD


Object Number: 810482  Size: FS
Master Electrical Component List
ABS Description and Operation
Power, Ground, DLC, MPA Switch and Pressure Transducer - W/ VSES
Speed Sensor Signals, Traction Control Switch - w/Traction Assist
IGN 1, SEO IGN, and AIR BAG Fuses
IGN 1, SEO IGN, and AIR BAG Fuses
IGN 1, SEO IGN, and AIR BAG Fuses
Transfer Case Shift Control Switch and Traction Assist Switch
G203 - 4 of 4
G203 - 1 of 4
Figure 6:

Power, Ground, DLC, and Pressure Controls - W/ VSES


Object Number: 757214  Size: FS
Master Electrical Component List
ABS Description and Operation
Wheel Speed Sensors, YAW Rate Sensor and Vehicle Stability Switch - W/VSES
Speed Sensor Signals, Traction Control Switch - w/Traction Assist
LT TURN AND RT TURN Fuses - Tahoe/Yukon/Suburban/Yukon XL
Wheel Speed Sensors, YAW Rate Sensor and Vehicle Stability Switch - W/VSES
Splice Pack SP205
G104
G103, G105, and G106
Figure 7:

Vehicle Stability Switch, Wheel Speed and YAW Rate Sensors - w/ VSES


Object Number: 757220  Size: FS
Master Electrical Component List
ABS Description and Operation
Power, Ground, DLC, MPA Switch and Pressure Transducer - W/ VSES
ABS, HAZ LP, STUD 1, STUD 2, CTSY LP, and PARK LP Fuses
RPA and Vehicle Stability Switches
Power, Ground, DLC, MPA Switch and Pressure Transducer - W/ VSES
G100 and G110