GM Service Manual Online
For 1990-2009 cars only
Makes
🢒
Chevrolet
🢒
2002
🢒
Avalanche - 4WD
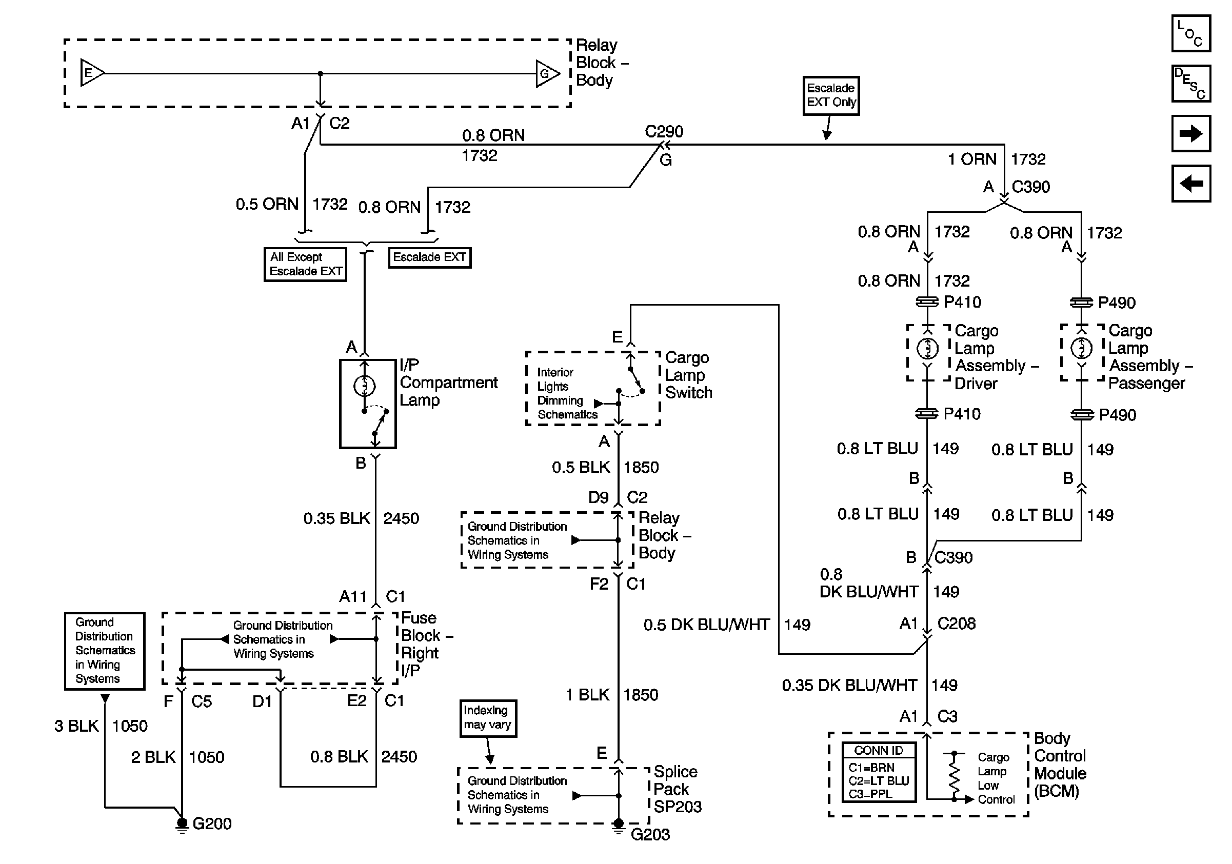
🢒 Courtesy Lamp Supply - 4 of 5
Courtesy Lamp Supply - 4 of 5
Courtesy Lamp Supply - 4 of 5
Master Electrical Component List
Interior Lighting Systems Description and Operation
Courtesy Lamp Supply - 5 of 5
Courtesy Lamp Supply - 3 of 5
Courtesy Lamp Supply - 3 of 5
Courtesy Lamp Supply - 5 of 5
G200 - 1 of 2
G200 - 1 of 2
LED Dimming Control, IPC, Cargo/Fog Lamp Switch and DIC
G203 - 3 of 4
G203 - 1 of 4