GM Service Manual Online
For 1990-2009 cars only
Makes
🢒
Chevrolet
🢒
2005
🢒
Avalanche - 4WD
🢒
Vehicle Control Systems
🢒
Vehicle DTC Information
🢒 OnStar Schematics
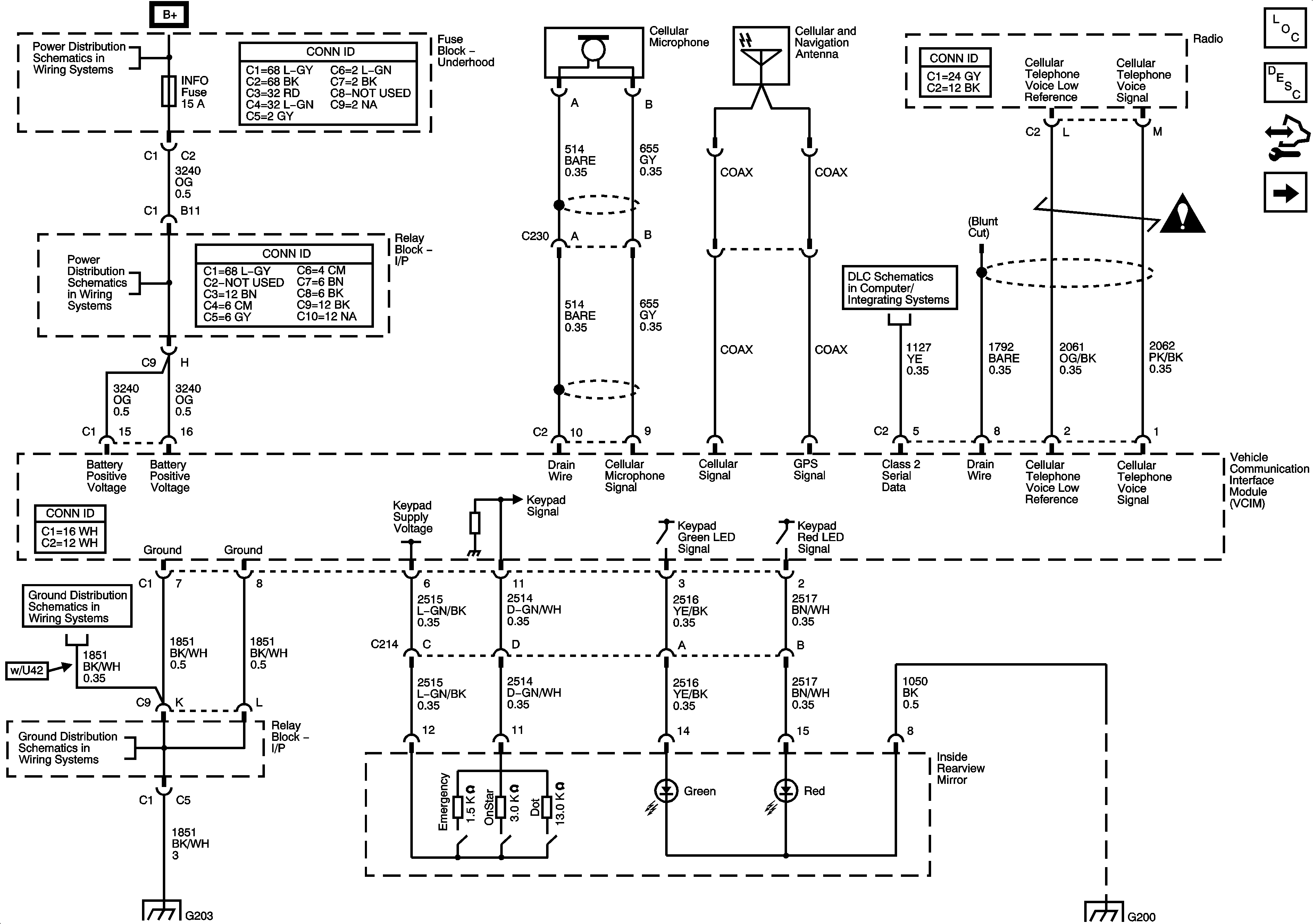
Figure
1:
OnStar - w/o Y91
Master Electrical Component List
OnStar Description and Operation
Control Module References
OnStar (Y91)
B+ Bus - 1 of 2
CIG LTR, EAP, and INFO Fuses
Splice Pack SP207
Cellular Communication Schematic Icons
G200 - 3 of 3 - S345
G203 - 1 of 3
G203 - 1 of 3
G203 - 1 of 3
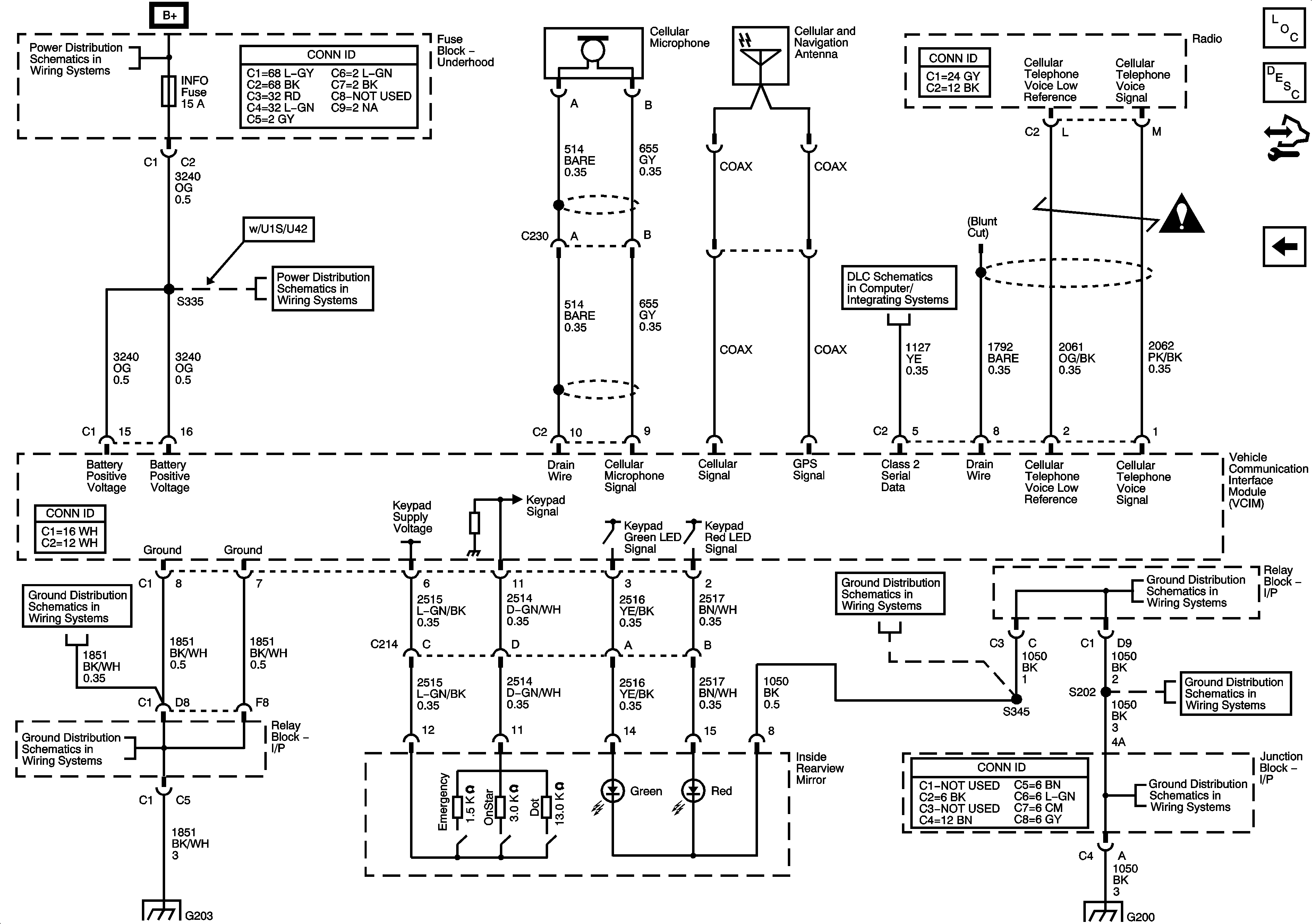
Figure
2:
OnStar - w/Y91
Master Electrical Component List
OnStar Description and Operation
Control Module References
OnStar (w/o Y91)
B+ Bus - 1 of 2
CIG LTR, EAP, and INFO Fuses
Splice Pack SP207
Cellular Communication Schematic Icons
G200 - 3 of 3 - S345
G200 - 1 of 3
G200 - 1 of 3
G200 - 1 of 3
G200 - 3 of 3 - S345
G203 - 1 of 3
G203 - 1 of 3
G203 - 2 of 3