GM Service Manual Online
For 1990-2009 cars only
Figure 1:

Power, Ground, Serial Data, and MIL Control


Object Number: 1464168  Size: FS
Master Electrical Component List
Instrument Cluster Description and Operation
Control Module References
Indicators
B+ Bus - 1 of 2
Ignition Switch - ACCY/RUN and RUN/START Busses, and IGN B Fuse
IGN E and SIR Fuses
Power, Ground, DLC, and Splice Pack SP205
G203 - 2 of 3
Figure 2:

Indicators


Object Number: 1464169  Size: FS
Master Electrical Component List
Instrument Cluster Description and Operation
Control Module References
Gages
Power, Ground, Serial Data, and MIL Control
Power, Ground, DLC, and Splice Pack SP205
Left Turn Signals - w/o VD1
Right Turn Signals - w/o VD1
Right Turn Signals - VD1
Left Turn Signals - VD1
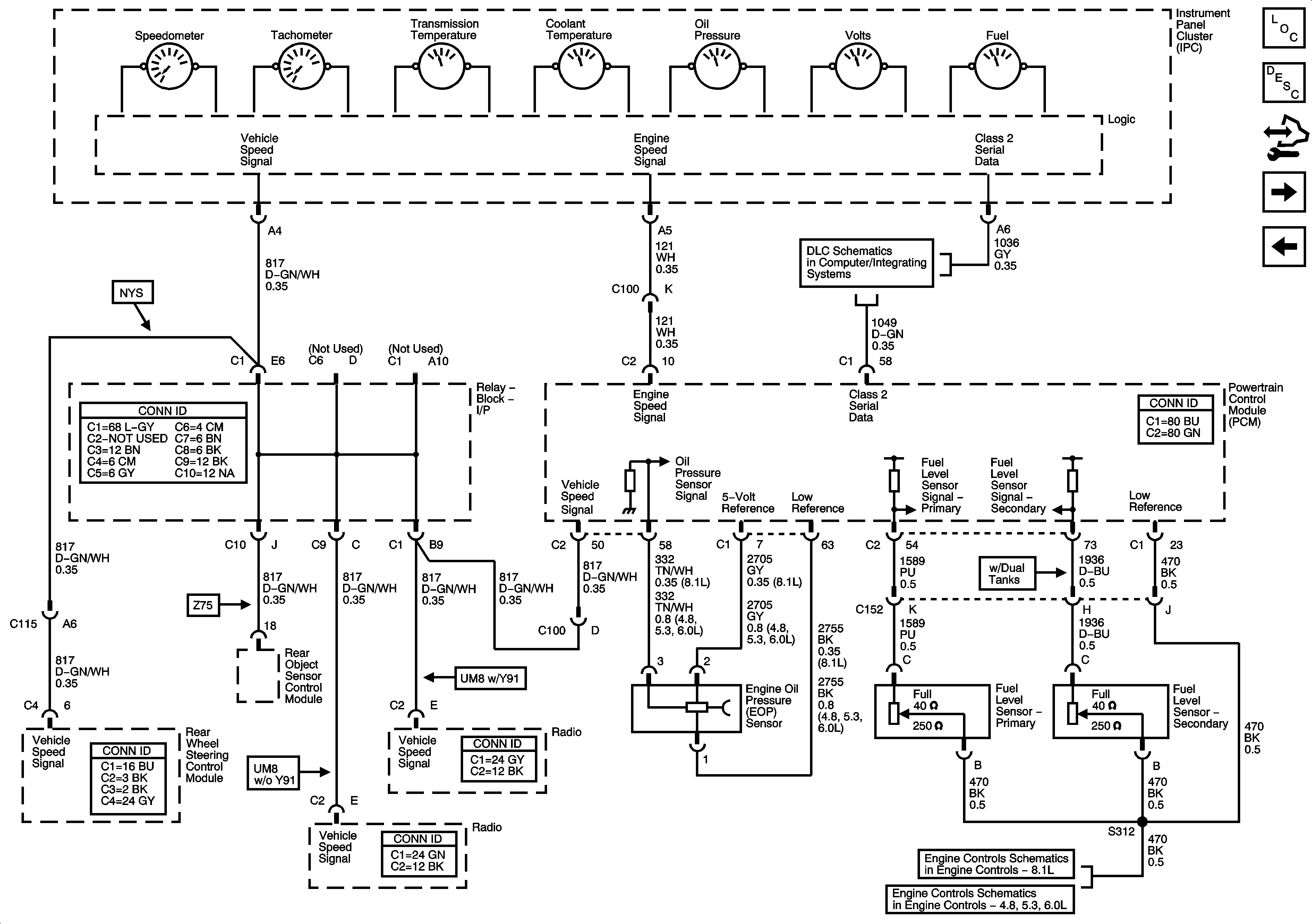
Figure 3:

Gages


Object Number: 1464171  Size: FS
Master Electrical Component List
Instrument Cluster Description and Operation
Control Module References
Driver Information Center
Indicators
Power, Ground, DLC, and Splice Pack SP205
Engine Data Sensors - 5-Volt and Low Reference
Engine Data Sensors - 5-Volt and Low Reference
Figure 4:

Driver Information Center


Object Number: 1464173  Size: FS
Master Electrical Component List
Driver Information Center (DIC) Description and Operation
Control Module References
Gages
Instrument Panel, Gages, and Console Schematic Icons
G203 - 3 of 3
Front Wiper/Washer Control - 1 of 2
Power, Ground, DLC, and Splice Pack SP205
G102 and G103
G203 - 3 of 3
I/P Dimming Supply Voltage - 2 of 8
I/P Dimming Supply Voltage - 2 of 8