GM Service Manual Online
For 1990-2009 cars only
Makes
🢒
Chevrolet
🢒
2005
🢒
Avalanche - 4WD
🢒
Vehicle Control Systems
🢒
Vehicle DTC Information
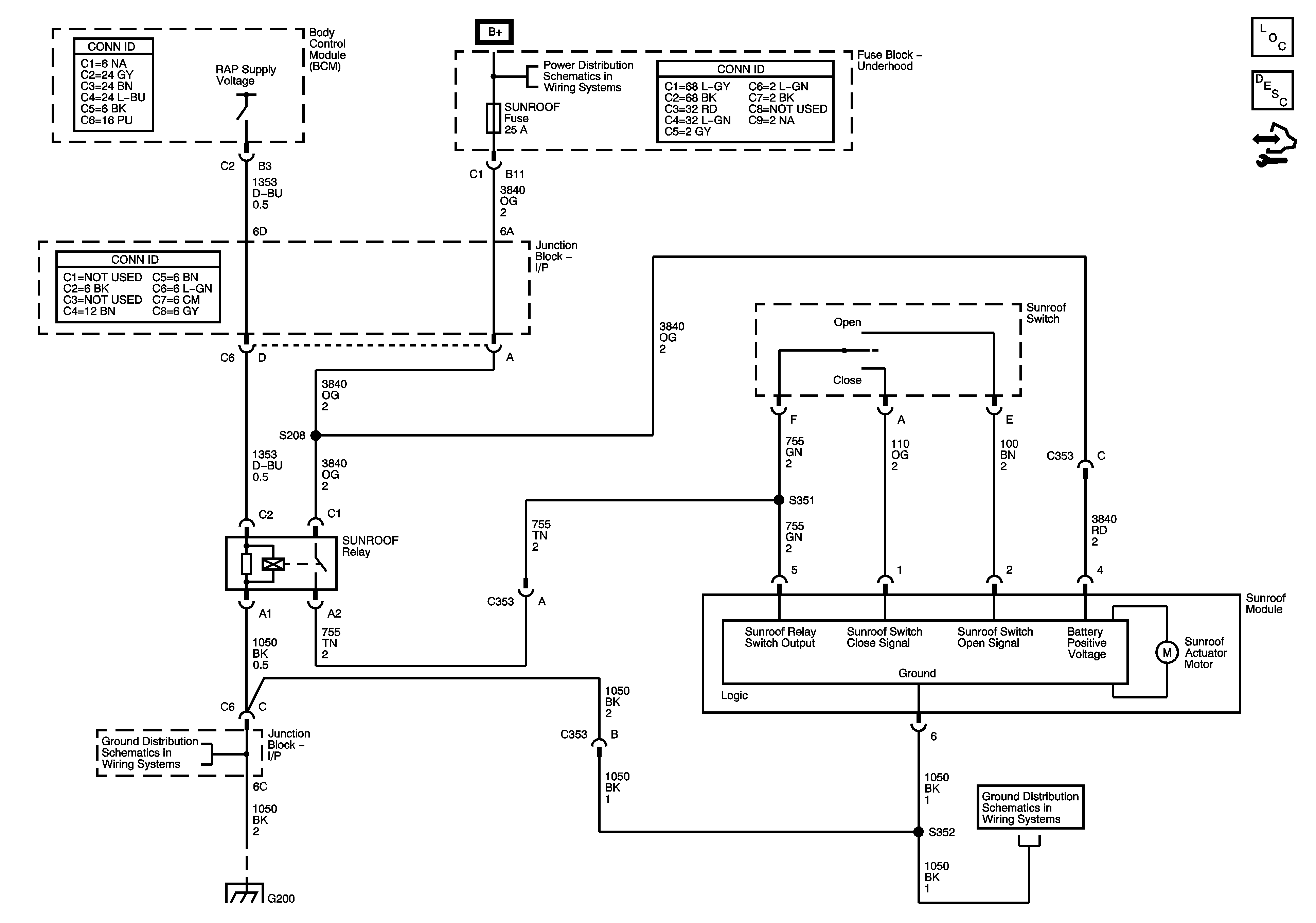
🢒 Sunroof Schematics
Master Electrical Component List
Sunroof Description and Operation
Control Module References
B+ Bus - 1 of 2
G200 - 1 of 3
G200 - 1 of 3
G200 - 1 of 3