GM Service Manual Online
For 1990-2009 cars only
Makes
🢒
Chevrolet
🢒
2005
🢒
Avalanche - 4WD
🢒
Body
🢒
Body Rear End
🢒 Body Rear End Schematics
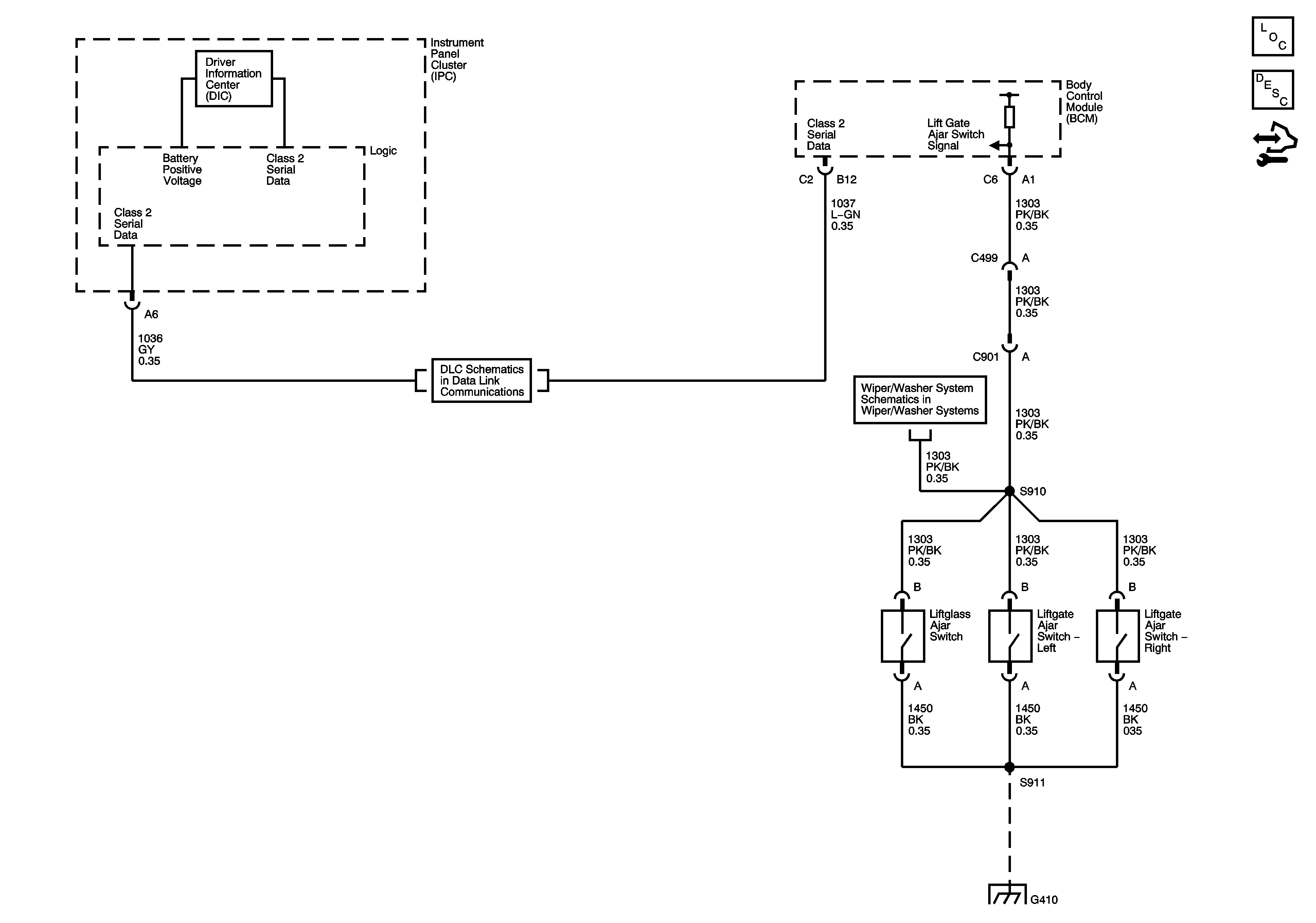
Master Electrical Component List
Cargo Door Description and Operation
SP205 - 1 of 2
Cargo Door and Liftgate Switches
G410 - 1 of 3
G410 - 2 of 3
G410 - 1 of 3