GM Service Manual Online
For 1990-2009 cars only
Makes
🢒
Chevrolet
🢒
2005
🢒
Avalanche - 4WD
🢒
Body
🢒
Wiring Systems
🢒 Interior Lights Schematics
Figure
1:
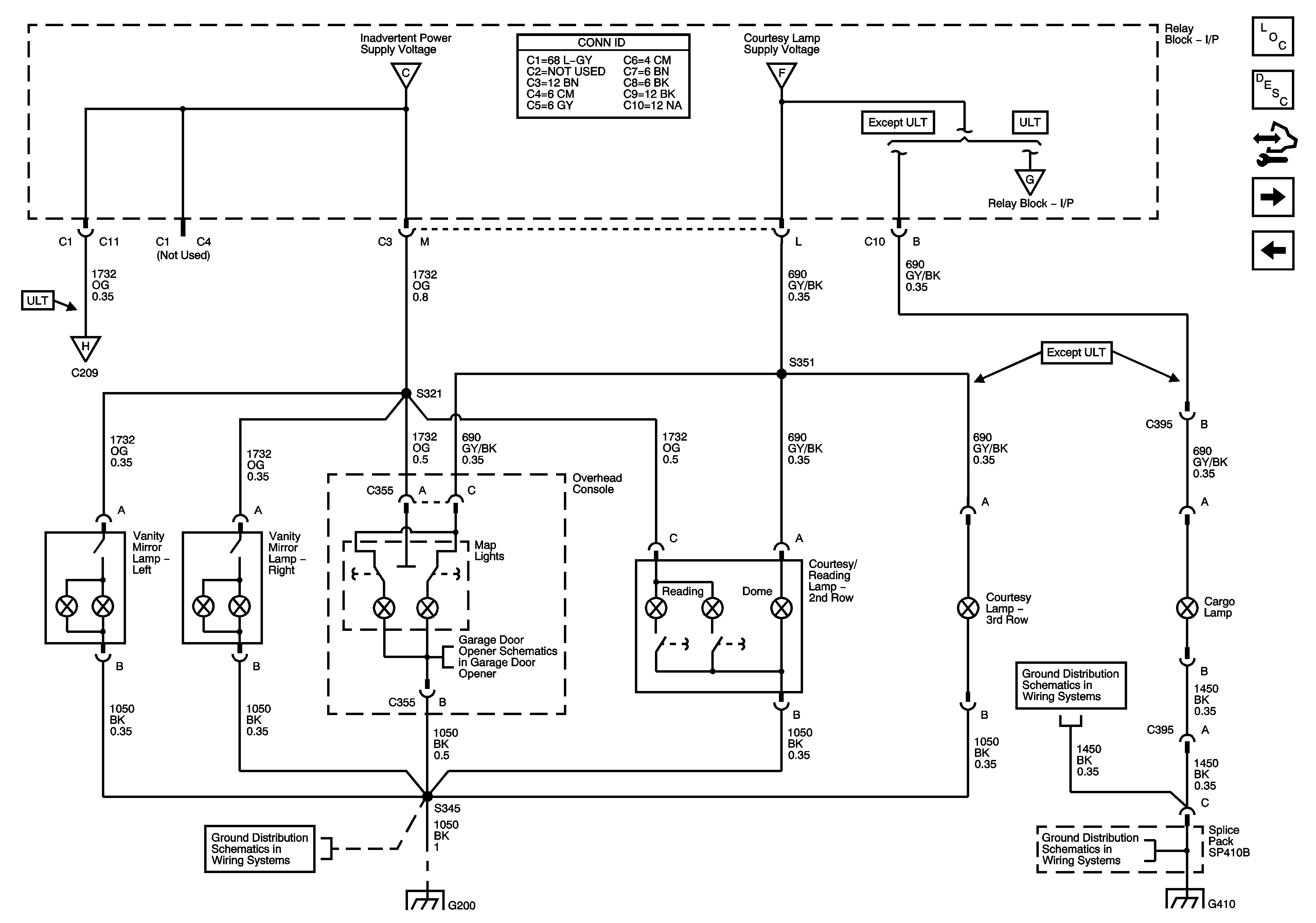
Headlamp Switches, Courtesy Lamp and Inadvertent Voltage Supplies
Master Electrical Component List
Interior Lighting Systems Description and Operation
Control Module References
Interior Lamps - Tahoe, Yukon, and Escalade
Headlights/DRL Controls
G203 - 2 of 3
Interior Lamps - Tahoe, Yukon, and Escalade
Interior Lamps - Avelanche and Escalade EXT
Interior Lamps - Suburban, Yukon XL, and Escalade ESV w/o ULT
Interior Lamps - Tahoe, Yukon, and Escalade
Interior Lamps - Avelanche and Escalade EXT
Interior Lamps - Suburban, Yukon XL, and Escalade ESV w/o ULT
Figure
2:
Interior Lamps - Tahoe, Yukon, and Escalade
Master Electrical Component List
Interior Lighting Systems Description and Operation
Control Module References
Interior Lamps - Avelanche and Escalade EXT
Headlamp Switches, Courtesy Lamp, and Inadvertent Voltage Supplies
Headlamp Switches, Courtesy Lamp, and Inadvertent Voltage Supplies
Headlamp Switches, Courtesy Lamp, and Inadvertent Voltage Supplies
I/P Dimming Supply Voltage - 6 of 8
G200 - 1 of 3
G200 - 3 of 3 - S345
Figure
3:
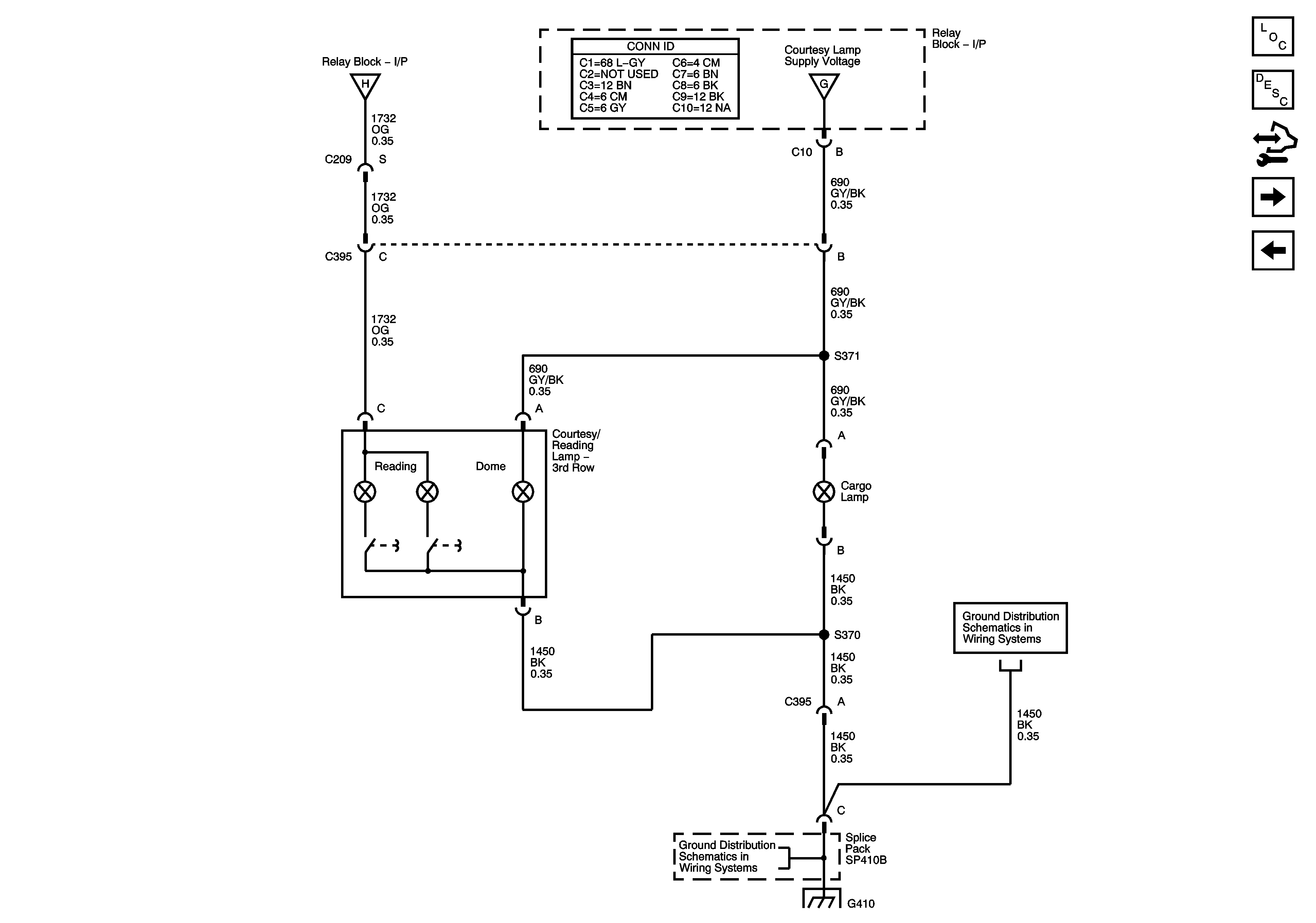
Interior Lamps - Avalanche and Escalade EXT
Master Electrical Component List
Interior Lighting Systems Description and Operation
Control Module References
Interior Lamps - Suburban, Yukon XL, and Escalade ESV w/o ULT
Interior Lamps - Tahoe, Yukon, and Escalade
Headlamp Switches, Courtesy Lamp, and Inadvertent Voltage Supplies
Headlamp Switches, Courtesy Lamp, and Inadvertent Voltage Supplies
I/P Dimming Supply Voltage - 6 of 8
G200 - 3 of 3 - S345
G200 - 1 of 3
G203 - 1 of 3
I/P Dimming Supply Voltage - 4 of 8
Figure
4:
Interior Lamps - Suburban, Yukon XL, and Escalade ESV w/o ULT
Master Electrical Component List
Interior Lighting Systems Description and Operation
Control Module References
Interior Lamps - 3rd Row and Cargo - Escalade ESV w/ULT
Interior Lamps - Avelanche and Escalade EXT
Interior Lamps - 3rd Row and Cargo - Escalade ESV w/ULT
Headlamp Switches, Courtesy Lamp, and Inadvertent Voltage Supplies
Headlamp Switches, Courtesy Lamp, and Inadvertent Voltage Supplies
Interior Lamps - 3rd Row and Cargo - Escalade ESV w/ULT
G410 1 of 3
G410 1 of 3
G410 1 of 3
I/P Dimming Supply Voltage - 6 of 8
G200 - 1 of 3
G200 - 3 of 3 - S345
Figure
5:
Interior Lamps - Escalade ESV w/ULT
Master Electrical Component List
Interior Lighting Systems Description and Operation
Control Module References
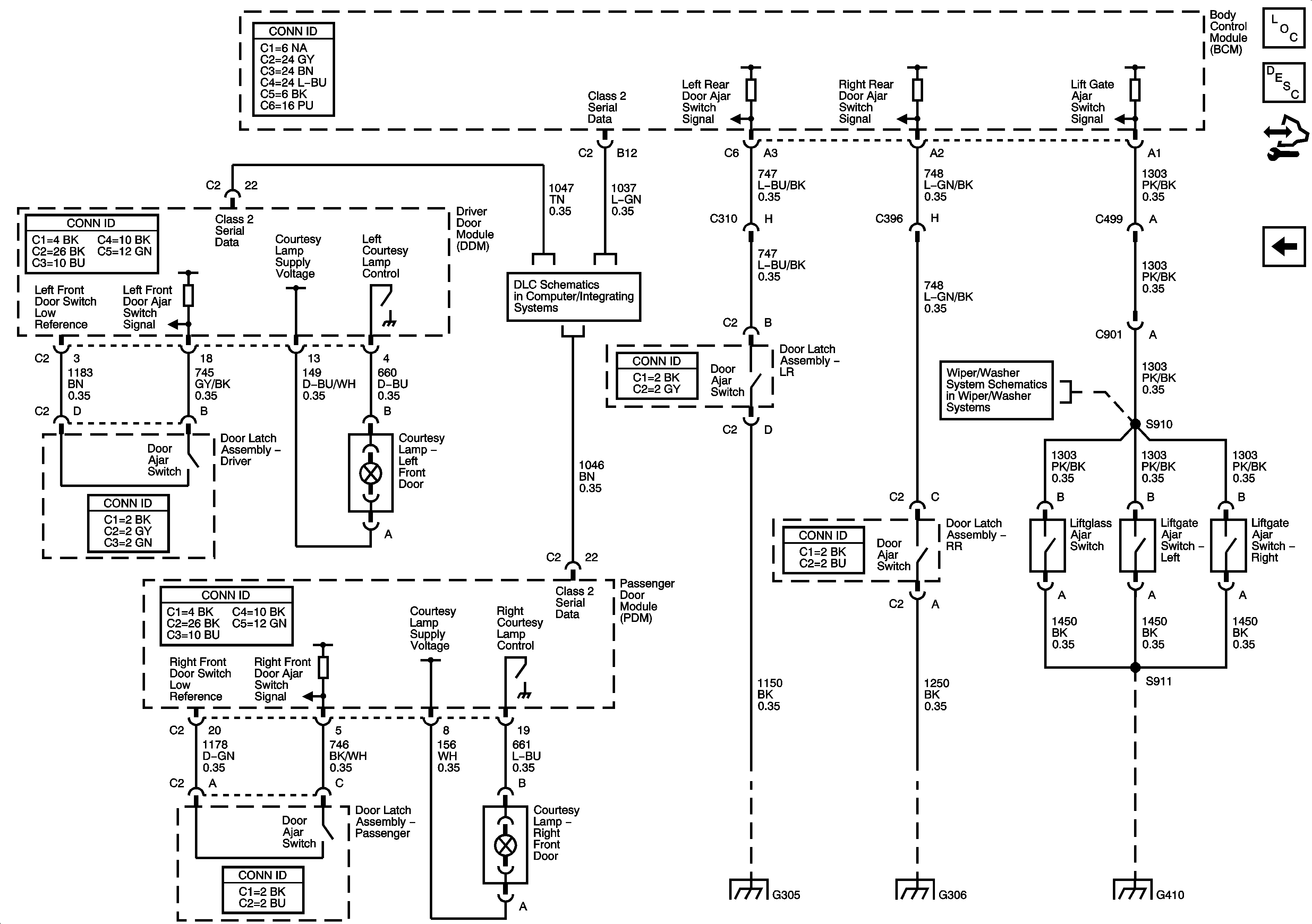
Door Switch Inputs and Door Courtesy Lamps
Interior Lamps - Suburban, Yukon XL, and Escalade ESV w/o ULT
Interior Lamps - Suburban, Yukon XL, and Escalade ESV w/o ULT
Interior Lamps - Suburban, Yukon XL, and Escalade ESV w/o ULT
G410 1 of 3
G410 1 of 3
G410 1 of 3
Figure
6:
Switch Inputs and Door Courtesy Lamps
Master Electrical Component List
Interior Lighting Systems Description and Operation
Control Module References
Interior Lamps - 3rd Row and Cargo - Escalade ESV w/ULT
Power, Ground, DLC, and Splice Pack SP205
RearWiper/Washer Control
G304 and G305
G306
G410 1 of 3