GM Service Manual Online
For 1990-2009 cars only
Makes
🢒
Chevrolet
🢒
2005
🢒
Avalanche - 4WD
🢒
Body
🢒
Wiring Systems
🢒 Fog Lights Schematics
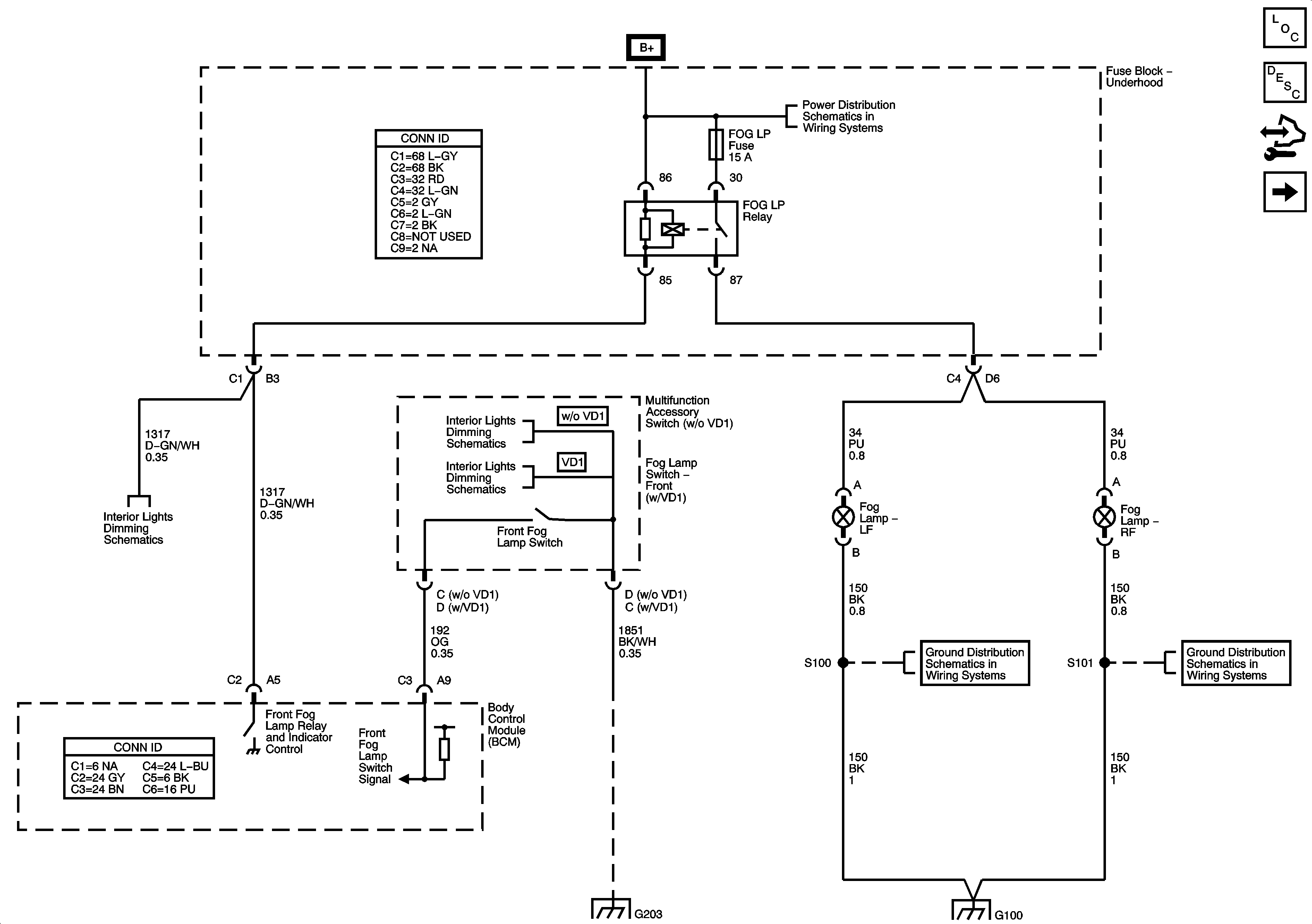
Figure
1:
Front
Master Electrical Component List
Exterior Lighting Systems Description and Operation
Control Module References
Rear - VD1
B+ Bus - 1 of 2
G100 and G105 - 4 of 4
G100 and G105 - 3 of 4
G100 and G105 - 1 of 4
G203 - 1 of 3
I/P Dimming Supply Voltage - 4 of 8
I/P Dimming Supply Voltage - 6 of 8
Dimming Control and LED DImming Supply Voltage - 2 of 2
Figure
2:
Rear - w/VD1
Master Electrical Component List
Exterior Lighting Systems Description and Operation
Control Module References
Front
B+ Bus - 1 of 2
IPC/DIC, LH HID, RH HID, SEO B1, SEO B2, and TBC BATT Fuses
G203 - 2 of 3
I/P Dimming Supply Voltage - 3 of 8
Dimming Control and LED DImming Supply Voltage - 1 of 2