GM Service Manual Online
For 1990-2009 cars only
Makes
🢒
Chevrolet
🢒
2006
🢒
Avalanche - 4WD
🢒
Accessories
🢒
Cellular Communication
🢒 OnStar Schematics
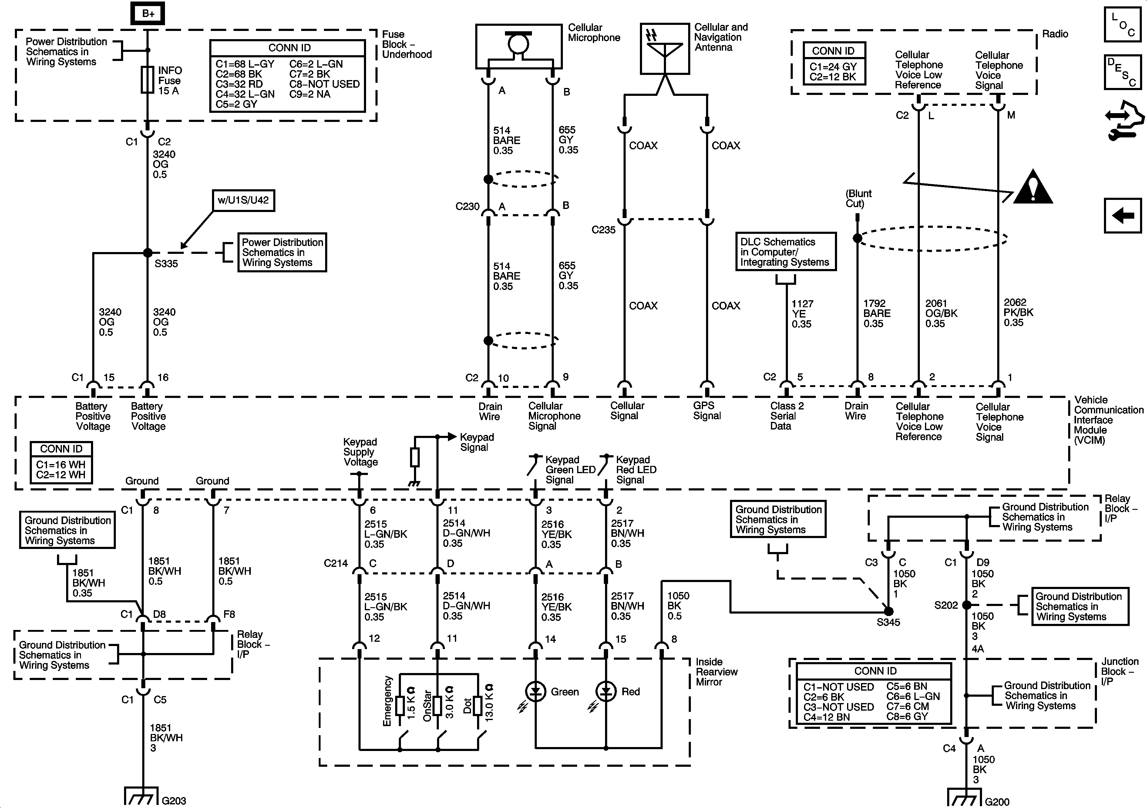
Figure
1:
w/o Y91
Master Electrical Component List
OnStar Description and Operation
Control Module References
OnStar - w/ Y91
B+ Bus - 1 of 2
CIG LTR, EAP, and INFO Fuses
SP207
Cellular Communication Schematic Icons
G200 3 of 3
G203 1 of 3
G203 1 of 3
G203 1 of 3
Figure
2:
w/Y91
Master Electrical Component List
OnStar Description and Operation
Control Module References
OnStar - w/o Y91
B+ Bus - 1 of 2
CIG LTR, EAP, and INFO Fuses
SP207
Cellular Communication Schematic Icons
G200 3 of 3
G200 1 of 3
G200 1 of 3
G200 1 of 3
G200 3 of 3
G203 1 of 3
G203 1 of 3
G203 2 of 3