GM Service Manual Online
For 1990-2009 cars only
Makes
🢒
Chevrolet
🢒
2004
🢒
Aveo
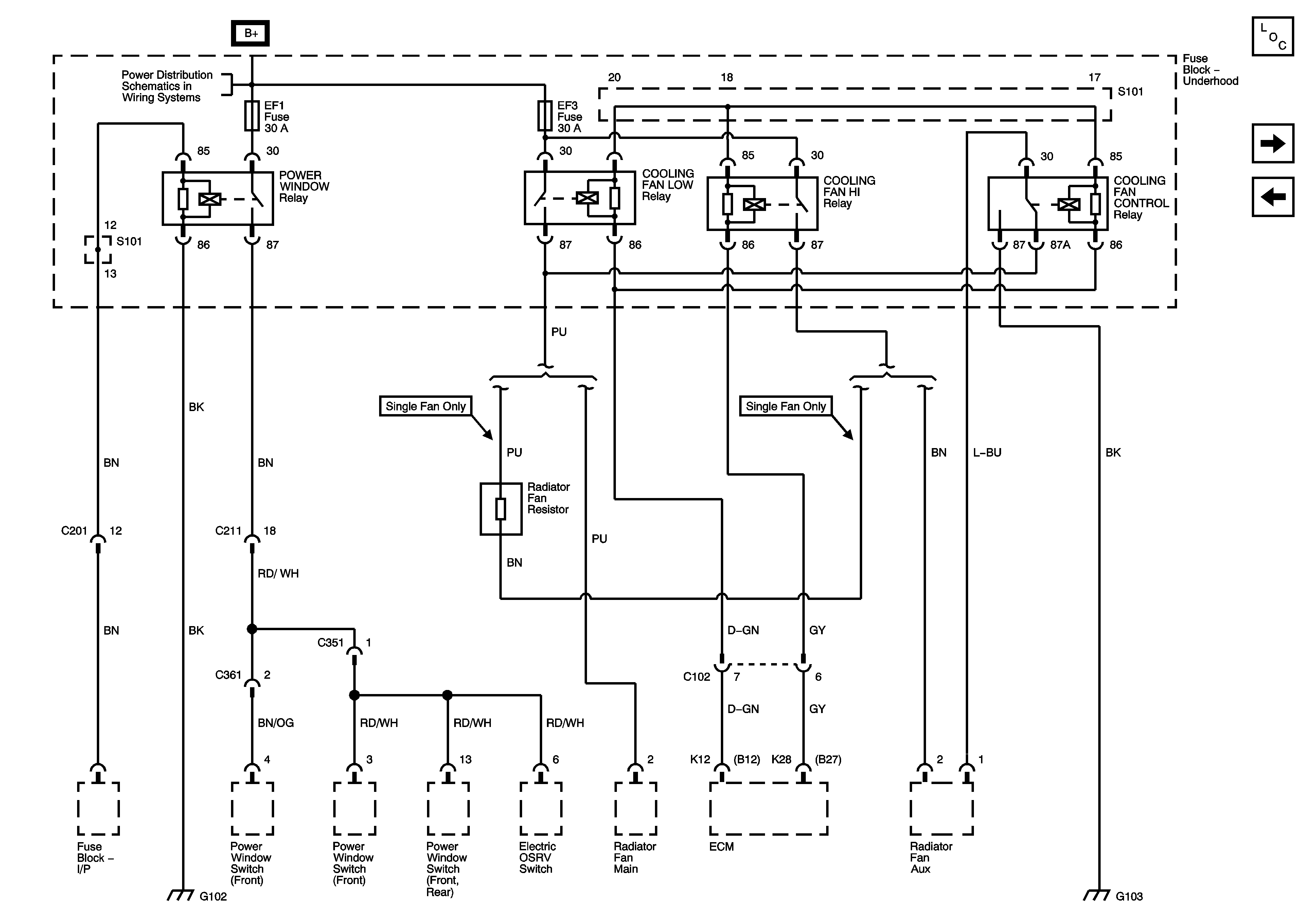
🢒 Fuse Block Underhood - Power Winow Relay, Cooling Fan Relays
Fuse Block Underhood - Power Winow Relay, Cooling Fan Relays
Fuse Block Underhood - Power Window Relay, Cooling Fan Relays
Master Electrical Component List
Underhood Fuse Block - ILLUM LAMP, ILLUM RH and LH Fuses
Underhood Fuse Block - Power Window, Cooling Fan Low Relay, Main Relay (1.2L), and Fuel Pump Fuses