GM Service Manual Online
For 1990-2009 cars only
Makes
🢒
Chevrolet
🢒
2004
🢒
Aveo
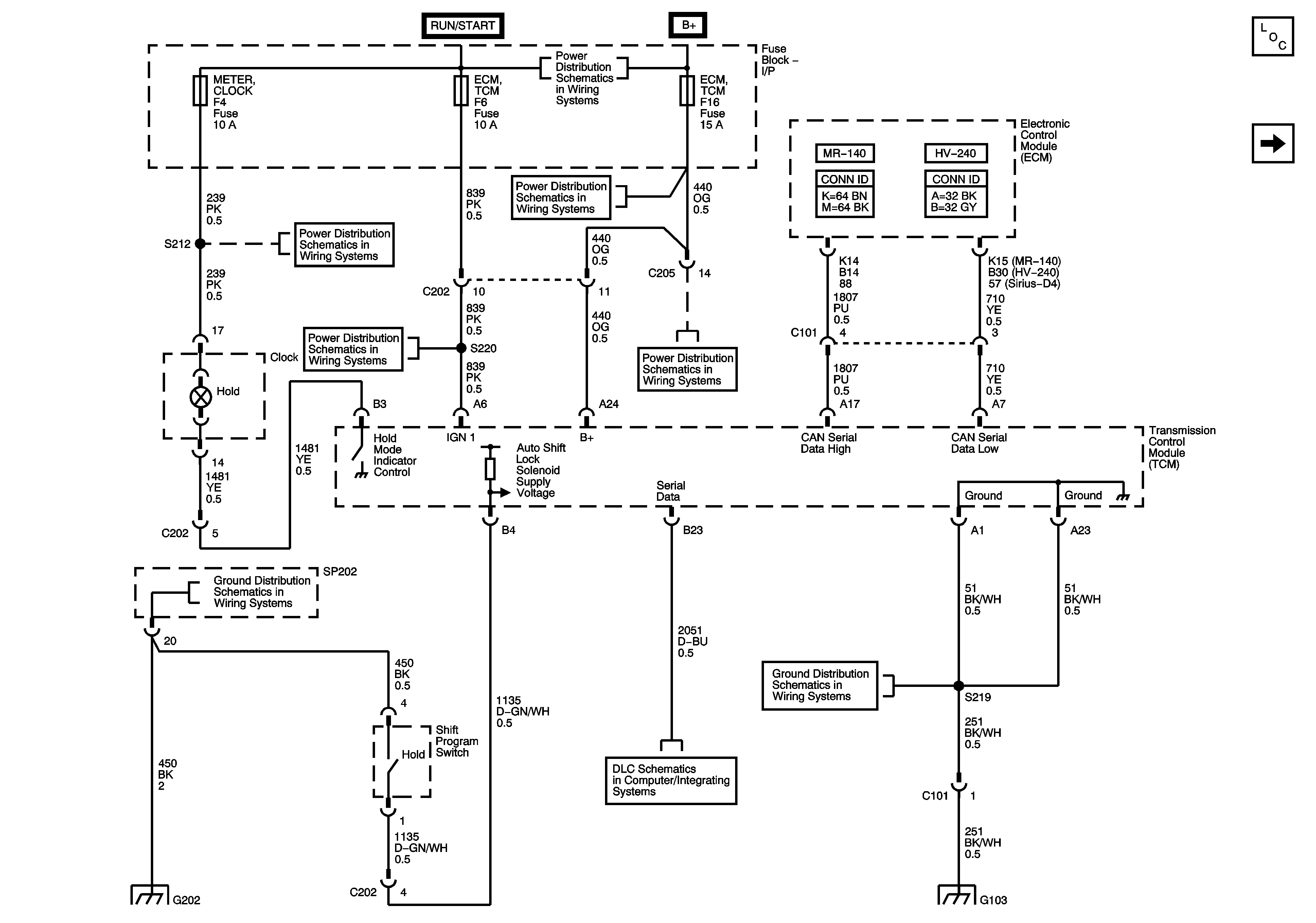
🢒 Module Power, Ground, Malfunction Indicator Lamp (MIL), Hold Lamp and Serial Data
Module Power, Ground, Malfunction Indicator Lamp (MIL), Hold Lamp and Serial Data
Module Power, Ground, Malfunction Indicator Lamp (MIL), Hold Lamp and Serial Data
Master Electrical Component List
Torque Converter Clutch (TCC) and Transmission Solenoids
Underhood Fuse Block - I/P Fuse, I/P Fuse Block - Horn, Stoplamp, Meter Hazard, Door Lock RKE, ECM TCM, and Clock Audio Fuses
Underhood Fuse Block - I/P Fuse, I/P Fuse Block - Horn, Stoplamp, Meter Hazard, Door Lock RKE, ECM TCM, and Clock Audio Fuses
Underhood Fuse Block - IGN 1 Fuse, Ignition Switch, I/P Fuse Block, - CIGAR JACK, AUDIO CLOCK, METER CLOCK, TSIG, BACKUP LAMP, and AIR BAG Fuses
Underhood Fuse Block - IGN 2 Fuse, Ignition Switch, I/P Fuse Block, - DIS INJECTOR, ECM TCM, WIPER WASHER, and HVAC BLOWER Fuses
Underhood Fuse Block - I/P Fuse, I/P Fuse Block - Horn, Stoplamp, Meter Hazard, Door Lock RKE, ECM TCM, and Clock Audio Fuses
G202 1 of 2
G103 (Sirius D4)
DLC - 1.2L