GM Service Manual Online
For 1990-2009 cars only
Makes
🢒
Chevrolet
🢒
2004
🢒
Aveo
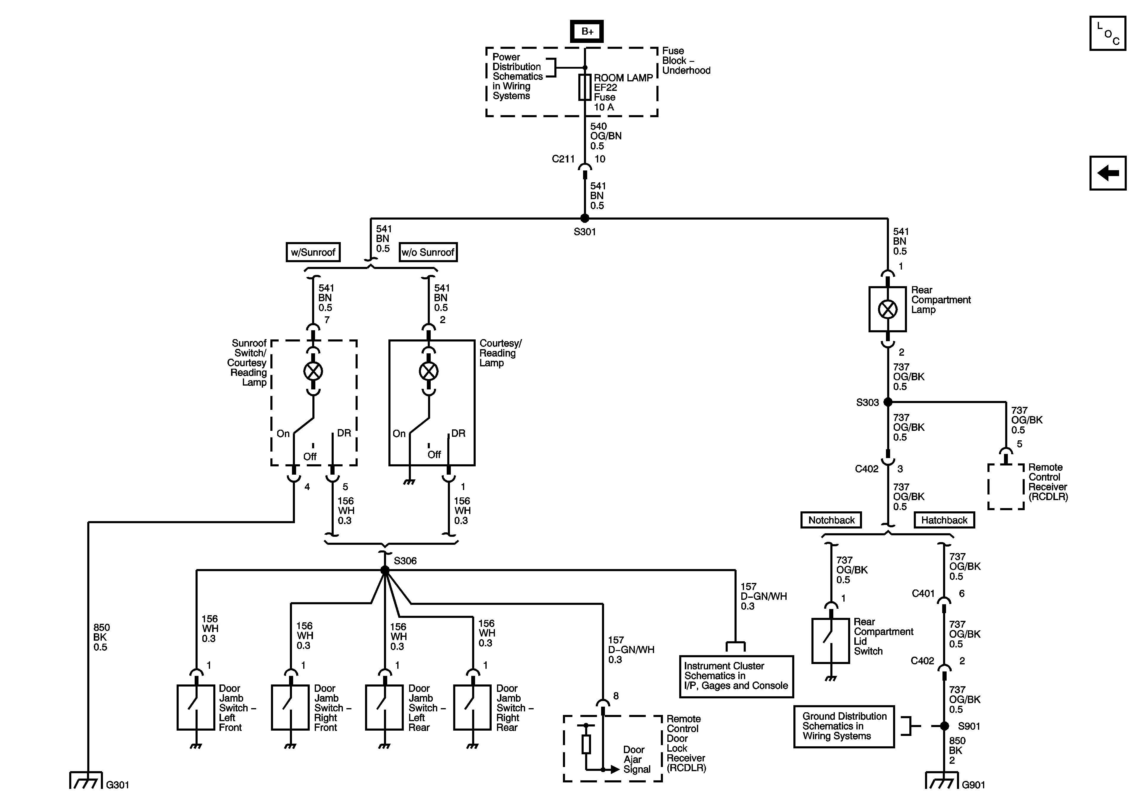
🢒 Courtesy and Trunk Lamp
Courtesy and Trunk Lamp
Courtesy and Trunk Lamp
Master Electrical Component List
Lamp Control/Battery Saver
Underhood Fuse Block - FRONT FOG and ROOM LAMP Fuses
Warning Indicators W/O Tachometer
G401 (Hatchback) / G901