GM Service Manual Online
For 1990-2009 cars only
Makes
🢒
Chevrolet
🢒
2004
🢒
Aveo
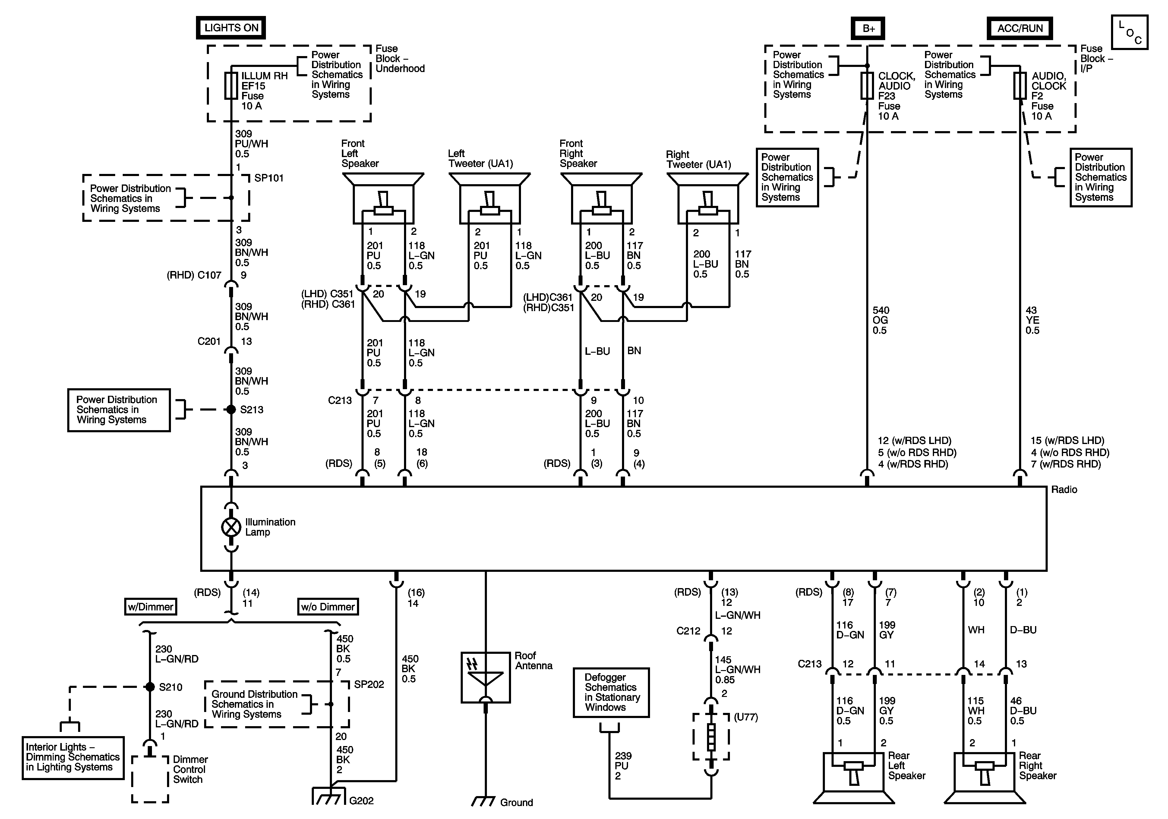
🢒 Radio and Speakers
Radio and Speakers
Radio and Speakers
Master Electrical Component List
Underhood Fuse Block - ILLUM LAMP, ILLUM RH and LH Fuses
Underhood Fuse Block - I/P Fuse, I/P Fuse Block - Horn, Stoplamp, Meter Hazard, Door Lock RKE, ECM TCM, and Clock Audio Fuses
Underhood Fuse Block - IGN 1 Fuse, Ignition Switch, I/P Fuse Block, - CIGAR JACK, AUDIO CLOCK, METER CLOCK, TSIG, BACKUP LAMP, and AIR BAG Fuses
Underhood Fuse Block - ILLUM LAMP, ILLUM RH and LH Fuses
Underhood Fuse Block - I/P Fuse, I/P Fuse Block - Horn, Stoplamp, Meter Hazard, Door Lock RKE, ECM TCM, and Clock Audio Fuses
Underhood Fuse Block - IGN 1 Fuse, Ignition Switch, I/P Fuse Block, - CIGAR JACK, AUDIO CLOCK, METER CLOCK, TSIG, BACKUP LAMP, and AIR BAG Fuses
Underhood Fuse Block - ILLUM LAMP, ILLUM RH and LH Fuses
Interior Lights I/P W/Dimmer
G202 1 of 2
Rear Window Defogger and Heated Mirrors