GM Service Manual Online
For 1990-2009 cars only
Makes
🢒
Chevrolet
🢒
2004
🢒
Aveo
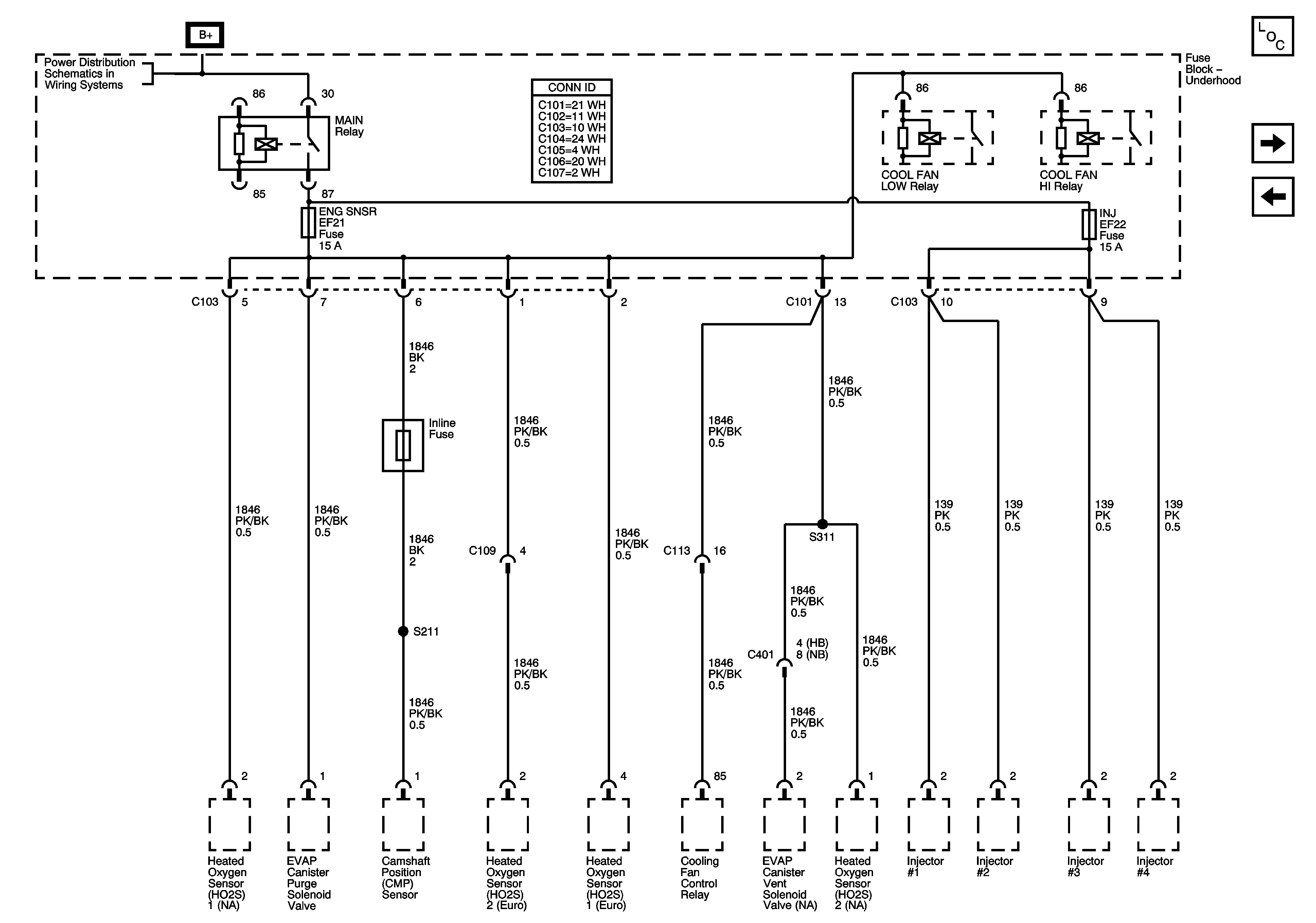
🢒 Underhood Fuse Block - MAIN Relay and ECM, ENG SNSR, and INJ Fuses - MR-140
Underhood Fuse Block - MAIN Relay and ECM, ENG SNSR, and INJ Fuses - MR-140
Underhood Fuse Block - MAIN Relay and ECM, ENG SNSR, and INJ Fuses - MR-140
Master Electrical Component List
Underhood Fuse Block - MAIN Relay and ECM, ENG SNSR, and INJ Fuses - 1.5L
Underhood Fuse Block - MAIN Relay and ECM, ENG SNSR, and INJ Fuses - 1.2L
Underhood Fuse Block - Battery Feeds