GM Service Manual Online
For 1990-2009 cars only
Makes
🢒
Chevrolet
🢒
2004
🢒
Aveo
🢒 Headlamps
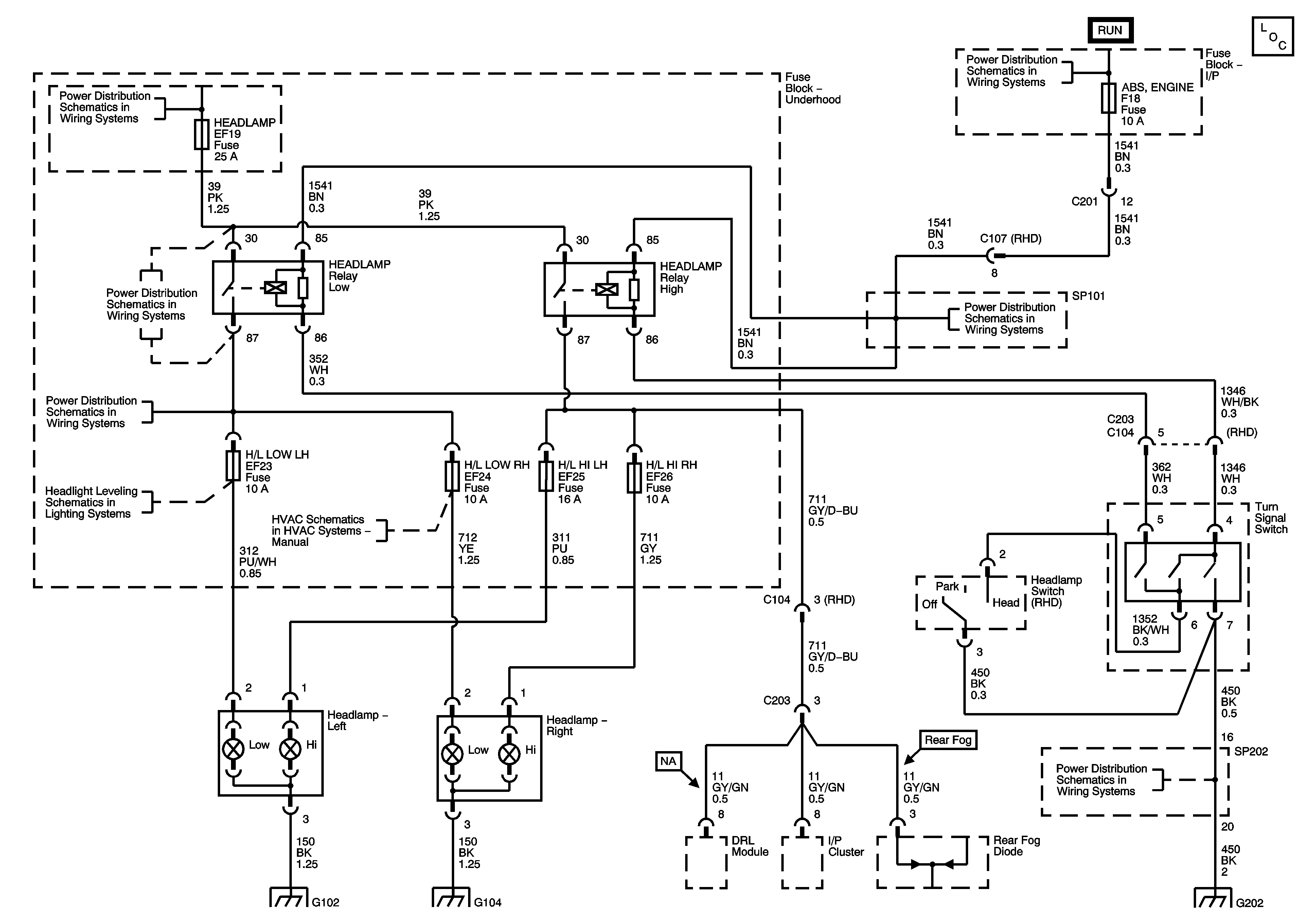
Headlamps
Master Electrical Component List
Underhood Fuse Block - A/C COMP, HEADLAMP, H/L LOW RH, H/L LOW LH, H/L HI LH, H/L HI RH Fuses
Underhood Fuse Block - ABS, Blower, Horn, Sunroof, Defog Fuses
Underhood Fuse Block - A/C COMP, HEADLAMP, H/L LOW RH, H/L LOW LH, H/L HI LH, H/L HI RH Fuses
Underhood Fuse Block - A/C COMP, HEADLAMP, H/L LOW RH, H/L LOW LH, H/L HI LH, H/L HI RH Fuses
Underhood Fuse Block - A/C COMP, HEADLAMP, H/L LOW RH, H/L LOW LH, H/L HI LH, H/L HI RH Fuses
Headlamp Leveling
HVAC Manual - Blower Controls
G202 2 of 2