GM Service Manual Online
For 1990-2009 cars only
Makes
🢒
Chevrolet
🢒
2004
🢒
Aveo
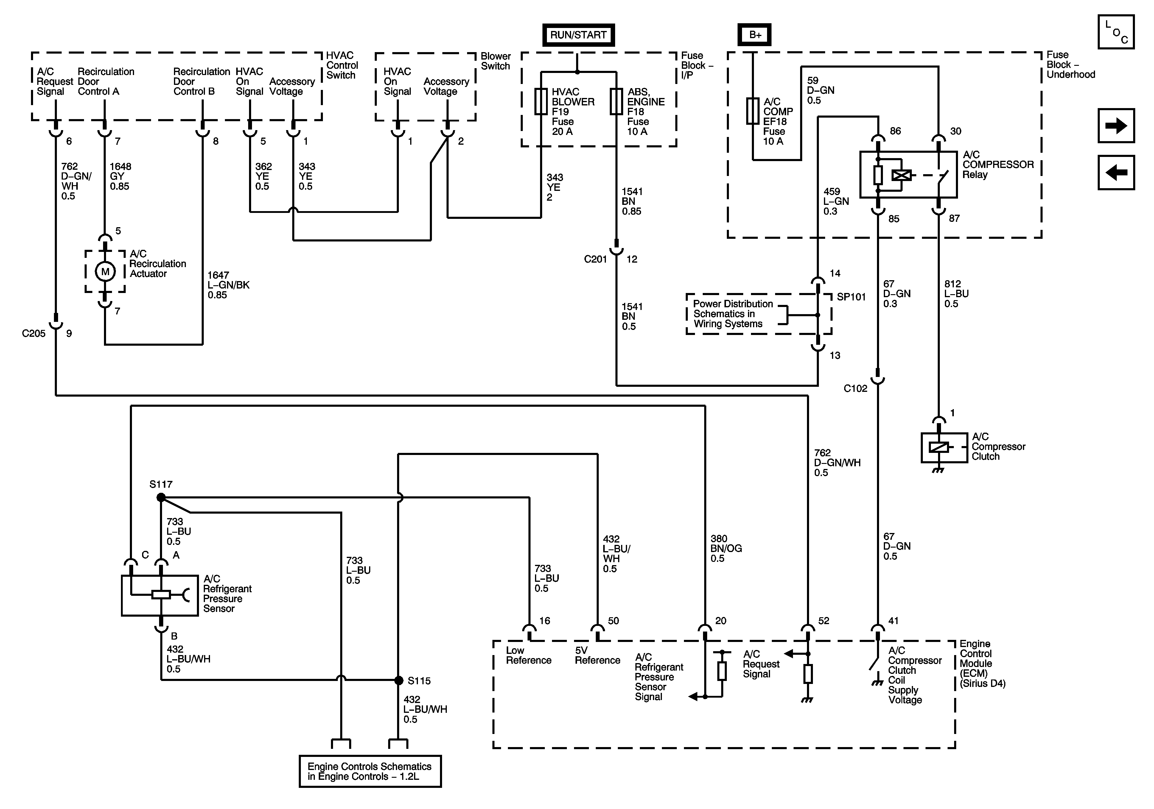
🢒 HVAC Manual - Compressor Controls (Sirius D4)
HVAC Manual - Compressor Controls (Sirius D4)
HVAC Manual - Compressor Controls (Sirius D4)
Master Electrical Component List
HVAC Manual - Compressor Controls (MR-140)
HVAC Manual - Blower Controls
Underhood Fuse Block - ABS, Blower, Horn, Sunroof, Defog Fuses
Engine Data Sensors - Pressure and Temperature
Engine Data Sensors - Pressure and Temperature