GM Service Manual Online
For 1990-2009 cars only
Makes
🢒
Chevrolet
🢒
2004
🢒
Aveo
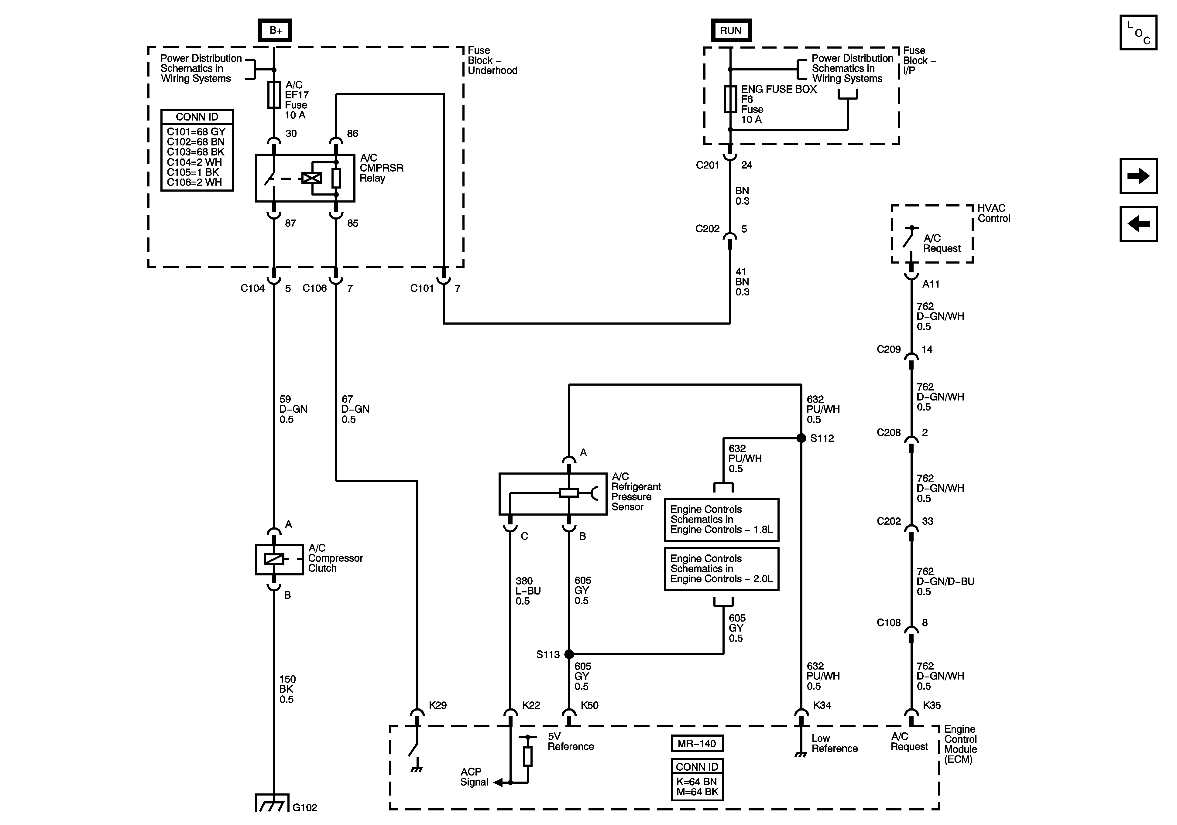
🢒 Compressor Controls - MR-140
Compressor Controls - MR-140
Compressor Controls - MR-140
Master Electrical Component List
Underhood Fuse Block - BATT PWR, IGN 1 and IGN 2 Fuses, Ignition Switch, I/P Fuse Block - RADIO, IMMOBILIZER, DLC, AUTO A/C, HAZARD LAMPS, RKE, TCM, and REAR FOG/CRUISE Fuses
I/P Fuse Block - HVAC and S/ROOF HTD/SEAT Fuses
Device Controls
Device Controls