GM Service Manual Online
For 1990-2009 cars only
Makes
🢒
Chevrolet
🢒
2004
🢒
Aveo
🢒 MR-140
MR-140
MR-140
Master Electrical Component List
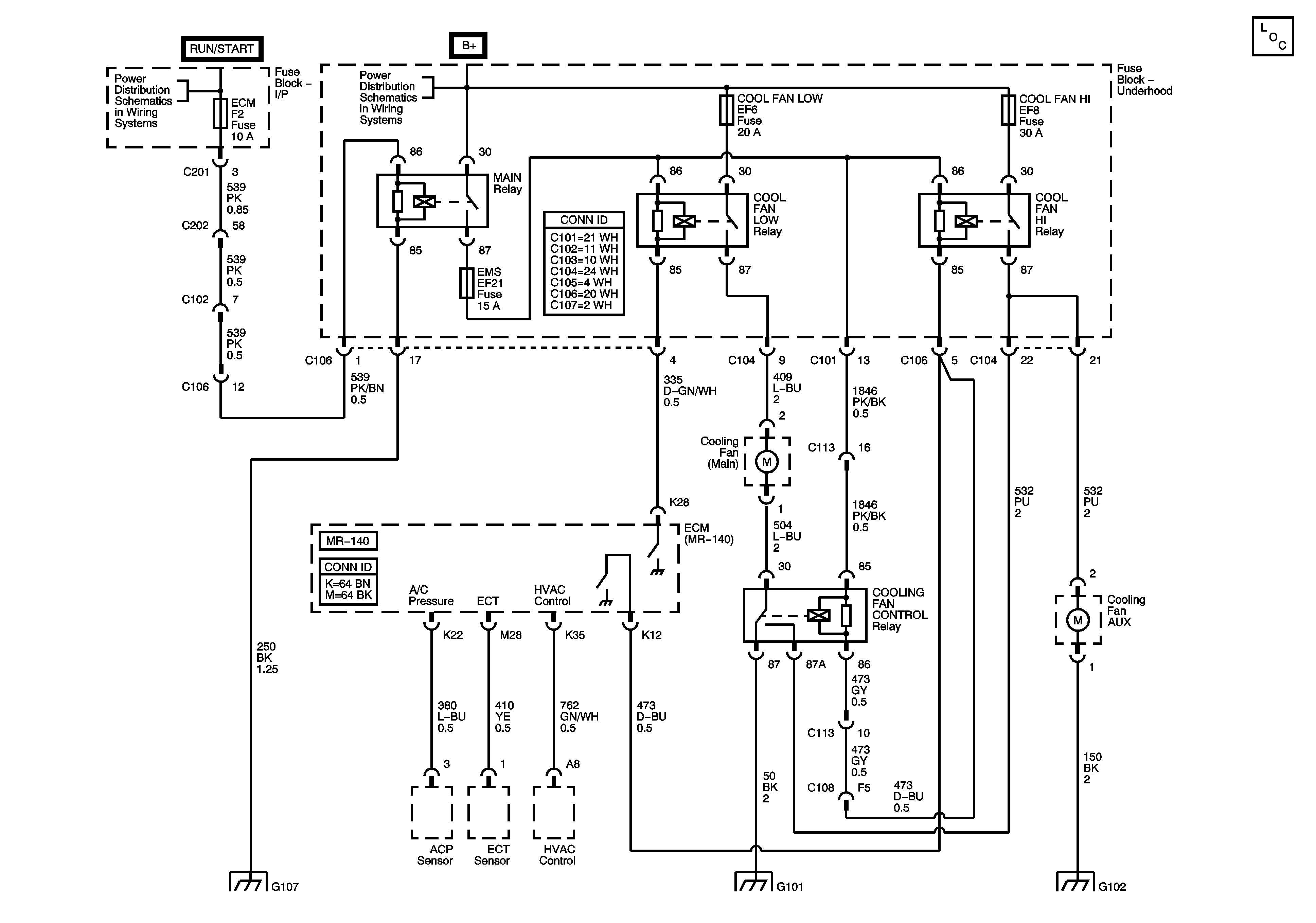
I/P Fuse Block - ECM Fuse
Underhood Fuse Block - COOL FAN LOW and COOL FAN HI Fuses