GM Service Manual Online
For 1990-2009 cars only
Makes
🢒
Chevrolet
🢒
2004
🢒
Aveo
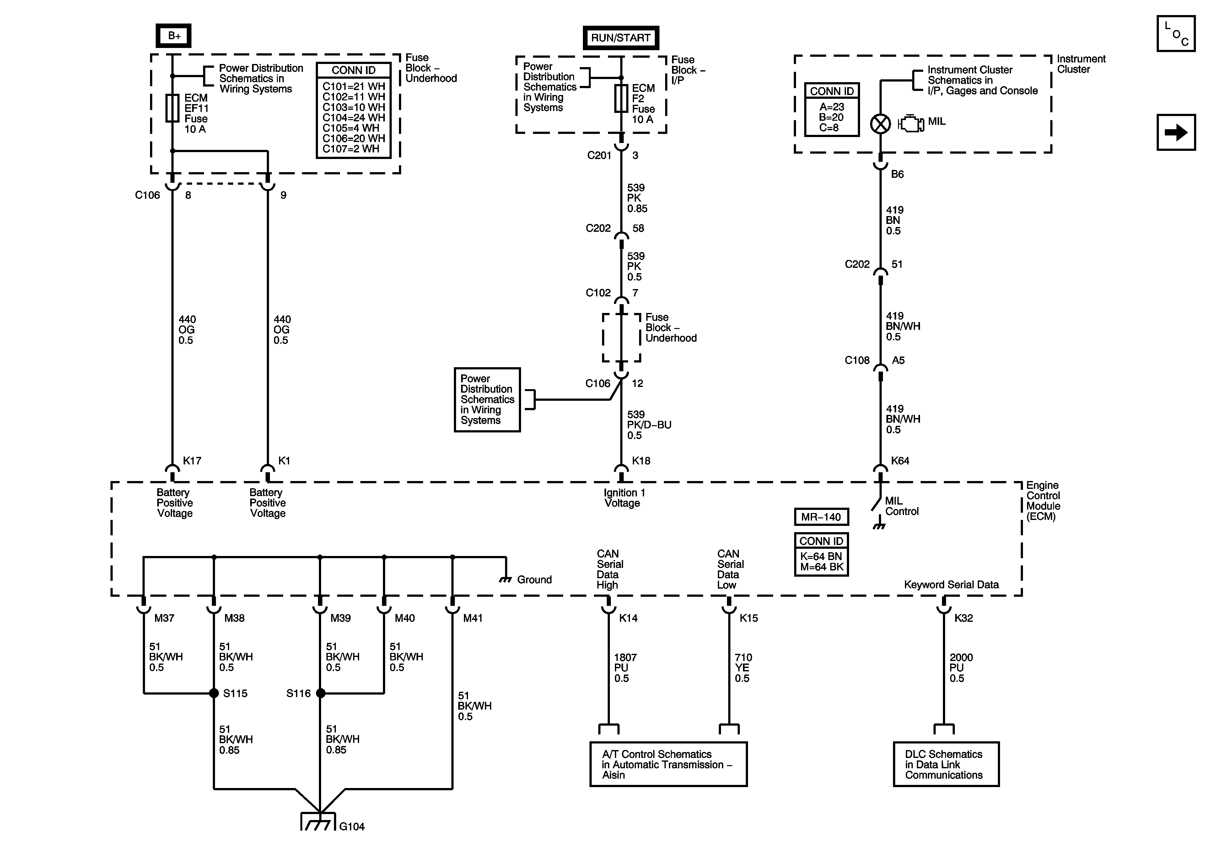
🢒 Module Power, Ground, Serial Data, Malfunction Indicator Lamp (MIL)
Module Power, Ground, Serial Data, Malfunction Indicator Lamp (MIL)
Module Power, Ground, Serial Data, Malfunction Indicator Lamp (MIL)
Master Electrical Component List
Engine Data Sensors - Pressure and Temperature
I/P Fuse Block - ECM Fuse
I/P Fuse Block - ECM Fuse
Shift and Pressure Control Solenoids
I/P Fuse Block - ECM Fuse
I/P Fuse Block - ECM Fuse
Power Steering, Shift Program, Air Bag, Seat Belt, Oil Pressure, MIL, ABS, TCS, Parking Brake, and Charging Waring Lamps