GM Service Manual Online
For 1990-2009 cars only
Makes
🢒
Chevrolet
🢒
2004
🢒
Aveo
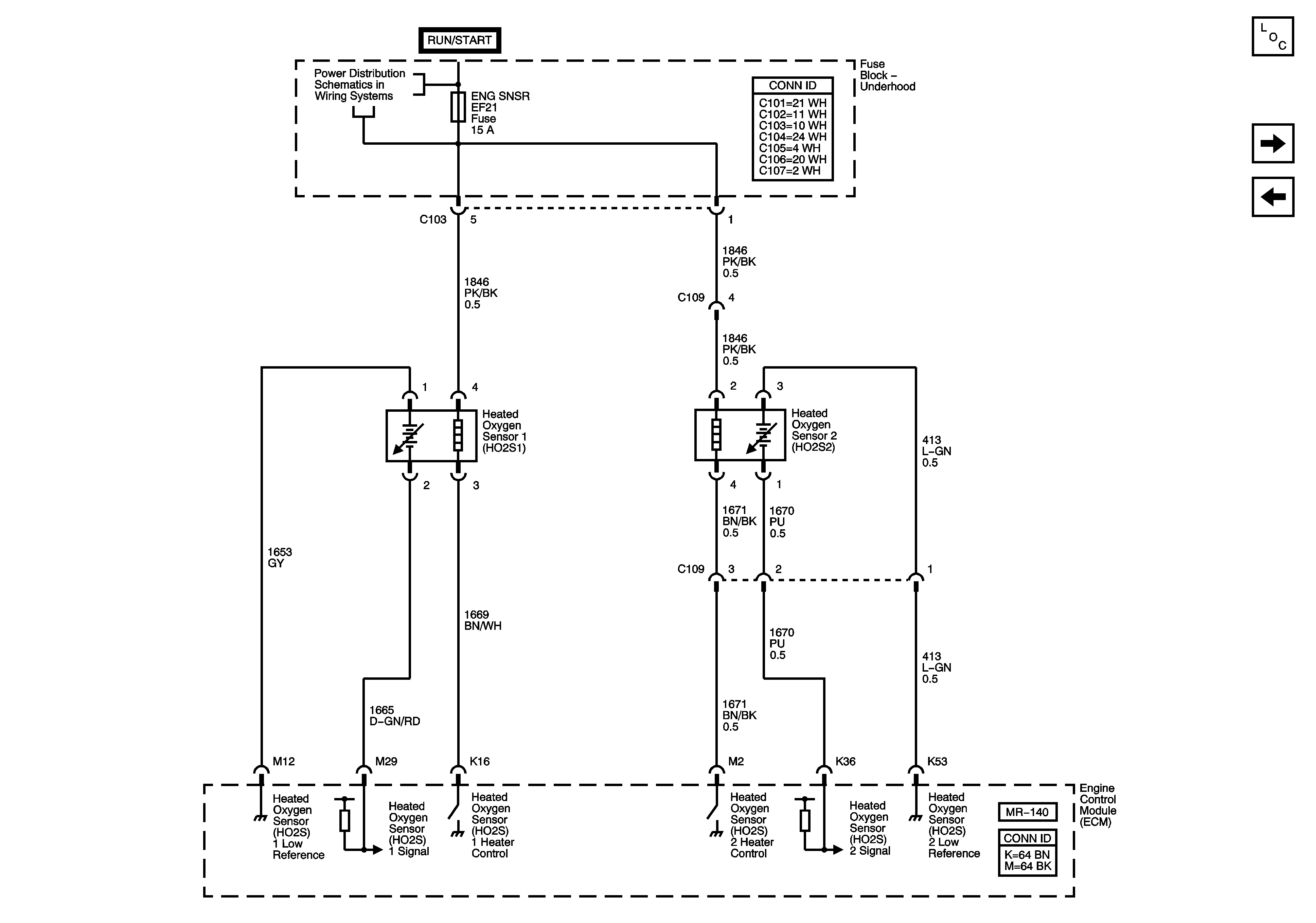
🢒 Engine Data Sensors - Oxygen Sensors (O2S)
Engine Data Sensors - Oxygen Sensors (O2S)
Engine Data Sensors - Oxygen Sensors (O2S)
Master Electrical Component List
Ignition Controls - Ignition System
Engine Data Sensors - Pressure and Temperature
Underhood Fuse Block - MAIN Relay and ECM, ENG SNSR, and INJ Fuses - 1.2L