GM Service Manual Online
For 1990-2009 cars only
Makes
🢒
Chevrolet
🢒
2004
🢒
Aveo
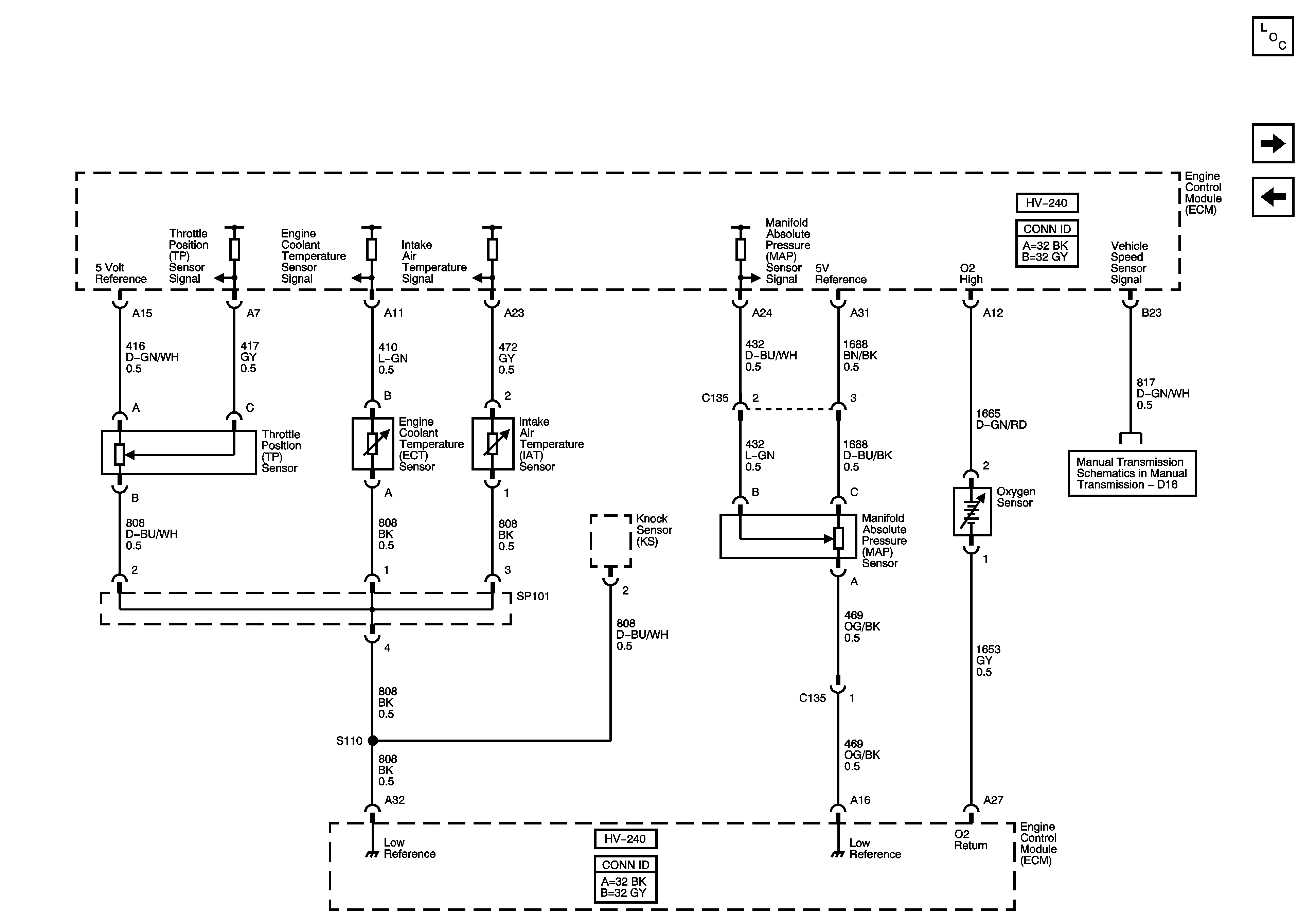
🢒 Engine Data Sensors - Pressure and Temperature, Oxygen Sensor (O2S)
Engine Data Sensors - Pressure and Temperature, Oxygen Sensor (O2S)
Engine Data Sensors - Pressure and Temperature, Oxygen Sensor (O2S)
Master Electrical Component List
Ignition Controls - Ignition System
Module Power, Ground, Serial Data, Malfunction Indicator Lamp (MIL)
Vehicle Speed Sensor (VSS)