GM Service Manual Online
For 1990-2009 cars only
Makes
🢒
Chevrolet
🢒
2004
🢒
Aveo
🢒 Park Lamp and License Plate Lamps
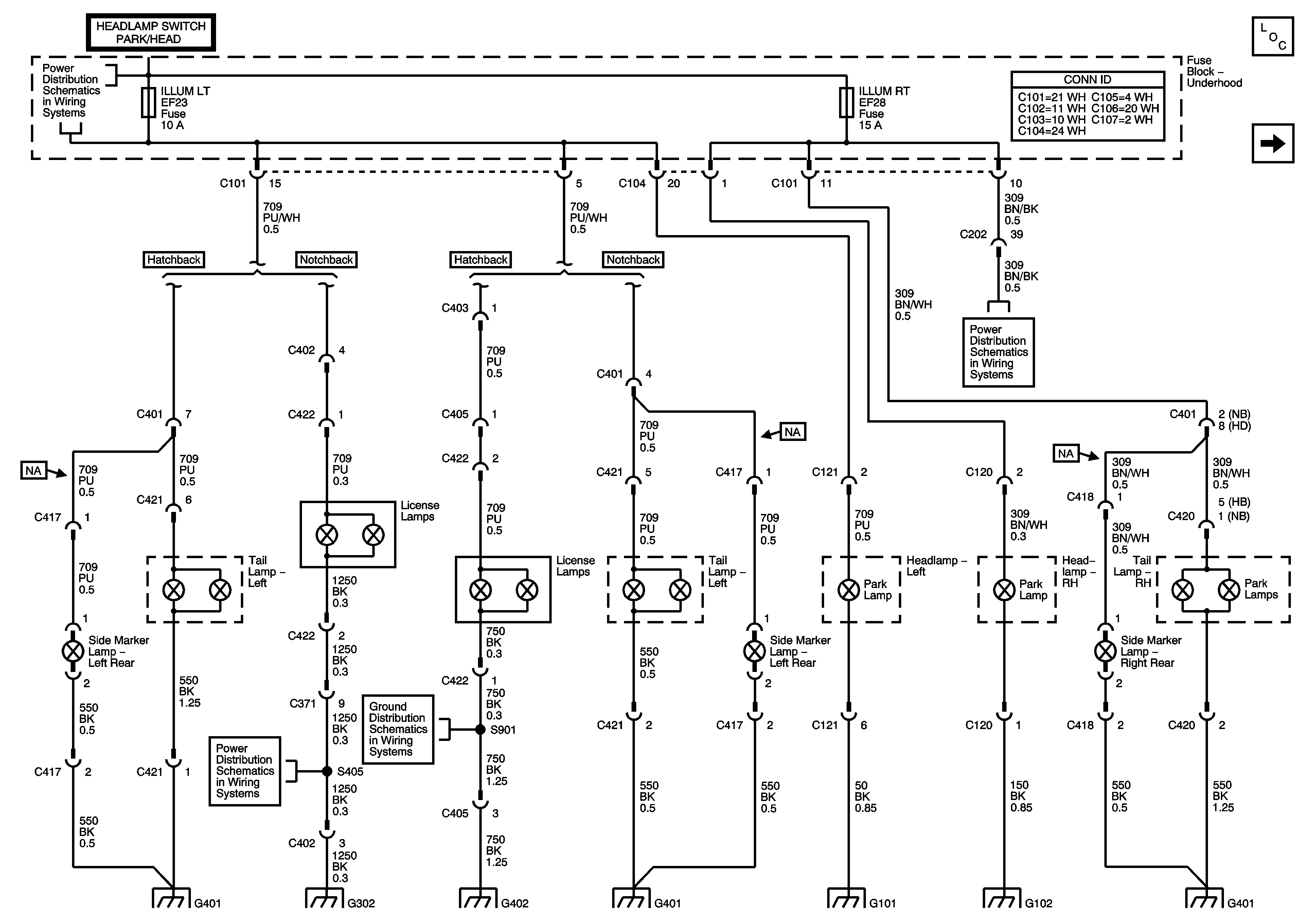
Park Lamp and License Plate Lamps
Park Lamps and License Plate Lamps
Master Electrical Component List
Turn and Hazard Lamps - North America
Underhood Fuse Block - LOW BEAM LT, LOW BEAM RT, ILLUM LT, ILLUM RT, and HI BEAM Fuses
Underhood Fuse Block - LOW BEAM LT, LOW BEAM RT, ILLUM LT, ILLUM RT, and HI BEAM Fuses
Underhood Fuse Block - LOW BEAM LT, LOW BEAM RT, ILLUM LT, ILLUM RT, and HI BEAM Fuses
G402 - Hatchback Tailgate