GM Service Manual Online
For 1990-2009 cars only
Makes
🢒
Chevrolet
🢒
2004
🢒
Aveo
🢒 Turn and Hazard Lamps - Except North America
Turn and Hazard Lamps - Except North America
Turn and Hazard Lamps - Except North America
Master Electrical Component List
Stop Lamps (Notchback)
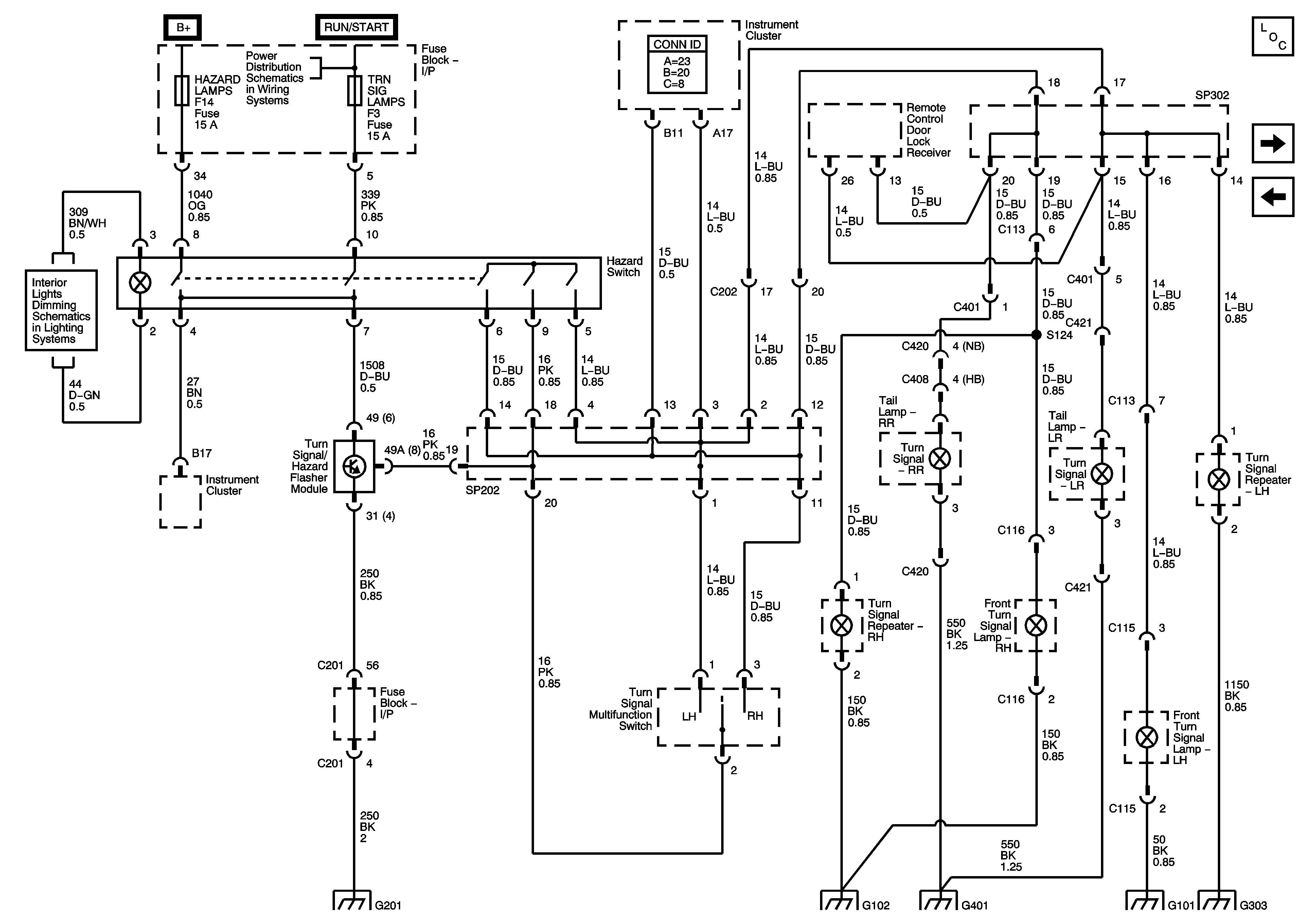
Turn and Hazard Lamps - North America
I/P Fuse Block - ABS, IMMOBILIZER, WPR, AND TRN SIG LAMPS Fuses
I/P Illumination (w/Dimming)